is the ac blend door actuator on a 98 buick regal gs Automatic or Manual? quick question

1998 BUICK REGAL
127,000 MILES
Avatar
HANDNSUMBOI21
  • MEMBER
  • 14 POSTS
ac blows air on the floor and defrost and hot through the front vents
Apr 3, 2012 at 8:53 PM
Advertisement
Avatar
HMAC300
  • CERTIFIED EXPERT
  • 48,601 POSTS
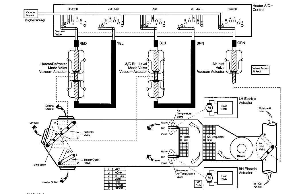
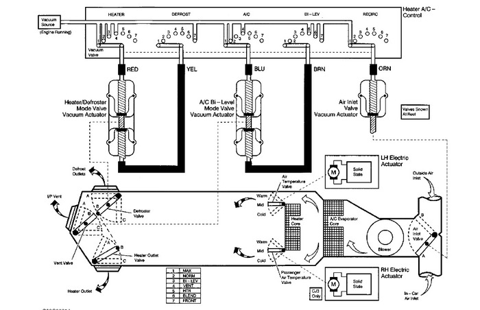
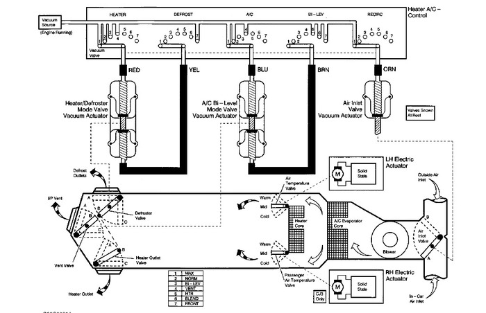
yours i vacuum operated. check for a vacuum leak from engine to control head and then to the offending actuator. pic enclosed of setup.
Apr 3, 2012 at 9:03 PM