Will not start after sitting for six months

1998 BMW 740
155,000 MILES
Avatar
KNOXAMANDA13
  • MEMBER
  • 1 POST
The car listed above is a iL model. it’s been sitting up for over 6 months I charged the battery up and placed back in car car is not wanting to start it’s not even turning over at all. any ideas what may be the issue?
Apr 14, 2021 at 9:38 PM
Advertisement
Avatar
KASEKENNY
  • CERTIFIED EXPERT
  • 18,907 POSTS
Just to be sure what the issue is. When the key is turned the starter does not come on at all to turn the engine? Does the starter click? Or does the engine crank but not start? I know you said it is not turning over but that is commonly confused so we just need to make sure we are saying the same thing.

Here are guides that will talk about both issues:

https://www.2carpros.com/articles/starter-not-working-repair

https://www.2carpros.com/articles/car-cranks-but-wont-start

Next thing to do is turn the motor over by hand from the crank pulley bolt just to make sure it is not locked up. It is unlikely after just 6 months but it is easy enough to check and if it is it will cause all sorts of issues trying to figure this out.

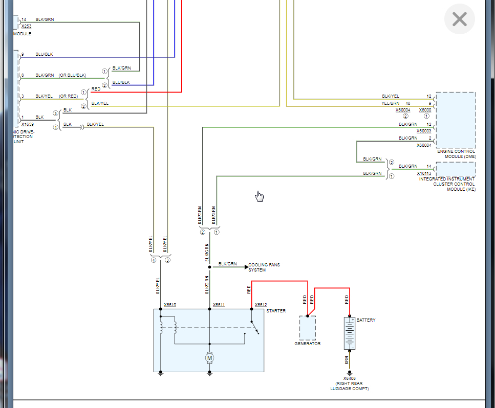
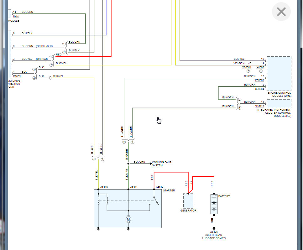
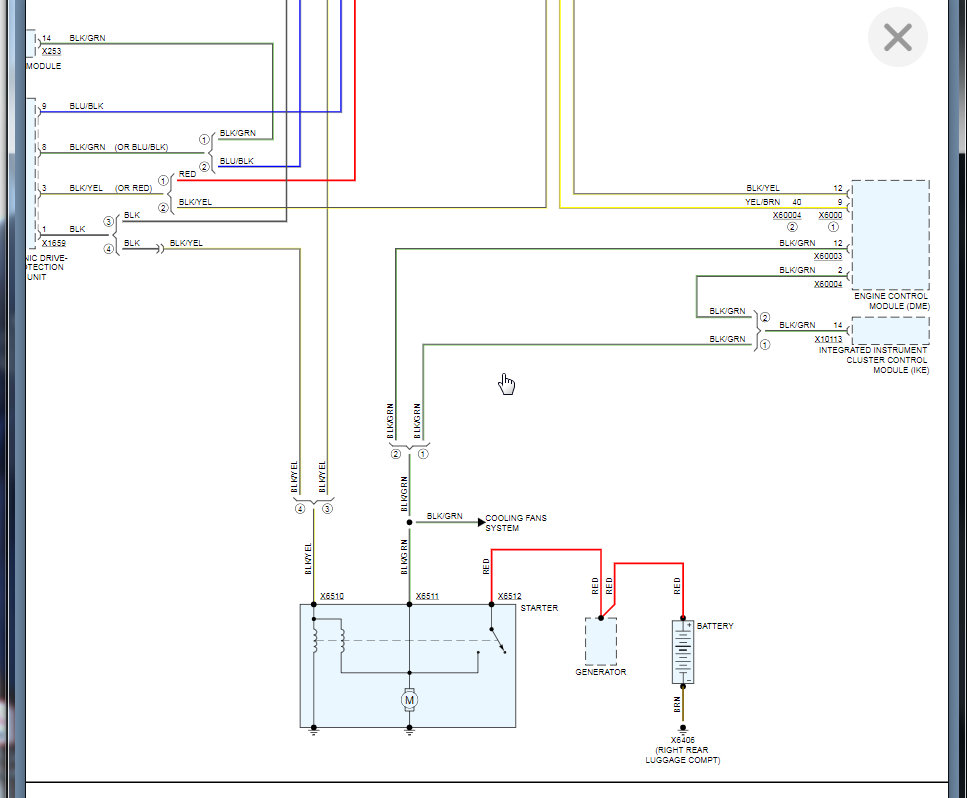
Lastly, we need to check the starter for voltage on the three wires. I attached the wiring diagram below.

https://www.2carpros.com/articles/how-to-check-wiring

Let's run through this material and let us know what you find. Thanks
Apr 16, 2021 at 8:55 AM