Where is the Fuel Pump Located?

1997 ROLLS ROYCE SILVER SPUR
50,000 MILES • 2WD • AUTOMATIC
Avatar
DOUG GILSTRAP
  • MEMBER
  • 1 POST
I suspect a failed fuel pump is the problem, i need to locate the pump and filter on this make and model.
Apr 13, 2023 at 8:44 AM
Advertisement
Avatar
STEVE W.
  • CERTIFIED EXPERT
  • 15,113 POSTS
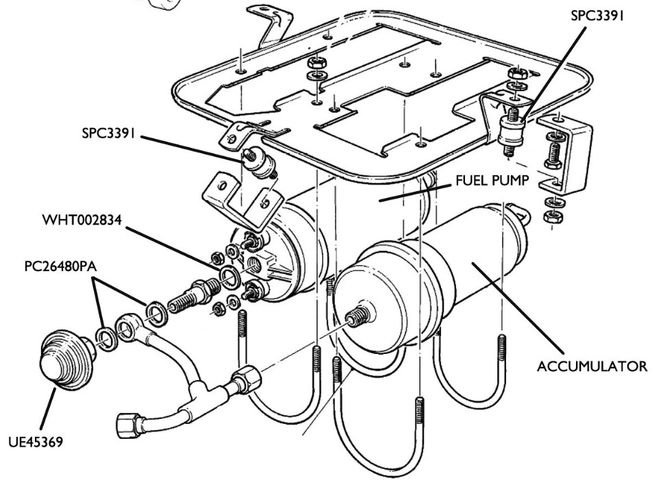
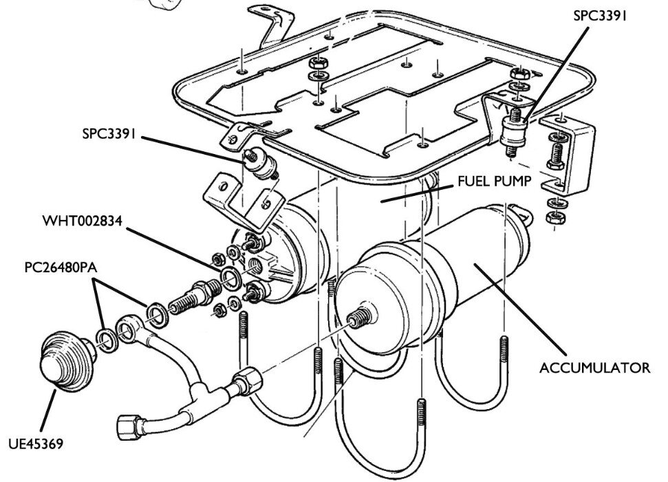
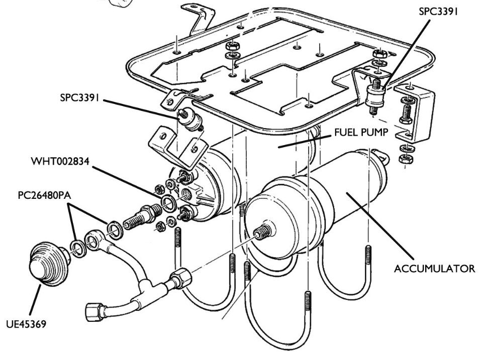
I'm sorry but our service database doesn't cover Rolls Royce, they only allow certified dealers access to that information, so nothing really is available for testing. If I recall the pump is mounted to a bracket in front of the fuel tank with a fuel accumulator next to it as the image shows. I also recall that the pumps are very failure prone, so I suspect you are on the right track.
Apr 13, 2023 at 9:25 AM