relay fuse

1997 PLYMOUTH VOYAGER
200,000 MILES • 6 CYL • 2WD • AUTOMATIC
Avatar
PIZAJUNK
  • MEMBER
  • 2 POSTS
a 1997 plymouth grandvoyager se has relay fuses in the fuse box. only two the same part # same plug design 1st ? any way to test them..pt 2? are they one works all like blower ,power,alarm,ect. . now problem heard ticking very rapid coming from fuse panale van not on was the fuses van started pull one still running ,repace same with other , put both back in no nosie turn motor off never started again no lable in van or in book?
Nov 20, 2010 at 5:03 PM
Advertisement
Avatar
JDL
  • CERTIFIED EXPERT
  • 16,098 POSTS
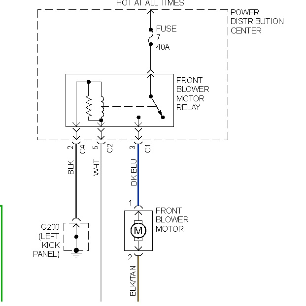
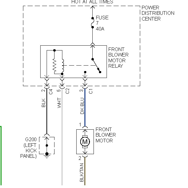
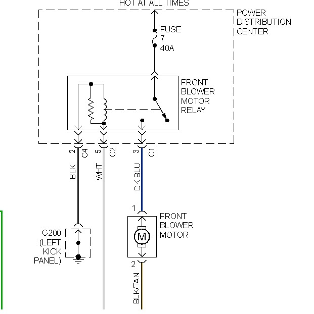
This is for the front blower motor.

Nov 20, 2010 at 5:15 PM
Avatar
JDL
  • CERTIFIED EXPERT
  • 16,098 POSTS
The dark blue wire at the blower goes hot/voltage when the relay is energized. The black wire with tan tracer is ground, Your different speeds and such are controled on the ground circuit. Also, The white wire is voltage for coil side of relay, goes hot when you turn on the key.
Nov 20, 2010 at 5:20 PM
Advertisement
Avatar
PIZAJUNK
  • MEMBER
  • 2 POSTS
ok but how do you knowwhat the microrelay are for its not lable
Nov 20, 2010 at 5:48 PM
Avatar
JDL
  • CERTIFIED EXPERT
  • 16,098 POSTS
Image of location of front blower relay.
Nov 22, 2010 at 10:05 PM