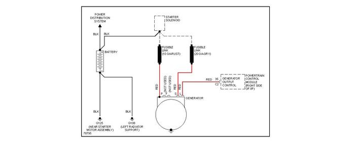
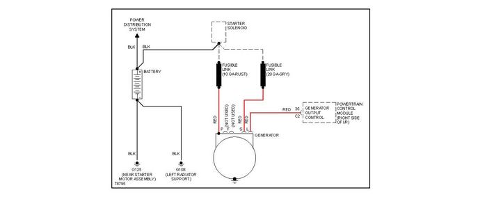
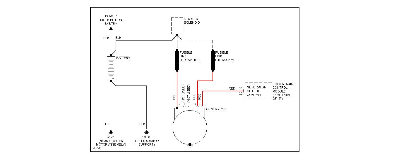
van had been running fine. Battery warning light came on followed shortly by the abs and tcs lights. van then failed to start. Battery tested good, alternator bad. replaced alternator and van ran fine for 4 days. On day 4 abs and tcs lights came on van seemed to be performing fine but then the batt light came on and van died in traffic(all on day 4). took battery out had load test performed, tested ok. pulled new alternator, tested bad. acquired replacement new alternator, while waiting for it ohmed out all wire connections in teh starter/alternator/battery loop, all ohmed out ok.checked all fuses, ok. installed new alternator (again). started and have no warning lights but battery voltage does not seem to be getting a charge. even when revved to 3000 rpms voltage at batt stays same as at rest. which was 12.5. What else can I check? or is it time to give up and take to specialists?
Aug 25, 2011 at 8:31 PM
