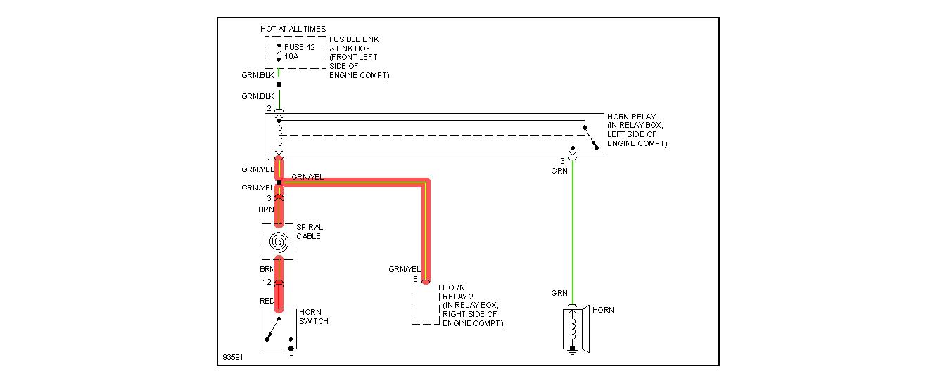
The horn is stuck blowing. I pulled the relay to stop it. I replaced the relay and that was not it. I checked the contacts and springs at the steering wheel and all that looks fine. Is there a wiring problem with the Nissans I do not know about? I need to get it inspected but cannot with the horn issue. What can I do. The fuse is also fine but of course I can pull it and it stops blowing. Would a bad ground somewhere cause this problem? Thanks in advance. Mike B.
Nov 6, 2012 at 8:45 PM
