stalls while driving

1997 NISSAN HARDBODY
16,900 MILES
Avatar
NUGGET
  • MEMBER
  • 7 POSTS
My 1997 hard body will stall but not all the time. It will stall after about a half hour And will easily start again. It has tried to Stall while driving , but because I was into The gas pedal it didn't. It has new plugs New wires new distributor Doesn't stall till after a bit of run time
Oct 3, 2011 at 1:54 AM
Advertisement
Avatar
CADIEMAN
  • CERTIFIED EXPERT
  • 3,544 POSTS
youll need to install a fuel pump pressure gauge so you can see it through the windshield.watch the pressure when it stalls.for pressure loss.
Oct 3, 2011 at 2:12 AM
Avatar
NUGGET
  • MEMBER
  • 7 POSTS
Did that. It is a steady 35 psi
When it dies it increases to 45 psi
And still dies
Oct 3, 2011 at 2:23 AM
Advertisement
Avatar
CADIEMAN
  • CERTIFIED EXPERT
  • 3,544 POSTS
youll need to check the codes anything else would be a guess.
Oct 3, 2011 at 2:32 AM
Avatar
NUGGET
  • MEMBER
  • 7 POSTS
Checked the codes first. No codes
Oct 3, 2011 at 2:49 AM
Avatar
FIXITMR
  • CERTIFIED EXPERT
  • 9,990 POSTS
does it stall while idling or driving?
Oct 3, 2011 at 4:02 AM
Avatar
NUGGET
  • MEMBER
  • 7 POSTS
While idleing Twice it tried to stall while
Driving but because I was into the gas
Pedal all it did was sputter - as if it wasn't getting
Gas. But I know it is getting gas.
Seems electrical
Oct 3, 2011 at 4:11 AM
Avatar
FIXITMR
  • CERTIFIED EXPERT
  • 9,990 POSTS
is that the infamous mexican motor? they are known for timing chain issues.
Oct 3, 2011 at 4:17 AM
Avatar
FIXITMR
  • CERTIFIED EXPERT
  • 9,990 POSTS
also distributor has sensor that might be intermittant fail?
Oct 3, 2011 at 4:29 AM
Avatar
NUGGET
  • MEMBER
  • 7 POSTS
Timing chain replaced at one hundred 40 thousand
Miles. Also it a 2400 motor.
Oct 3, 2011 at 4:32 AM
Avatar
NUGGET
  • MEMBER
  • 7 POSTS
Distributor is new also. But thanks anyway
Oct 3, 2011 at 4:35 AM
Avatar
NUGGET
  • MEMBER
  • 7 POSTS
Ps my truck is bodydroped 3 inches
With an air ride setup
4 link rear - with the rear bags on the 4 link
Aka cantilever
5 switches 300 psi Nitrogen back up
External fuel tank
n a killer o.g 5 peice train horn
Straight off a freight train
At 200 psi u can hear it 3 miles away
Me and my buddy did all the wrk
Took 7 months for the bodydrop
And have had 3 different bag set ups
First the bags in the rear were over the axle
Rode like a stage coach
Then came the cantilever Rides awsome
However engines I'm not so good with
Oct 3, 2011 at 4:46 AM
Avatar
FIXITMR
  • CERTIFIED EXPERT
  • 9,990 POSTS
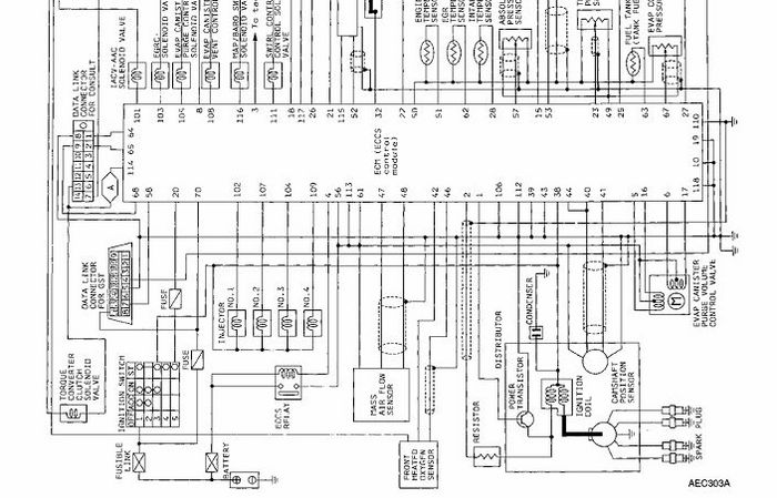
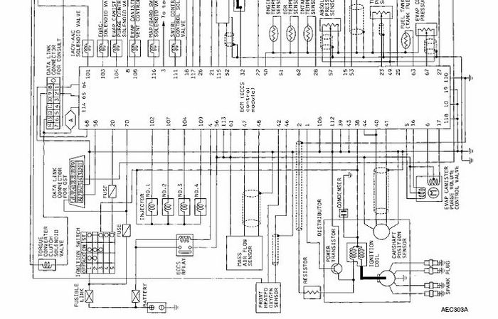
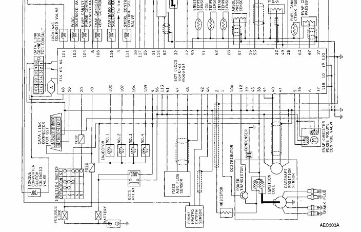
here's an electrical engine diagram
Oct 3, 2011 at 6:36 AM