Fuel warning light doesn't work.

1997 HYUNDAI ELANTRA
380,000 MILES • 1.6L • 4 CYL • 2WD • MANUAL
Avatar
ENOS MOKALOLISE
  • MEMBER
  • 1 POST
Petrol warning light doesn't work.
Aug 28, 2015 at 6:52 AM
Advertisement
Avatar
SQM
  • CERTIFIED EXPERT
  • 6,383 POSTS
Hello,

This could be due to a burnt bulb or bad wiring.
First remove the gauge cluster and check the bulb.
If the bulb is functional then it is likely a wiring issue.

https://youtu.be/_HEC44xENxw

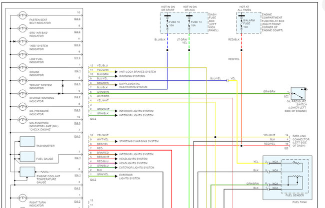
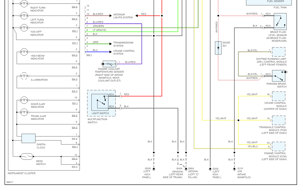
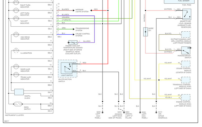
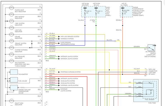
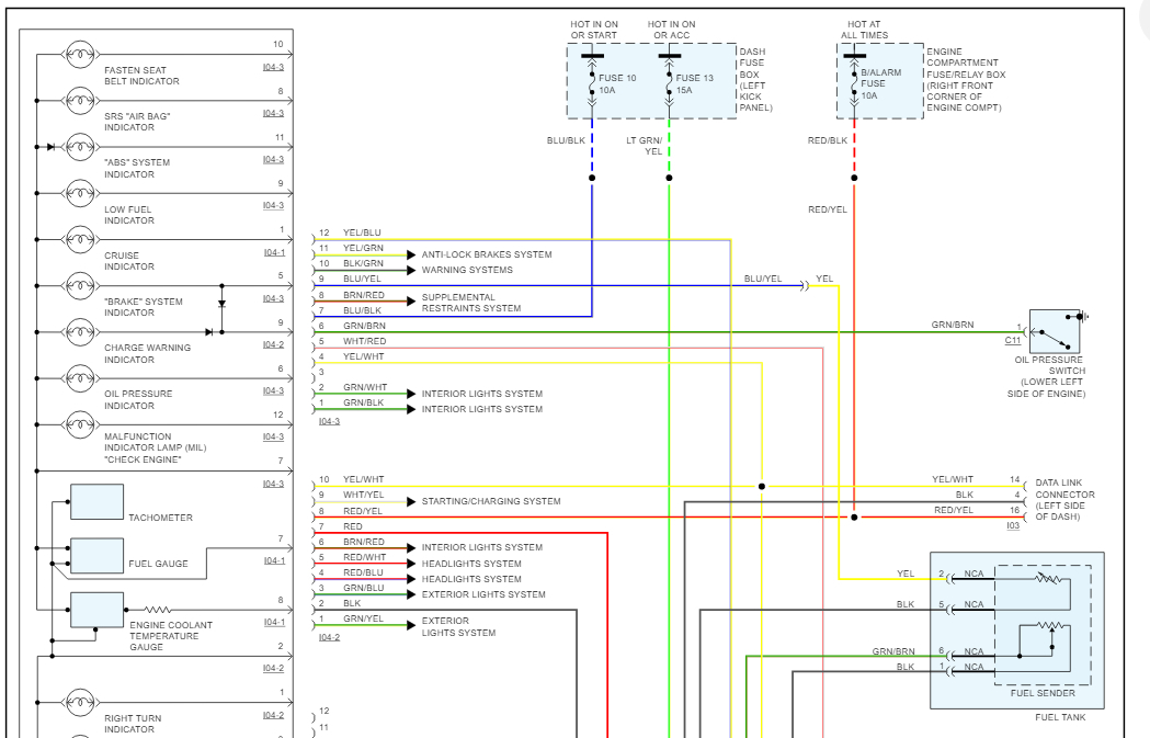
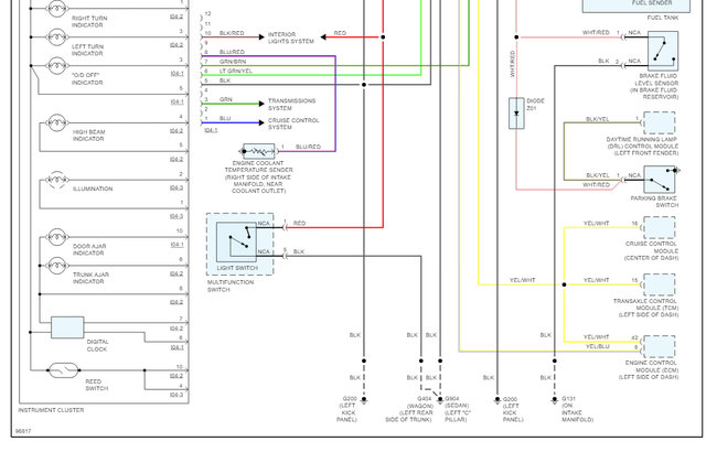
I have attached the wiring schematics for your reference.

Please let me know of any questions.
Thank you.
Oct 18, 2021 at 2:05 PM