Turn signal diode

1997 HONDA PRELUDE
211,000 MILES • 2.0L • 4 CYL • 2WD • MANUAL
Avatar
HUPP34
  • MEMBER
  • 2 POSTS
Hey guys, I am having problems with my turn signals on my car hazards still come on and it is not the combo switch or a fuse or a relay. I have been ready and seen it is a diode above the under dash relax tapped to the harness but cannot seem to find it. any help so I cannot be sketchy about my signals.

Thanks in advance
Jan 19, 2018 at 11:02 AM
Advertisement
Avatar
HARRY P
  • CERTIFIED EXPERT
  • 2,292 POSTS
If I were a betting man I would put money on the flasher/relay. It is in the attached picture. Just because the hazards are still working does not necessarily mean that the turn signal part of the relay is not failing. They are basically two separate relays put into one.

Good luck and keep us posted.
Jan 19, 2018 at 7:42 PM
Avatar
HUPP34
  • MEMBER
  • 2 POSTS
I would not bet anytime soon if I were you (kidding).
But I appreciate the feedback it was the diode.
Jan 20, 2018 at 7:29 AM
Advertisement
Avatar
HARRY P
  • CERTIFIED EXPERT
  • 2,292 POSTS
Well I guess that is why I am not a betting man. Good to hear you got it fixed. Please feel free to come back here any time.
Jan 20, 2018 at 6:58 PM
Avatar
JUSTIN SAMS
  • MEMBER
  • 3 POSTS
HUPP34 where did you find a replacement diode? Someone cut mine out. My turn signals do not work on any of my gauges.
Nov 16, 2018 at 2:48 PM
Avatar
STRAILER
  • CERTIFIED EXPERT
  • 53,855 POSTS
Hello,

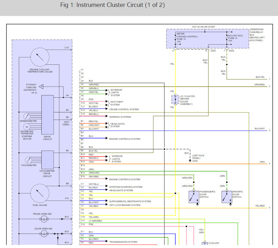
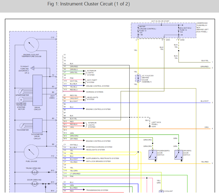
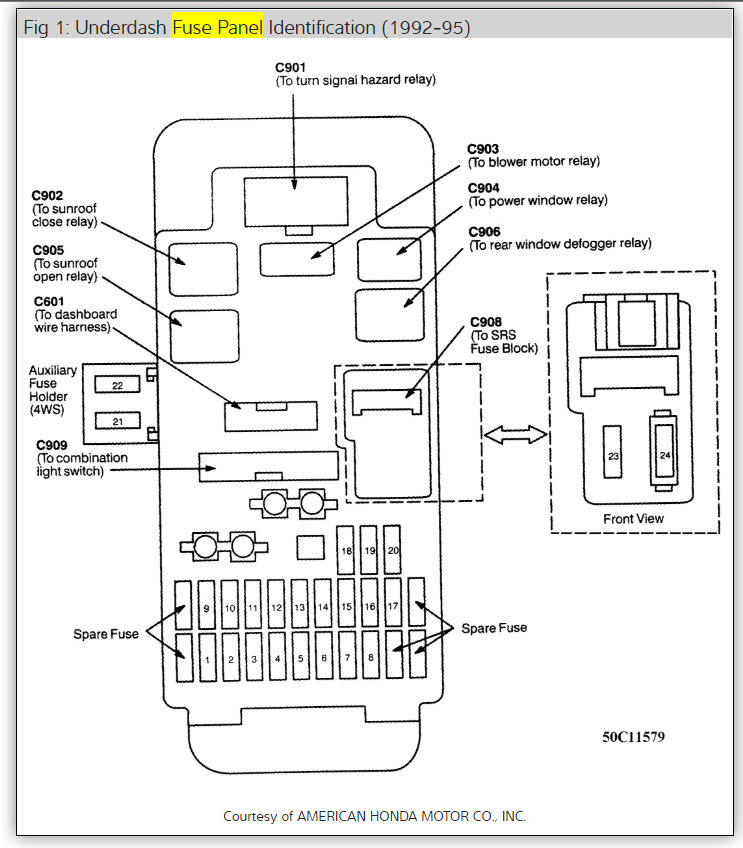
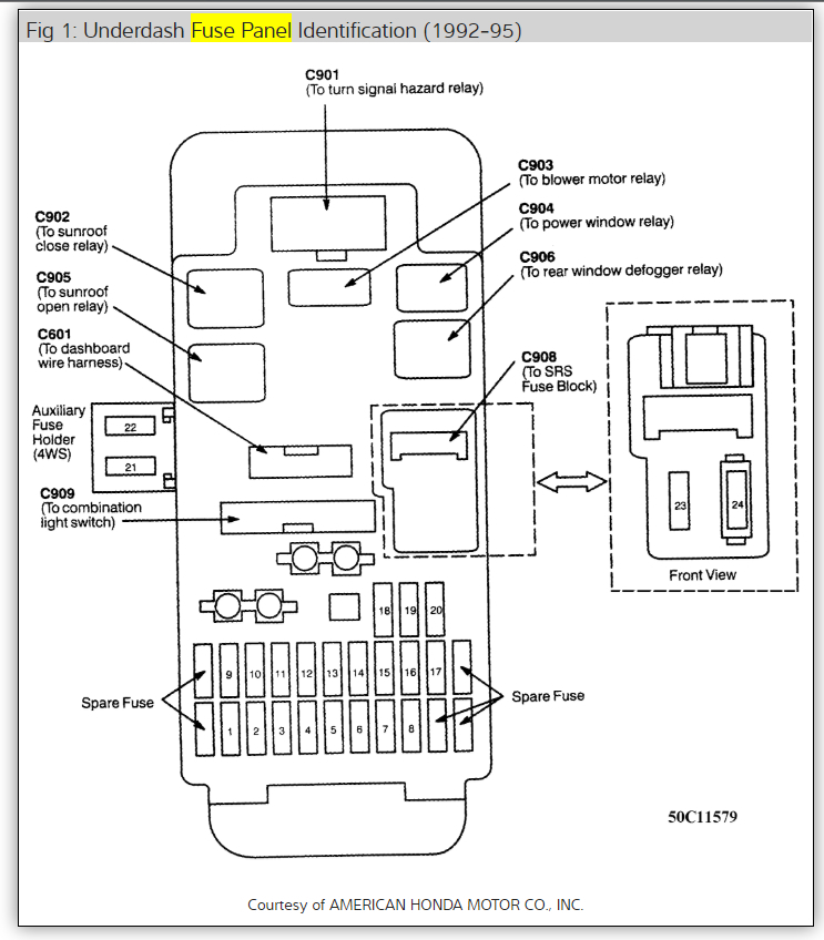
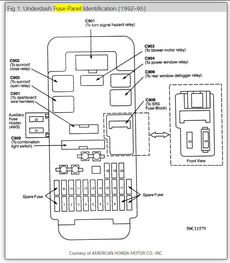
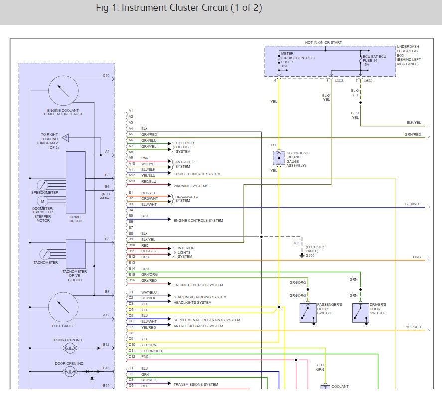
I would check fuse #13 for power here are the blinker and instrument cluster wiring diagrams so you can see how the system works with a guide to help you check for power at the fuse with the fuse locations as well. The diode is above the interior fuse box taped to the wiring harness.

https://www.2carpros.com/articles/how-to-check-a-car-fuse

Check out the diagrams (below). Please let us know what you find.

Cheers, Ken
Nov 16, 2018 at 7:00 PM
Avatar
JUSTIN SAMS
  • MEMBER
  • 3 POSTS
Do you know where I could find a replacement diode?
Nov 16, 2018 at 8:13 PM
Avatar
JACOBANDNICKOLAS
  • CERTIFIED EXPERT
  • 110,175 POSTS
Hi again:

You will most likely need to contact a dealer or try to find one in a salvage yard.

Joe
Nov 16, 2018 at 9:53 PM
Avatar
HARRY P
  • CERTIFIED EXPERT
  • 2,292 POSTS
You could also always try eBay for used parts too. Many salvage yards list their stock on there. Good luck.
Nov 17, 2018 at 3:18 AM
Avatar
STRAILER
  • CERTIFIED EXPERT
  • 53,855 POSTS
You can get a diode from radio shack.
Nov 17, 2018 at 9:36 AM