DRL Relay Location and Wiring Diagram?

1997 PONTIAC GRAND AM
130,000 MILES • 3.1L • V6 • 2WD • AUTOMATIC
Avatar
B767_400
  • MEMBER
  • 36 POSTS
Hi,

Can someone tell me where I can find the DRL Relay?

If possible, could you also provide me with the associated Wiring Diagram for the Lighting as well?

Thanks
Jul 13, 2025 at 4:13 PM
Advertisement
Avatar
STEVE W.
  • CERTIFIED EXPERT
  • 15,113 POSTS
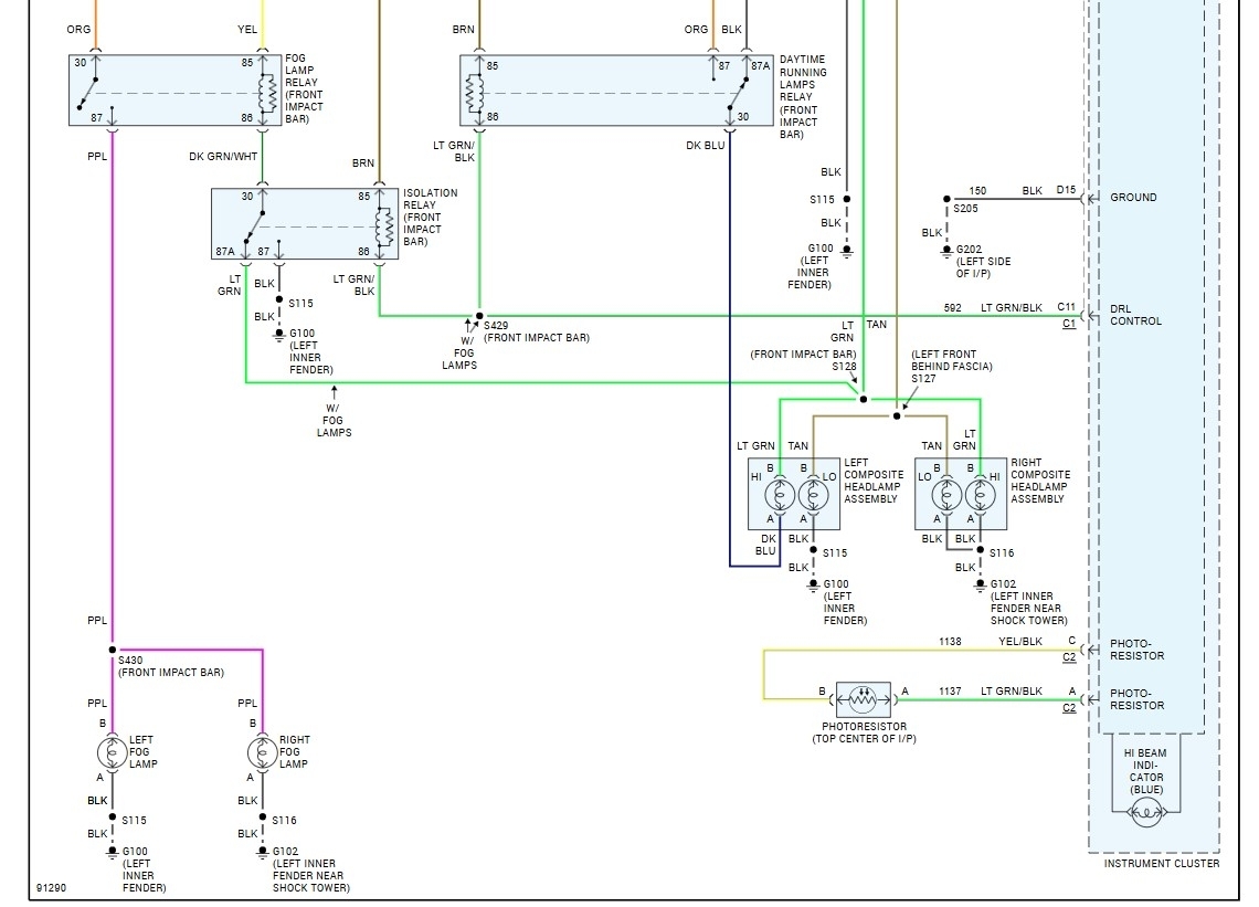
GM really hid them on that car. They are mounted inside the bumper at the front of the car. You can get to them from under the car, take the lower valance off and look up for the large aluminum channel and you will see all the relays there.
Jul 14, 2025 at 3:22 AM
Avatar
B767_400
  • MEMBER
  • 36 POSTS
Thanks very much. This is completely crazy. Never seen that relays are placed in the front impact bar.

Just to ask, the Fuel Pump relay and Fan Relay are still at the Passenger side (behind strut close to Firewall)?
Jul 14, 2025 at 8:08 AM
Advertisement
Avatar
B767_400
  • MEMBER
  • 36 POSTS
Sorry, and forgot to ask. You circled '5 Relay, Isolation) as well.

What is that Relay used for?
Jul 14, 2025 at 8:10 AM
Avatar
STEVE W.
  • CERTIFIED EXPERT
  • 15,113 POSTS
GM for some reason though it was a good idea. The FP and fans are still on the inner fender. The isolation relay is part of the DRL system if it has fog lamps as well so if the DRLs have an issue you will want to check it to be sure it isn't stuck open.
Jul 14, 2025 at 8:49 AM
Avatar
B767_400
  • MEMBER
  • 36 POSTS
Thanks, clear.
Last question, isn't there also a resistor somewhere to dim the High Beam DRL?
Jul 14, 2025 at 3:13 PM
Avatar
STEVE W.
  • CERTIFIED EXPERT
  • 15,113 POSTS
Not on that car. It runs the lamps in series (giving each side 6 volts) for DRL then the relay drops out and they switch to parallel and full power to each bulb. So if either bulb blows you lose the DRLs but if you pull the switch the good bulb will light.
Jul 14, 2025 at 5:41 PM
Avatar
B767_400
  • MEMBER
  • 36 POSTS
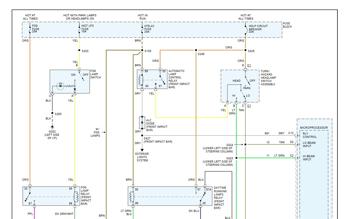
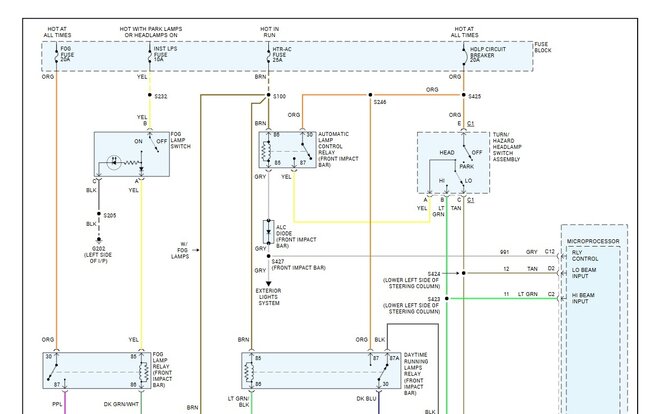
Could you tell me where S246 and S425 is located (from the Wiring Diagram)?
Reason for asking is that a previous owner has disabled the DRL function.
I already checked for all the Relays in the Impact Bar (all installed).
I cannot imagine that someone just cut a wire in the wiring harness running also within the Impact Bar .... would have been easier to remove the DRL Relay .....

May you also have a suggestion which wire would be easy to access to disable the DRLs?
I guess removing the Instrument Cluster is also not as easy.
Oct 17, 2025 at 4:54 AM
Avatar
STEVE W.
  • CERTIFIED EXPERT
  • 15,113 POSTS
I would use a test light in the DRL relay socket to test those splices. With a test light connected to ground you should have power at two of the terminals in the relay socket, 85 and 87 should have power with the key on, then if you turn the key off only terminal 87 will have power. No digging in the harness that way.
Oct 17, 2025 at 7:51 AM