Trying to find the turn signal flasher or relay

1997 GMC SIERRA
254,000 MILES
Avatar
JCOCHRANE
  • MEMBER
  • 1 POST
I have located the hazard flasher under the dash behind the brake pedal on the firewall and was wondering if the flasher right next to it is the turn signal flasher because while I was driving I turned on my turn signal and it made a strange buzz noise under my dash and then I had no signal lights and was wondering if this might have burnt out.
Jul 29, 2012 at 6:50 PM
Advertisement
Avatar
ASEMASTER6371
  • CERTIFIED EXPERT
  • 52,796 POSTS
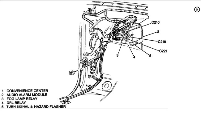
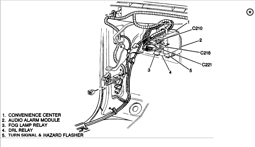
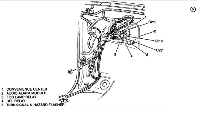
The turn signal flasher is under the dash on the drivers side here is a diagram that shows its location (#5) . Check out the diagrams (Below) Please let us know if you need anything else to get the problem fixed. Cheers, Roy
Jul 29, 2012 at 6:54 PM
Avatar
RO_P
  • MEMBER
  • 3 POSTS
I have changed the Flasher, switch and fuse for my turn signal. The Hazzard lights function properly, but when I try to check my turn signal, I get nothing. Not even the associated clicking. What is my next step?
Jul 29, 2019 at 2:19 PM (Merged)
Advertisement
Avatar
DOCFIXIT
  • CERTIFIED EXPERT
  • 18,828 POSTS
Hi
The switch you replaced was that the turn signal switch assembly?
Jul 29, 2019 at 2:19 PM (Merged)
Avatar
RO_P
  • MEMBER
  • 3 POSTS
Yes, I removed the old and replaced with a new one. The wipers and cruise control both also work so I'm not thinking I have a switch issue.
Jul 29, 2019 at 2:19 PM (Merged)
Avatar
DOCFIXIT
  • CERTIFIED EXPERT
  • 18,828 POSTS
Next step then is get a wiring diagram a volt/ohm meter. And start testing all the wiring.
Jul 29, 2019 at 2:19 PM (Merged)
Avatar
RO_P
  • MEMBER
  • 3 POSTS
Thanks... I really was afraid that was the next step. There goes my weekend!
Jul 29, 2019 at 2:19 PM (Merged)