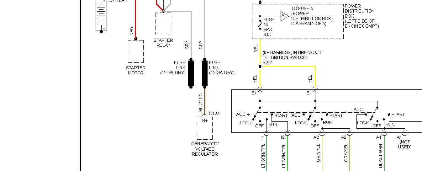
I have a 1997 ford Explorer! It was just clicking and no turning over! Put A starter on! Still clicking! Was told to peplace the starter solenoid next to the batt! Now I have no power anywhere! I used my test light and there is power from the batt to the solenoid but no light in the truck not ever the dome light! All fuses look good!!!! And yes I did disconnect the batt before i started!!!!!!!!
Feb 1, 2011 at 7:50 PM
