Hi and thanks for using 2CarPros.com.
If you are referring to the 5 amp fuse #8, there may be a water issue. There is a component under the dash called a general (generic) electronic module (GEM). Fuse 5 powers the radio, main light light switch, and remote anti-theft module. Over the years, I have found that when this type of problem occurs, it usually is related to the GEM. What I have found is this. The GEM is located under the dash on the driver's side. If there are any water leaks from the windshield, the component and connections will corrode. The result is failure of the GEM and continuous blown fuses. Take a look at the removal directions I have attached. I am not suggesting you remove it at this point, but rather check to see if there is any indication of excessive corrosion or any indication of water getting to it.
I have attached pictures which correlate with these directions. When disconnection the battery (if you remove it) make sure to start with the negative terminal. I do not like how the directions are written and may be confusing. Do not reconnect the battery until any disconnected connectors are reconnected to the GEM.
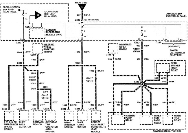
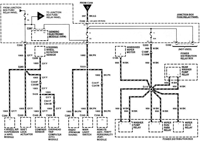
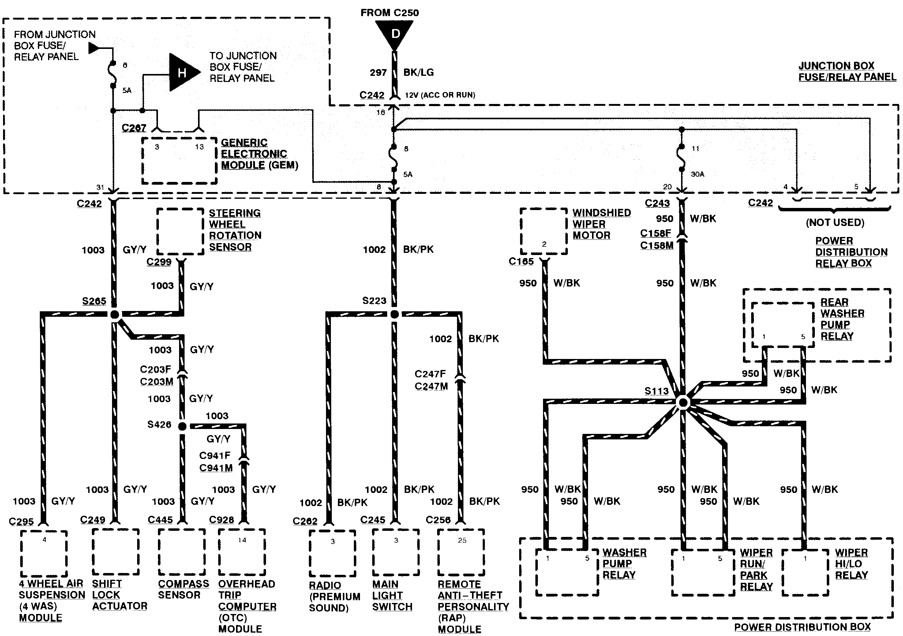
The last picture I attached is a schematic of the system related to your problem. If you take a look at it, you will see how the GEM is related. Note: The GEM is responsible for other components, but the power to it is supplied via other circuits.
___________________________
PROCEDURES
REMOVAL
1. Disconnect the positive or both battery cables.
2. Remove the cover from the instrument panel fuse junction panel.
3. Remove the lower instrument panel steering column cover.
1. Remove the six lower instrument panel steering column cover bolts.
2. Remove the lower instrument panel steering column cover.
4. Remove the two (A) bulkhead electrical connectors from the (B) instrument panel fuse junction panel.
5. Remove the two (A) instrument panel fuse junction panel bolts and remove the two (B) interior fuse junction panel nuts.
6. Disconnect the three (A) GEM electrical connectors from the (B) GEM.
7. Remove the three GEM screws and the GEM.
INSTALLATION
1. To install, reverse the removal procedure. Check for proper operation.
2. Install the lower instrument panel steering column cover.
^ Position the lower instrument panel steering column cover.
^ Install the six screws.
NOTE: When the battery is disconnected and reconnected, some abnormal drive symptoms may occur while the vehicle relearns its adaptive strategy. The vehicle may need to be driven 16 km (10 mi) or more to relearn the strategy.
Images (Click to enlarge)
Oct 28, 2018 at 7:51 PM