1997 Dodge Ram headlight switch

1997 DODGE RAM
189,000 MILES • 5.2L • V8 • 2WD • AUTOMATIC
Avatar
JJPRO22J
  • MEMBER
  • 1 POST
On my headlight switch what do the two wires on the side by themselves go to? I drive a Dodge Ram 1500 2×4
Feb 8, 2015 at 3:03 AM
Advertisement
Avatar
HMAC300
  • CERTIFIED EXPERT
  • 48,601 POSTS
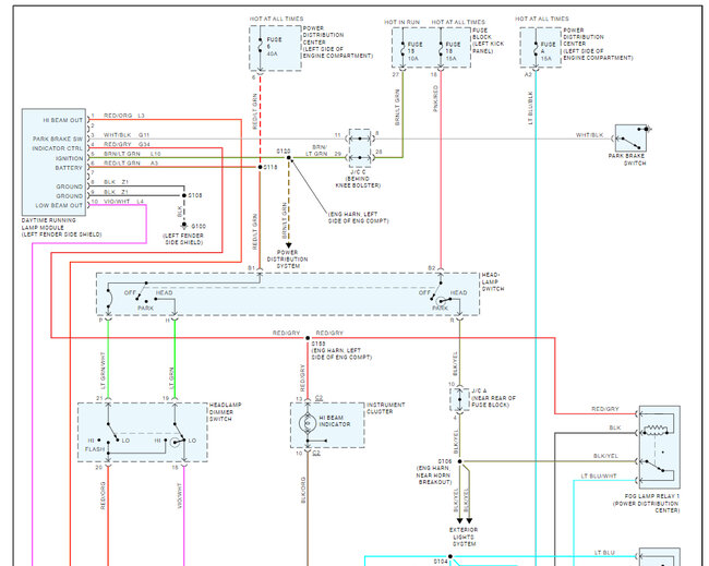
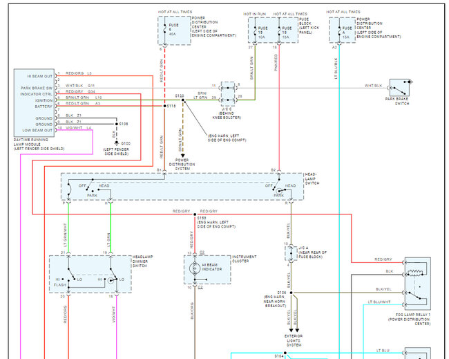
here is schematic, arrows point to hot wires.
Feb 8, 2015 at 8:28 AM
Avatar
STRAILER
  • CERTIFIED EXPERT
  • 53,855 POSTS
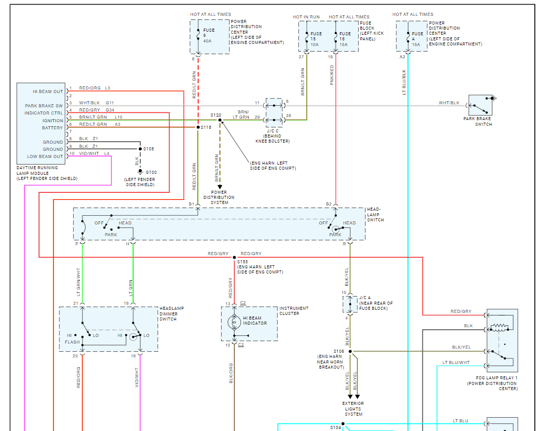
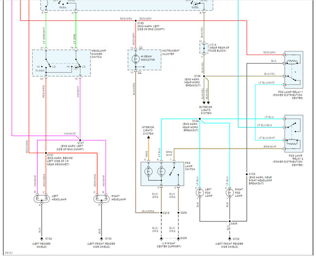
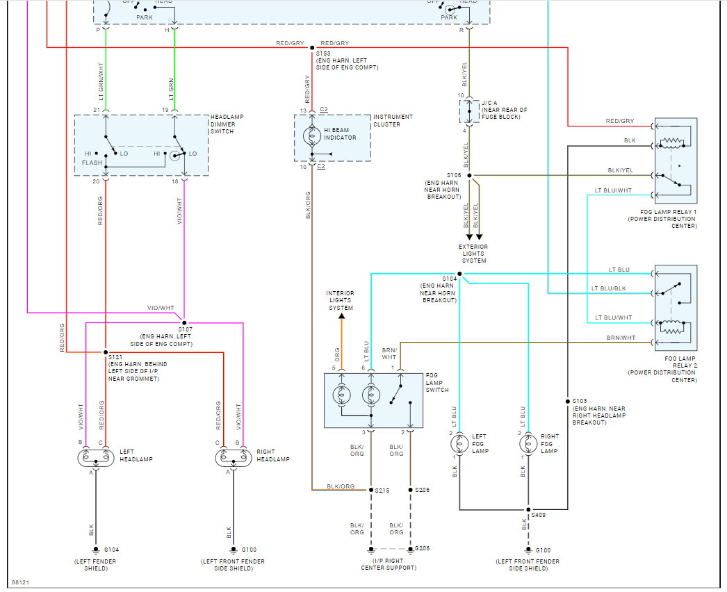
Close, here is the wiring diagrams for the headlight system so you can see how it works and which wires go to what. Also here is a guide to help with the testing of the connections.

https://www.2carpros.com/articles/how-to-check-wiring

Check out the images (below). Let us know if you need anything else.
Jul 13, 2024 at 3:03 PM
Advertisement