headlights wont come on?

1997 DODGE DAKOTA
183,000 MILES
Avatar
ANONYMOUS
  • MEMBER
  • 1 POST
So i bought the truck used everything worked great now my head lights wont come on i fueses are good highbeams work if i jam the stick but after about a hour or so they turn off and on then stay onn for. A min then repeats idk what the problem is help please
Jan 18, 2013 at 1:05 PM
Advertisement
Avatar
JDL
  • CERTIFIED EXPERT
  • 16,098 POSTS
Maybe a problem dimmer/multi-function switch? Did you test for voltage, anywhere?
Jun 26, 2020 at 12:20 PM
Avatar
JDL
  • CERTIFIED EXPERT
  • 16,098 POSTS
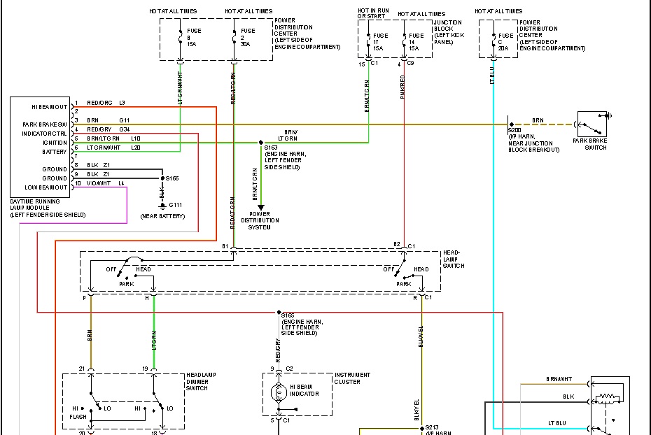
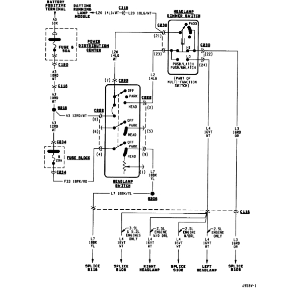
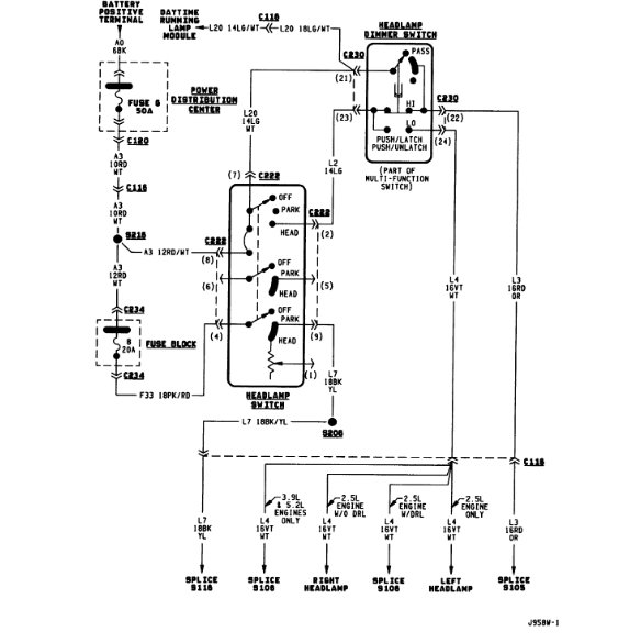
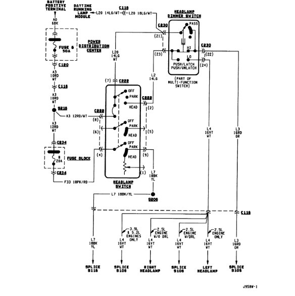
Just to add, if you fool with the steering column, disarm the air-bag first. Another thought is the headlamp switch, there is circuit breaker in the headlamp switch. Note the voltage wires in the diagram, check for voltage when problem is ongoing.
Jun 26, 2020 at 12:20 PM
Advertisement
Avatar
JDL
  • CERTIFIED EXPERT
  • 16,098 POSTS
Sorry wrong diagram.
Jun 26, 2020 at 12:20 PM
Avatar
KOTABOB
  • MEMBER
  • 1 POST
Hi, My headlights have stopped working. I have checked all my fuses and relays and all seem fine. I installed a new headlight switch and a new multifunction switch and still no low beam lights. If I pull the high beams back the high beams come on but they go off when I let the switch go so they do not stay on. I also noticed when the high beams go on the fog lights go off but the fog lights and all other lights work fine aside from when the high beam is turned on. I hear the Dakota lights run off the computer but also hear that wasn't the case for the 1997 model so I'm unsure on that. If it is the computer and I get an aftermarket how do I get it working correctly for my Dakota? Any help or advice would be greatly appreciated!
Aug 30, 2020 at 10:21 AM (Merged)
Avatar
CARADIODOC
  • CERTIFIED EXPERT
  • 34,308 POSTS
Yes, the insane engineers have seen fit to hang an unnecessary, unreliable, expensive computer onto every conceivable system, but luckily your truck still has a common sense and simple circuit. The "flash-to-pass" is on a separate part of the headlight switch. If the high beams work normally, the headlight switch is okay. Since the flash-to-pass function works, we know the 30 amp fuse has to be okay too.

If the high beams work properly, (not the flash-to-pass function), go to the next paragraph. If the low and high beams do not work, go to the headlight switch or the dimmer switch and check for voltage on the light green wire. You should find 12 volts there with the headlight switch turned on.

If you have voltage coming out of the headlight switch, check on the red/orange and violet/white wires at the multi-function switch. One or the other should have 12 volts when you activate the dimmer switch. Let me know what you find missing.
Aug 30, 2020 at 10:21 AM (Merged)
Avatar
ROYHOLLAWAY
  • MEMBER
  • 1 POST
1995 Dodge Dakota

my headlights arent working i tried replacing the bulbs and i checked the small fuses in the truck and nothings working
Aug 30, 2020 at 10:21 AM (Merged)
Avatar
JACOBANDNICKOLAS
  • CERTIFIED EXPERT
  • 110,175 POSTS
Are the parking lights, rear lights, license plate lights working? Have you checked the headlight socket for power? Have you checked the switch itself?
Aug 30, 2020 at 10:21 AM (Merged)
Avatar
TONY1995
  • MEMBER
  • 5 POSTS
The headlights in my vehicle went out. I could use the high beams if I pulled back on the dimmer lever on the steering column. I replaced the switch and the low beams worked however the parking lights would flash for about ten seconds or so if you opened the doors or when you shut the vehicle off.

I got up this morning and the truck won’t start it seems like something drained the battery overnight. This is the only vehicle that I have so I need help, please.
Aug 30, 2020 at 10:21 AM (Merged)
Avatar
ASEMASTER6371
  • CERTIFIED EXPERT
  • 52,796 POSTS
Good morning,

I attached a wire diagram of the headlight switch. You need to verify power coming out of the switch for the headlights and park lights in the on position.

https://www.2carpros.com/articles/how-to-check-wiring

if all outputs are good, you have a wiring issue to the lights.

As far as the dead battery, it sounds like you have a parasitic draw test done to see what has caused the battery to drain.

https://www.2carpros.com/articles/car-battery-dead-overnight

Roy
Aug 30, 2020 at 10:21 AM (Merged)
Avatar
TONY1995
  • MEMBER
  • 5 POSTS
I checked now and all the lights come on but when you turn the key nothing happens, however you do hear a clicking noise coming from the dash.
Aug 30, 2020 at 10:21 AM (Merged)
Avatar
ASEMASTER6371
  • CERTIFIED EXPERT
  • 52,796 POSTS
Are we talking about a new issue?

What are the results of the lights issue?

Roy
Aug 30, 2020 at 10:21 AM (Merged)
Avatar
TONY1995
  • MEMBER
  • 5 POSTS
Yes, after replacing the headlight switch yesterday everything worked. A new issue came up which was the parking lights would flash after you shut the truck off or opened and closed the doors.

This morning the lights all still work but whenever you turn the key the truck does nothing. It makes no noise but the gauges all light up.

I’m lost.
Aug 30, 2020 at 10:21 AM (Merged)
Avatar
ASEMASTER6371
  • CERTIFIED EXPERT
  • 52,796 POSTS
Do you have an alarm system in the truck? that would explain the lights flashing on and off.

did you check the battery voltage? use a voltmeter and check the voltage.

Roy
Aug 30, 2020 at 10:21 AM (Merged)
Avatar
SHEILA HOLMES
  • MEMBER
  • 1 POST
Headlights, brake lights, horn not working. I already replaced the switch.
Aug 30, 2020 at 10:21 AM (Merged)
Avatar
CARADIODOC
  • CERTIFIED EXPERT
  • 34,308 POSTS
Those are three different switches. With multiple non-working systems, start by checking the large fuses in the under-hood fuse box. You need to list the engine size and transmission type so I can look up the correct wiring diagram.
Aug 30, 2020 at 10:21 AM (Merged)
Avatar
TONY1995
  • MEMBER
  • 5 POSTS
There is no alarm system according to the previous owner and the voltage was around 13. the guy that just checked it said and it stayed strong under a load.
Aug 30, 2020 at 10:21 AM (Merged)
Avatar
ASEMASTER6371
  • CERTIFIED EXPERT
  • 52,796 POSTS
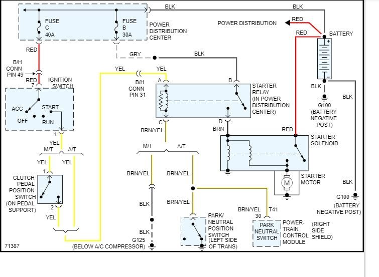
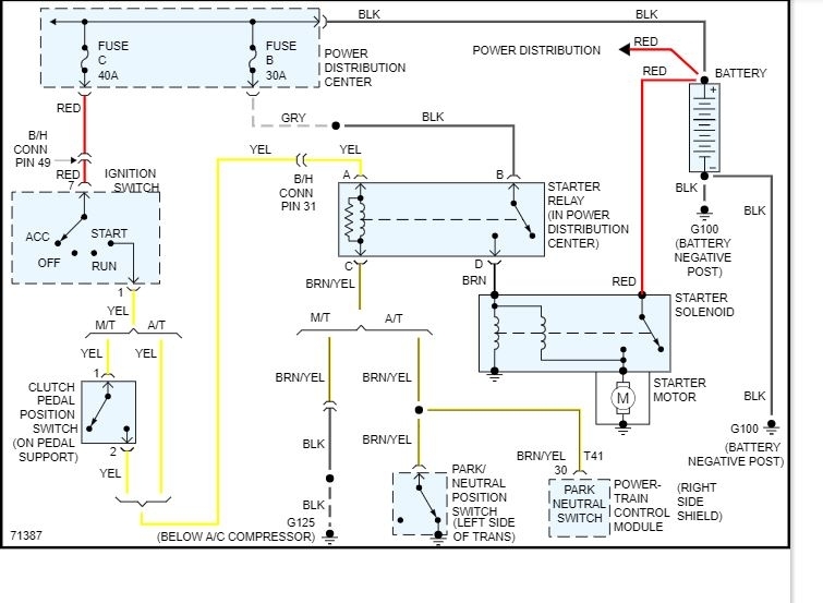
Okay, then we need to look at the starting system.

remove the relay and test for power with the key on. terminal 30 should have power.

then turn the ignition to start and terminal 85 should have power as well.

Roy
Aug 30, 2020 at 10:21 AM (Merged)
Avatar
TONY1995
  • MEMBER
  • 5 POSTS
I eventually found a Viper black box up in the dash above and behind the fuse box. I don’t know what it is for but it apparently had a loose connection because after messing with the plug ins the truck started and has continued to start.

Does anybody know what this box might be for? I’m thinking that I would like to find someone who can remove it.
Aug 30, 2020 at 10:21 AM (Merged)
Avatar
ASEMASTER6371
  • CERTIFIED EXPERT
  • 52,796 POSTS
Viper is a brand of an alarm system.

Any place that installs alarm systems can remove it for you.

Roy
Aug 30, 2020 at 10:21 AM (Merged)
Avatar
BUBBAJUNKIN
  • MEMBER
  • 2 POSTS
While driving at night headlights will sometimes just go out. They come back on when I turn the headlight switch off and back on quickly. It seems to happen when high beams are on and after driving for 15-30 minutes. I thought it was the new bulbs I put in (Sylvania Xtravision) so put regular bulbs back in. But no, it still happens. Could this be a relay or the cartridge fuse? About a year ago I gave someone a jump for his dead battery and have had electrical problems since then.
Alternator, blower motor and now this. Could jumping another car do this? I know it's an old vehicle, but otherwise in good shape.
Thank you,
Kevin
Aug 30, 2020 at 10:21 AM (Merged)
Avatar
CARADIODOC
  • CERTIFIED EXPERT
  • 34,308 POSTS
There's a thermal cutout inside the headlight switch that can develop pitted or arced contacts. That added resistance causes heat which makes it easier for it to cut out. Adding the higher current drawn by brighter bulbs adds to the problem.

There can also be overheated terminals in the switch connector and that part of the plastic connector body will melt. That is fixed with a new switch, and the overheated terminals are cut out of the connector, along with 4" of the overheated and hardened wire, then separate terminals are plugged in and new pieces of wire are spliced in.

The dimmer switch can cause that too, but it's much more commonly caused by the headlamp switch. To prove it before you spend money on parts, you can pull the switch out to access the terminals in the connector, and monitor the voltage on the 12 volt feed wire and the one going out to the dimmer switch. If voltage remains steady on the feed wire but disappears on the other one when the headlights go off, that's proof the switch is the cause.
Aug 30, 2020 at 10:21 AM (Merged)
Avatar
DIRTY TURTLE
  • MEMBER
  • 2 POSTS
i have a 1991 dodge Dakota and the front and back lights went out everything else works fine electrically. i replaced the headlight switch and nothing happened with the lights. I don't know where else to look.
Aug 30, 2020 at 10:21 AM (Merged)
Avatar
JDL
  • CERTIFIED EXPERT
  • 16,098 POSTS
Did you check for voltage to and from the light switch?
Aug 30, 2020 at 10:21 AM (Merged)
Avatar
JDL
  • CERTIFIED EXPERT
  • 16,098 POSTS
Check fuse G in the power distribution center, under the hood. The headlamp switch is in the diagram. Use a voltage tester.
Aug 30, 2020 at 10:21 AM (Merged)
Avatar
DIRTY TURTLE
  • MEMBER
  • 2 POSTS
i checked fuse G and all others they are in working order and if u are talking about the light switch to the left of the steering wheel that also has power going to it.
Aug 30, 2020 at 10:21 AM (Merged)
Avatar
JDL
  • CERTIFIED EXPERT
  • 16,098 POSTS
Do the head lites work? If not, I'd check feed to and from the dimmer switch, for voltage. Under the dash, there is probably a multiwire connector, for the wires to and from the dimmer switch. The wire colors are in the diagram.
Aug 30, 2020 at 10:21 AM (Merged)
Avatar
WINGSPAN
  • MEMBER
  • 3 POSTS
Both headlights quit working about a month ago at same time. Headlights are good. Fuse is good. I replaced switch, didn't help. There's 12V Dc to fuse and through fuse to Switch on terminals B1, B2 & B3. Parking lights, dash lights and dome light all work fine. ( there on the same switch ) Everything else in truck works fine just headlights are out. Vehicle is a California model bought here in Cal. Is there a seperate circuit breaker some were in truck? What else is in circuit after switch ?


https://www.2carpros.com/forum/automotive_pictures/150997_pod_1.jpg

Aug 30, 2020 at 10:21 AM (Merged)
Avatar
2CARPRO JACK
  • CERTIFIED EXPERT
  • 11,533 POSTS
Did you test for power at the headlights with atest light? If none present, is most likely th edimmer switch. Looks like the headlight power goes through it before the lights
Aug 30, 2020 at 10:21 AM (Merged)
Avatar
WINGSPAN
  • MEMBER
  • 3 POSTS
You were right. It was the dimmer switch.

It's a combo .. dimmer, turn signals, wipers & flashers unit.

$54 and all is well. Thanks for tip.
Aug 30, 2020 at 10:22 AM (Merged)
Avatar
2CARPRO JACK
  • CERTIFIED EXPERT
  • 11,533 POSTS
Glad to hear it
Aug 30, 2020 at 10:22 AM (Merged)