fuel pump and engine wiring diagram?

1997 CHEVROLET LUMINA
150,000 MILES
Avatar
DALEBOUCHSR
  • MEMBER
  • 1 POST
what color wire is the power wire on the fuel pump and what voltage should it have
Dec 11, 2012 at 3:25 PM
Advertisement
Avatar
HMAC300
  • CERTIFIED EXPERT
  • 48,601 POSTS
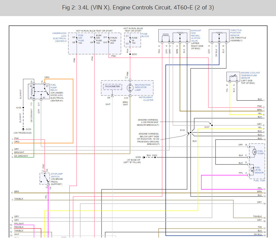
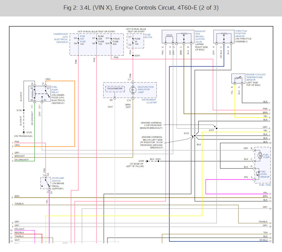
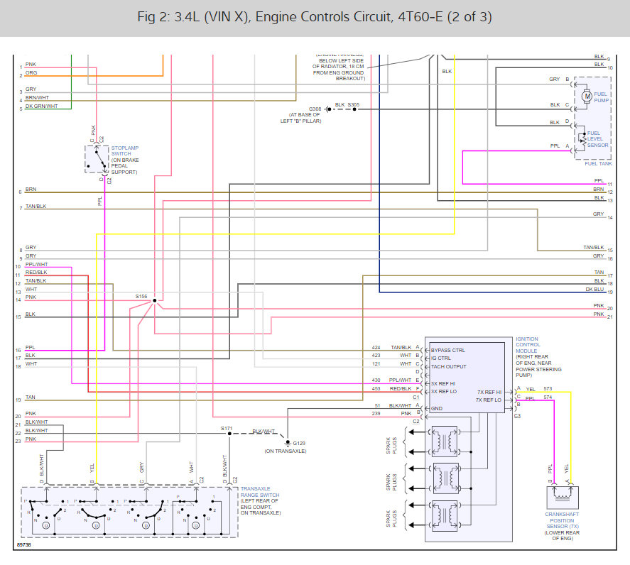
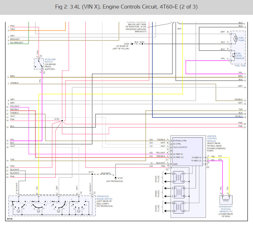
it's a gray wire and should have 12 volts. that is by the tank. check fuse and relay under hood first though.unless engine has oil pressure there won't be any power to pump or when relay is active for first 2-3 seconds of key on. Here is the fuel pump wiring diagrams in the images below and a guide to help you test for power

https://www.2carpros.com/articles/how-to-use-a-test-light-circuit-tester

Check out the diagrams (Below). Please let us know what you find.

Dec 11, 2012 at 5:25 PM
Avatar
ARIZONA1
  • MEMBER
  • 1 POST
Weeks after an accident, sparks came out from the hood of my car, the car stalled and lost all power, and a small fire began. The fire was put out in minutes, but (clearly) the car would not run. It was towed to a local repair shop.
I need to know what would cause such a fire, what sort of damage could be caused to wiring/cables in such a fire, the approximate cost of repairing such damage, etc...I'm not very knowledgeable when it comes to these things and would like to know that whatever I'm told by the mechanic sounds reasonable.
May 2, 2020 at 11:04 AM (Merged)
Advertisement
Avatar
MHPAUTOS
  • CERTIFIED EXPERT
  • 31,937 POSTS
Hi there,

An electrical fire would normally be set off by a power short to earth, this will heat up the wire and ignite the plastic outer cover. The repair will be determined by how much of the loom was affected, Check around the damaged section of the car foe a damaged wire, this may be the starting point of you trouble.

mark (mhpautos)
May 2, 2020 at 11:04 AM (Merged)