1997 Chevrolet Lumina cars a/c

1997 CHEVROLET LUMINA
152,000 MILES • 3.1L • 6 CYL • 2WD • AUTOMATIC
Avatar
KESHAUN
  • MEMBER
  • 1 POST
I just recently had Freon put in car cool air is blowing but not from the car vents what could this be
Jun 10, 2014 at 3:26 PM
Advertisement
Avatar
HMAC300
  • CERTIFIED EXPERT
  • 48,601 POSTS
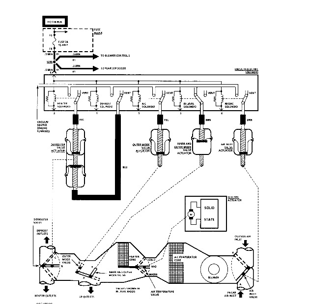
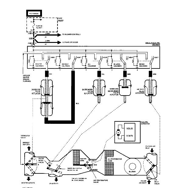
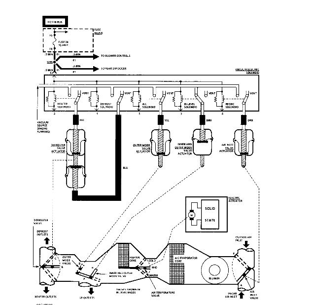
check for a vacuum leak start at engine then check vacuum motors on heater see if they are getting vacuum to work them
Jun 10, 2014 at 4:21 PM