A TSB was issued on such problem. Check if it is applicable.
SPECIAL POLICY ADJUSTMENT - WINDSHIELD WIPER MOTOR FAILURES
SERVICE CAMPAIGN BULLETIN
Reference Number(s): 02054A, Date of Issue: 04/09/2003
CHEVROLET:
1996-1997 Blazer
SECTION:Special Policy Adjustment
Superceded Bulletin(s): 02054, Date of Issue: February, 2003
Related Ref Number(s): 02054, 02054A
ARTICLE BEGINNING
CONDITION
Some customers of 1996-1997 Chevrolet Blazer may experience a windshield wiper failure due to cracked solder joints on the controller circuit board.
SPECIAL POLICY ADJUSTMENT
This special policy covers the condition described above for a period of 7 years or 70,000 miles (112,000 km), whichever occurs first, from the date the vehicle was originally placed in service, regardless of ownership, or for those vehicles currently outside of this coverage, until February 29, 2004. The repairs will be made at no charge to the customer.
For vehicles covered by Vehicle Service Contracts, all eligible claims with repair orders on or after February 21, 2003, are covered by this special policy and must be submitted using the labor operation codes provided with this bulletin. Claims with repair orders prior to February 21, 2003 must be submitted to the Service Contract provider.
PARTS INFORMATION
Parts required to complete this special policy are to be obtained from General Motors Service Parts Operations (GMSPO).
PARTS INFORMATION
SERVICE PROCEDURE
1. Turn the ignition key to the OFF position.
2. Remove the Connector Position Assurance (CPA) and disconnect the wiper motor electrical connector.
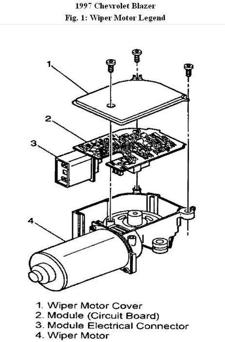
3. Remove the three screws that secure the cover to the wiper motor and remove the cover. Fig. 1
4. Inspect for sealant on the inside of the cover and then discard the cover and screws.
NOTE:
If sealant was found on the old cover, it will be necessary to remove any old sealant from the motor housing in Step 6.
5. Carefully remove the module (circuit board) from the wiper motor by lifting up on the end of the module electrical connector.
6. If necessary, remove any old sealant from the wiper motor housing (refer to Step 4).
NOTE: When handling the new module in the next step, be careful not to damage or bend the electrical contacts on the bottom side of the module.
7. Install the module into the wiper motor housing, making sure that the module is fully seated. When fully seated, the edges of the module circuit board will be flush (even) with the motor housing along all sides.
8. Carefully apply a bead of silicone sealant, P/N 12345739 (or GE-162 sealant of the equivalent) in the groove of the NEW cover (Fig. 2 ). Remove any excess sealant that is outside of the groove.
NOTE: Only apply enough sealant to fill the groove in the cover.
9. Install the new cover on the wiper motor housing and install the three new screws. Tighten the screws to 2.6 N.m (23 lb in).
10. Reconnect the wiper motor electrical connector to the wiper motor assembly and install the CPA.
11. Turn the ignition key to the ON position and check the wiper system for proper operation (delay/low/high/etc.).
© 2008 Mitchell Repair Information Co., LLC.
Images (Click to enlarge)
Dec 25, 2010 at 9:58 AM