Running lights not working?

1997 CHEVROLET 1500
198,000 MILES
Avatar
  • MEMBER
  • 1 POST
no running lights.
May 2, 2023 at 6:22 PM
Advertisement
Avatar
JACOBANDNICKOLAS
  • CERTIFIED EXPERT
  • 110,175 POSTS
Hi,

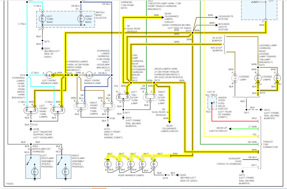
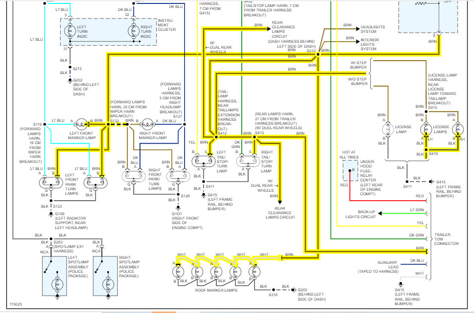
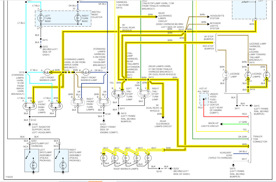
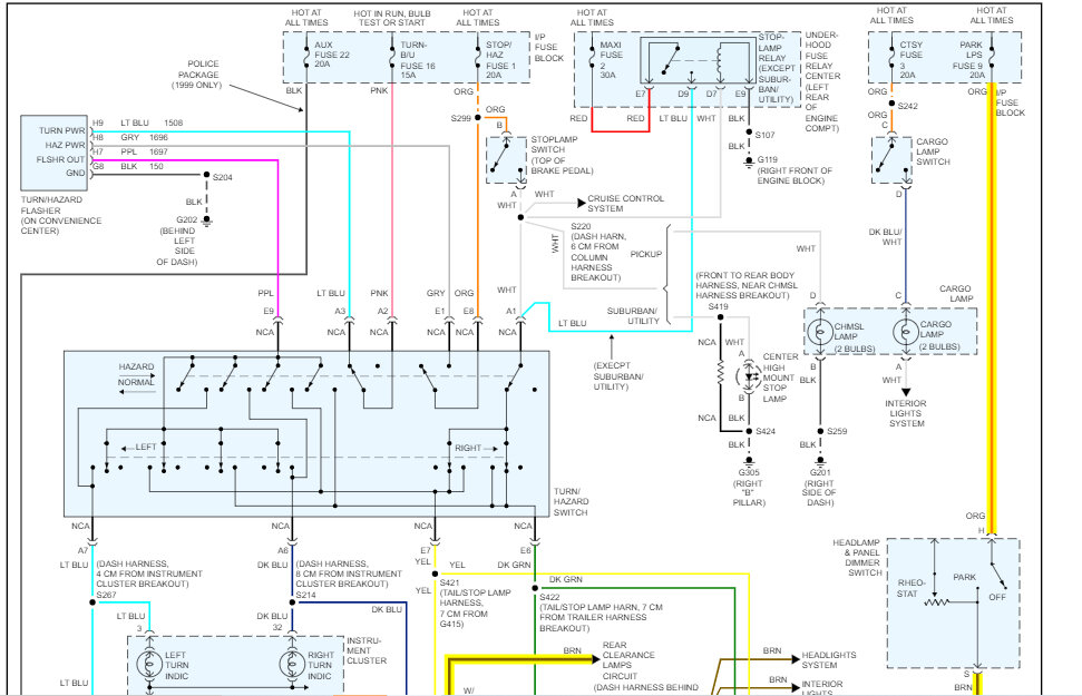
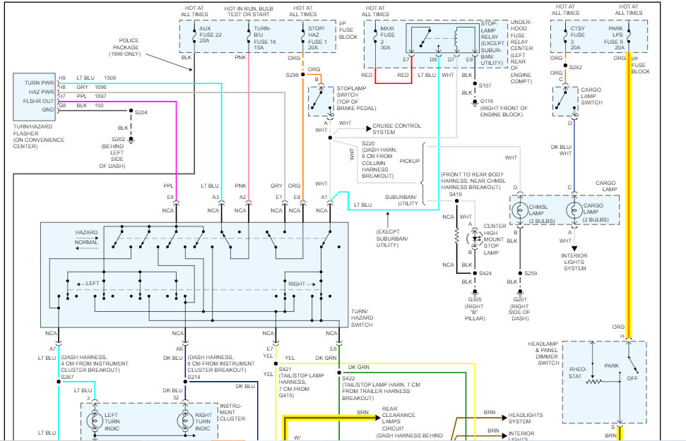
If none of the parking lamps are working, check fuse 9 in the instrument panel fuse box. That fuse is for the parking lamp circuit.

When you check this fuse, confirm there is power to and from it as well.

Here is a link you may find helpful:

https://www.2carpros.com/articles/how-to-check-a-car-fuse

I attached the exterior lighting schematic below, so you have a reference. Additionally, I attached a pic of the fuse box and highlighted the fuse.

Let me know what you find.

Take care,

Joe

See pic below.
May 2, 2023 at 8:33 PM