change a shift solenoid

1997 BUICK LESABRE
219,000 MILES
Avatar
ANONYMOUS
  • MEMBER
  • 1 POST
How to change a shift solenoid?
Jan 22, 2013 at 4:53 AM
Advertisement
Avatar
STRAILER
  • CERTIFIED EXPERT
  • 53,855 POSTS
Hello,

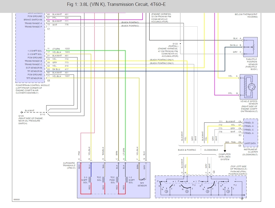
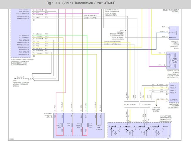
You must drop the pan and locate the solenoid (13, 23, 30 and 44) in the valve body, here is a wiring diagram so you can tell which is which and a picture of the valve body to help you with the repair. Check out the diagrams (Below). Please let us know if you need anything else to get the problem fixed.
Dec 15, 2016 at 9:40 AM