☰
Login
Join
×
Home
Answered Questions
Repair Topics
Repair & Service Guides
Popular Questions
Warning Lights
Trouble Codes
How It Works
Testing / Diagnostics
Symptoms
Videos
Login
Become a Member
Home
Buick
Century
Engine
Wiring
wiring diagram
1997 BUICK CENTURY
100,000 MILES • 4 CYL • 2WD • AUTOMATIC
[email protected]
MEMBER
10 POSTS
FOLLOW
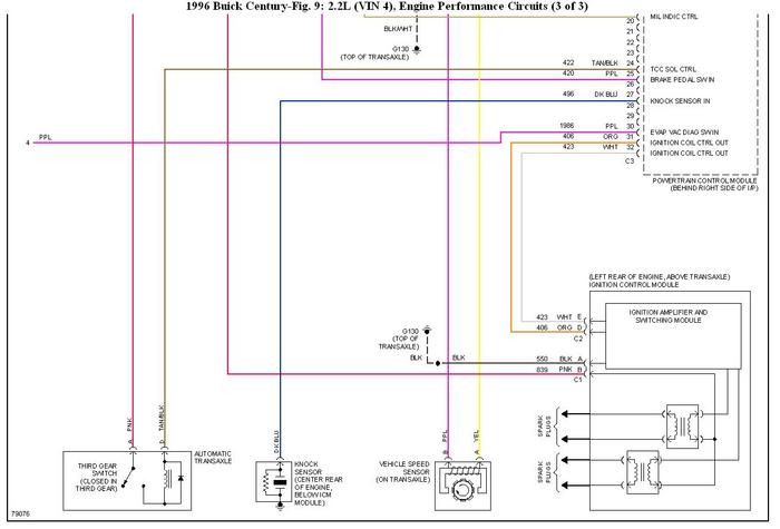
i need a ccm wiring diagram for a 1997 buick century 2.2l engine.
Dec 29, 2010 at 4:52 PM
Advertisement
KHLOW2008
CERTIFIED EXPERT
41,814 POSTS
What do you mean by CCM?
Dec 29, 2010 at 7:35 PM
[email protected]
MEMBER
10 POSTS
ccm is a computer control module.
Dec 29, 2010 at 8:43 PM
Advertisement
KHLOW2008
CERTIFIED EXPERT
41,814 POSTS
Our site is a forum and not live chat so delays do occur, furthermore this being the holiday period, some of our technicians are not around.
Attached are the diagrams you requested for.
Happy New Year.
Images (Click to enlarge)
Dec 30, 2010 at 1:48 PM