Can't find Vehicle Speed Sensor

1996 TOYOTA TACOMA
120,000 MILES • 6 CYL • 4WD • MANUAL
Avatar
HIGHQUALITYNOW
  • MEMBER
  • 1 POST
Where is the vehicle speed sensor in my 1996 toyota tacoma V6 4wd?
Feb 12, 2011 at 5:29 PM
Advertisement
Avatar
KASEKENNY
  • CERTIFIED EXPERT
  • 18,907 POSTS
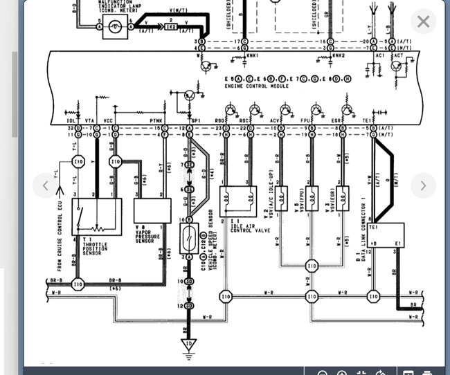
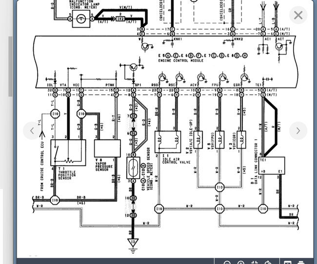
The vehicle speed sensor is going to be in about the same place but different depending on which transmission you have, 340E or F.

I am attaching the info below but here is a guide that we will need to test the sensor:

https://www.2carpros.com/articles/how-to-check-wiring

I am attaching the process below on how to change it and the location. Plus, the wiring diagram.

Please let us know what questions you have, and we can go from there.

Thanks
Feb 2, 2022 at 6:45 PM