WHERE IS THE STARTER RELAY LOCATED

1996 SATURN SL1
87,000 MILES
Avatar
RON DEVERGILES
  • MEMBER
  • 1 POST
It is part of the engine management & ignition system located somewhere between the ignition switch and the starter. Under dash,under hood, on firewall ??????????????
Feb 20, 2012 at 6:19 PM
Advertisement
Avatar
HMAC300
  • CERTIFIED EXPERT
  • 48,601 POSTS
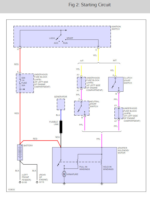
There is no starter relay for the car but there is a starter solenoid which does the same thing here is a wiring diagrams so you can see for yourself.

If you need to replace the starter this guide will help.

https://www.2carpros.com/articles/how-to-replace-a-starter-motor

Check out the diagrams (Below). Please let us know what happens.

Cheers
Feb 20, 2012 at 9:11 PM
Avatar
BACK-YARD2
  • MEMBER
  • 1 POST
Thank you the starter was bad FYI
Dec 24, 2017 at 2:56 PM (Merged)
Advertisement
Avatar
SATURNTECH9
  • CERTIFIED EXPERT
  • 30,869 POSTS
Nice work, we are here to help, please use 2CarPros anytime.

Cheers
Dec 24, 2017 at 2:56 PM (Merged)