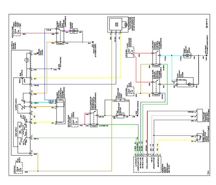
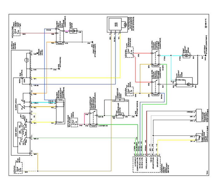
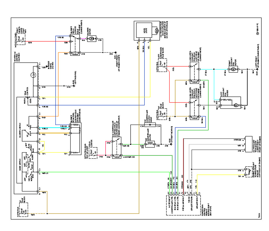
I know there is no power going to the coil circuit in the relay. I'm not sure where that power comes from. I'm also sure there is no power at the dash board.
Dec 19, 2011 at 2:26 PM

