just need the location of the idle air control is located at this vehicle. Thanks 2carpros.
Dec 26, 2011 at 6:48 AM
Advertisement
ASEMASTER6371
CERTIFIED EXPERT
52,796 POSTS
it is on the throttle body. there is a throttle position sensor and a idle air control. if you are replacing it, match the new to the old.
Roy
Dec 26, 2011 at 6:55 AM
RASMATAZ
CERTIFIED EXPERT
75,992 POSTS
Its located on the throttle body
Dec 26, 2011 at 7:03 AM
Advertisement
BERSYL671
MEMBER
55 POSTS
HI and thank you for the answer. BUt may i get a diagram of it of the idle air control and also the timing marks diagram for the same vehicle
Dec 27, 2011 at 1:55 AM
KHLOW2008
CERTIFIED EXPERT
41,814 POSTS
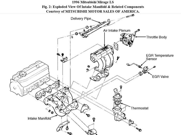
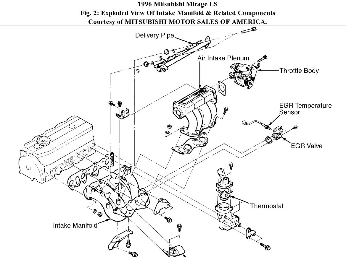
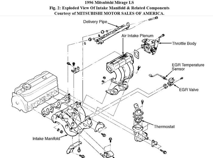
The ISC is attached to lower portion of throttle body. It has 2 coolant hoses to it and has a socket plugged to it from rear side, near to firewall.
Images (Click to enlarge)
Dec 27, 2011 at 2:52 PM
BERSYL671
MEMBER
55 POSTS
hi and thank you for the reply but now i need the firing order of the same vehicle. if you have the diagram then that would be a great help. And thank you again 2carpros.
Dec 29, 2011 at 7:12 AM
KHLOW2008
CERTIFIED EXPERT
41,814 POSTS
Refer to diagram.
Image (Click to enlarge)
Dec 29, 2011 at 12:21 PM
BERSYL671
MEMBER
55 POSTS
H im sorry but the diagram you sent me is for a 1.8L my vehicle is a 1.5L. Can you send me the 1.5L for the same vehicle. THANKS AGAIN.
Dec 30, 2011 at 7:27 AM
KHLOW2008
CERTIFIED EXPERT
41,814 POSTS
Kindly take note that the timing belt diagram for precious post is also for the 1.8L. Refer to new diagram attached.