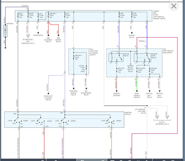
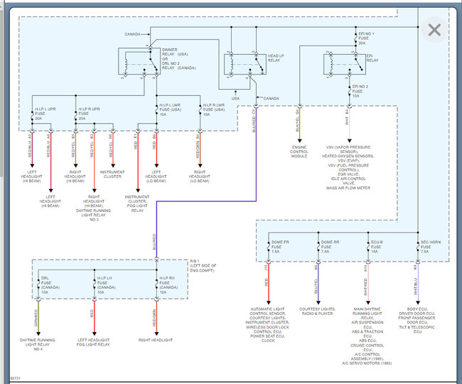
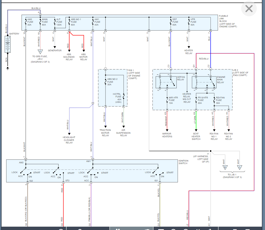
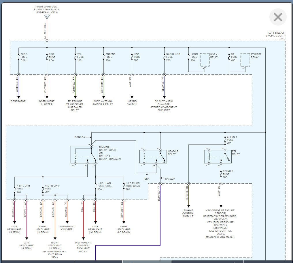
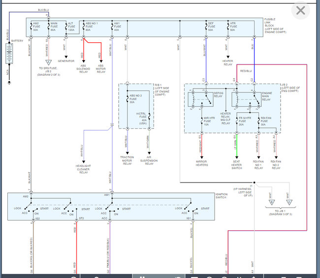
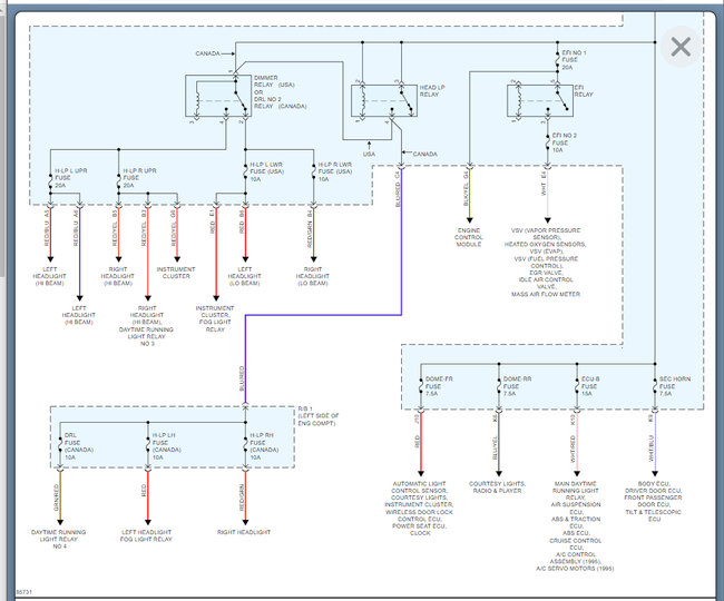
Please let us know what relays you are not getting power to and we will have a better idea what the issue is.
However, I am attaching all the info needed to figure out what the issue is including this guide on how to check and replace relays and fuses.
https://www.2carpros.com/articles/how-to-check-a-car-fuse
https://www.2carpros.com/articles/how-to-check-an-electrical-relay-and-wiring-control-circuit
Below you will find the wiring diagrams needed for the power flow which will show each of the relays and the fuses that feed them.
Please let us know what questions you have and we can go from there. Thanks
Images (Click to enlarge)
Sep 25, 2021 at 7:58 PM