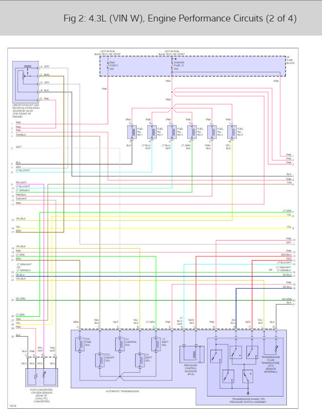
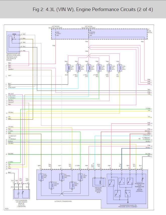
Fuel pump went out. (Tested-it was dead) Replaced fuel pump. Still no fuel. Tested new pump. Works when hot ran straight from bat. Fuse in regular dash fuse panel is good. Swapped out relay in glove box. Still no power to fuel pump.
Is there another fuse? Or some other sensor that would cause loss of power?
Is there another fuse? Or some other sensor that would cause loss of power?
Mar 23, 2014 at 12:03 PM



