fuel pump relay location

1996 GMC JIMMY
6 CYL • 4WD • AUTOMATIC
Avatar
BACHELDER
  • MEMBER
  • 3 POSTS
Which of the three relays in glove box runs fuel pump?
Jan 19, 2011 at 11:48 PM
Advertisement
Avatar
RASMATAZ
  • CERTIFIED EXPERT
  • 75,992 POSTS
Hello,

Here is a guide that will help you test the relay with diagrams below to show the location.

https://www.2carpros.com/articles/how-to-check-an-electrical-relay-and-wiring-control-circuit

Check out the diagrams (Below). Please let us know if you need anything else to get the problem fixed.

Jan 19, 2011 at 11:55 PM
Avatar
JIMMY GUY
  • MEMBER
  • 1 POST
I have a 88 jimmy and i have have just replced the fuel pump, soon as i hook the battery up the pump
started to run , i then started my truck it ran fine but when i shut it off the pump kept running i then dissconnected the relay but the pump never shut off
the relay was bunched in a set of three over the left wheel wheel is that even the relay how can i get the fuel pump to run normal o ya the old pump did the same thingi just bipassed it with a switch i want it back to normal also my gauge for gas doesnt read is it related to the pump running constant ?
Jan 18, 2019 at 6:23 PM (Merged)
Advertisement
Avatar
RASMATAZ
  • CERTIFIED EXPERT
  • 75,992 POSTS
The orange and gray wire at the fuel pump relay is shorted together
Jan 18, 2019 at 6:23 PM (Merged)
Avatar
RHETT
  • MEMBER
  • 1 POST
My jimmy ran out of gas and i was trying to start it. So i put 4 gal. of gas in it and now the fuel pump wont run. THE RELAY HAS POWER, and i replaced it so its new,but it does not engage to prime for the 2 sec. when turning on the key. I took of the cover and engaged it manually but pump still does not run. I used my test light at the pump and its getting power when i engage the relay manually. Im prity sure i need a new pump, but why doesnt the relay work right when i turn key on ???
Jan 18, 2019 at 6:23 PM (Merged)
Avatar
JACOBANDNICKOLAS
  • CERTIFIED EXPERT
  • 110,175 POSTS
If you are getting power to the pump and it doesn't run, you are correct. The pump is most likely bad.
Jan 18, 2019 at 6:23 PM (Merged)
Avatar
TIMBOIFL
  • MEMBER
  • 1 POST
My jimmy ran fine this morning, i made several stops without any problems. When i returned home, and was heading back out the car would not start. it would turn over, however it would not start. After spraying starter fluid in the intake to car ran briefly then stalled. I checked the fuse under the hood and it was good.
Before replacing the fule pump, i would like to know if it could be the relay. I saw a site on line that said it was in the glove box however it does not seame to be there.
does the 2001 model in fact have a fule pump relay and if so where would it be?
Jan 18, 2019 at 6:23 PM (Merged)
Avatar
RASMATAZ
  • CERTIFIED EXPERT
  • 75,992 POSTS
Welcome to 2carpros and TY for the donation

Do you hear the fuel pump come for a few secs if not check and test the ECM B fuse 20amp and the fuel pump relay both located in the underhood fuse block, IF so check the fuel pressure if its within specs and for injection pulses from the injector/s
Jan 18, 2019 at 6:23 PM (Merged)
Avatar
AZMATEOV12
  • MEMBER
  • 1 POST
my truck that i just bought will not send fuel after key on and fuel pump runs for a few seconds then shuts off, ive replace the pump,sending unit and fuel pump relay. i still have no pressure or fuel at shrader valve behind the plenum. please help. i need to get to work.
Jan 18, 2019 at 6:23 PM (Merged)
Avatar
RASMATAZ
  • CERTIFIED EXPERT
  • 75,992 POSTS
No pressure after new pump installed could be the fuel pump itself again-recheck the fuel pressure with a fuel pressure gauge designed for your fuel system
Jan 18, 2019 at 6:23 PM (Merged)
Avatar
SHAWNTHOME
  • MEMBER
  • 6 POSTS
truck was running fine stopped to get gas and would not start. fuses and relay good. replaced the oil pressure switch still nothing. it turns over but does not start. the key gets stuck every time. something has shut the fuel pump off is there something else to check before i can say its actually the fuel pump.is there a cutoff switch or reset switch. or another relay somewhere i cant find. looked behind glove box nothing there.
Jan 18, 2019 at 6:23 PM (Merged)
Avatar
JDL
  • CERTIFIED EXPERT
  • 16,098 POSTS
Hello, when you first turn the key on, no crank, can you hear the pump run for a couple seconds? Did you check the circuits at the fuel pump relay? With the engine cranking, do you have spark at the plugs? If you have good B+ and ground at the pump and no pump action, sounds like the pump.
Jan 18, 2019 at 6:23 PM (Merged)
Avatar
SHAWNTHOME
  • MEMBER
  • 6 POSTS
it does turn over but not start, cant hear fuel pump. what circuits do i check. is it possible for a fuel pump to go out just like that. or because of the fact that my key gets stuck all the time could it be a security issue shutting down the fuel pump
Jan 18, 2019 at 6:23 PM (Merged)
Avatar
JDL
  • CERTIFIED EXPERT
  • 16,098 POSTS
The theft system shouldn't shut down the pump. Pull the fuel pump relay, have helper turn key to crank, use testlite, check the terminals where the relay plugs in, two terminals should be hot.

My info shows a fuel pump prime connector, doesn't give exact location, maybe near the underhood fuse box. Gray wire with connector, nothing plugged into the connector, should be in plain site, not covered-up. Use a jumper wire, run voltage to the connector, I always say to use an inline fuse on the jumper, pump should run, don't need to use the key. It's just a test circuit for the pump. Or, with the relay unplugged, place a jumper across the terminals for the load side of relay, the pump should run. The relays usually have a diagram on them? If you use a jumper on anything make sure you have the correct terminals.
Jan 18, 2019 at 6:23 PM (Merged)
Avatar
SHAWNTHOME
  • MEMBER
  • 6 POSTS
well replaced fuel pump and wire harness still nothing. is there something in the ignition system that could cause no power to the fuel pump.
Jan 18, 2019 at 6:23 PM (Merged)
Avatar
JDL
  • CERTIFIED EXPERT
  • 16,098 POSTS
when you first turn the key on, no crank, the pump should prime for a couple seconds. With the engine cranking, if there is no rpm signal and no oil pressure switch in the pump circuit, my info didn't show an o/p switch in the pump circuit, the pump won't run.

Did you check the circuits at the fuel pump relay??
Jan 18, 2019 at 6:23 PM (Merged)
Avatar
SRAMAN
  • MEMBER
  • 13 POSTS
I am working on a GMC Jimmy fuel pump assembly replacement where my first instinct was to check relays, fuses and make sure there was spark before I moved on to the fuel pump. After replacing the fuel pump assembly, the car still is not starting. I do not hear the fuel pump coming on as i engage the key. Is there a fuel pump shut off in this vehicle that I might not be aware of ?
Jan 18, 2019 at 6:23 PM (Merged)
Avatar
WRENCHTECH
  • CERTIFIED EXPERT
  • 20,761 POSTS
No, there is no shut off. You need to get your hands on a fuel pressure gauge before doing anything else. The fuel pump only powers for 2 seconds when the key is first turned on and then continues when the computer sees a tach signal. If you confirm no fuel pump prime, then you will need to follow a wiring diagram to find the cause.

Jan 18, 2019 at 6:23 PM (Merged)
Avatar
AHENSON
  • MEMBER
  • 2 POSTS
yes i put a fuel pump in my jimmy about 5 months ago and now when you drive it it does fine. When you shut it off and try to start it again the fuel pump will not come on until it sits for about 5 minutes the relay i changed was not that any help thanks
Jan 18, 2019 at 6:23 PM (Merged)
Avatar
JDL
  • CERTIFIED EXPERT
  • 16,098 POSTS


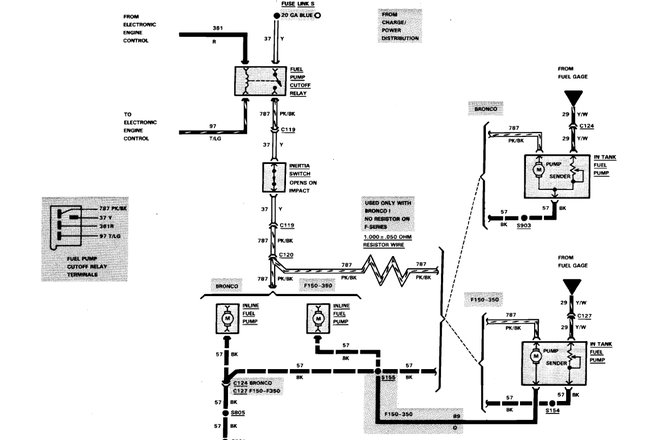
https://www.2carpros.com/forum/automotive_pictures/170934_gmc_3.jpg

Did you check relay circuits? When you first turn the key on, no crank, can you hear the pump run? The pcm sends voltage to the coil side of relay in order to energize, I believe pin 1. If there is no voltage there when trying to start, the relay won't energize. Did you check fuel pressure, any codes? The diagram on the relay may differ depending on the manufacturer. You should be able to tell the switch side of relay from the coil side.
Jan 18, 2019 at 6:23 PM (Merged)
Avatar
AHENSON
  • MEMBER
  • 2 POSTS
yes i switch the circuit for fuel pump with the horn circuit didnt change anything the jimmy starts fine after it sits just when you go some where it wont start back up fuel pressure was good also when you shut it off after you drive in lets say 5 miles then you go to restart it the pump does not kick on when you turn the key if you let it sit for 5 minutes or longer it comes back on a starts right up thankyou
Jan 18, 2019 at 6:23 PM (Merged)
Avatar
TONYHUTCHISON
  • MEMBER
  • 1 POST
1996 GMC Jimmy 4X4 4.3, 152,560 miles
The fuel pump isn't kicking on and I was wondering if there is a fuse or relay I should check?
Jan 18, 2019 at 6:23 PM (Merged)
Avatar
CHEVY22
  • CERTIFIED EXPERT
  • 1,375 POSTS
yup , check the underhood fuse box and one on the left side of the dash , first , there is also a relay behind or in the back of the glove box and you will need to check for 2 seconds of power at the pump connector , there are only a few other things it could be , a bad pump , fuel/oil cutoff switch let us know what you find

jim
Jan 18, 2019 at 6:23 PM (Merged)
Avatar
KATWOMAN
  • MEMBER
  • 1 POST
we just replaced the fuel pump and the jimmy still wont crank acts like its not getting any gas so what else could it be does it have relay switches on it
Jan 18, 2019 at 6:23 PM (Merged)
Avatar
BLACKOP555
  • CERTIFIED EXPERT
  • 10,386 POSTS
first of all yes it has relays.

next i have to ask when you say vehicle wont crank, that means wont attempt to start

and usually idicates a fault with the starter.
Jan 18, 2019 at 6:23 PM (Merged)
Avatar
JMCG
  • MEMBER
  • 1 POST
we have had troble with starting i could not here
the fule pump so i put gas in the throtal body and
it would run for a week then do it again i have done this 4-5 time but now it will not start at all
i replaced the 3 relay in the glove box no luck

some one said there is a red wire near the pasengers side fenderI could jump to the batterie to see if the fule pump will run ????

also when i turn it over then stop i can here the fule pump running for about 2 seconds
Jan 18, 2019 at 6:24 PM (Merged)
Avatar
JDL
  • CERTIFIED EXPERT
  • 16,098 POSTS
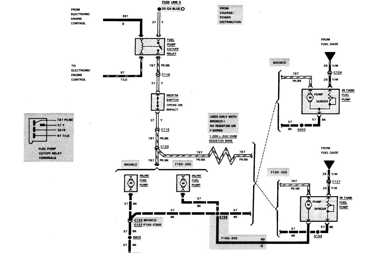
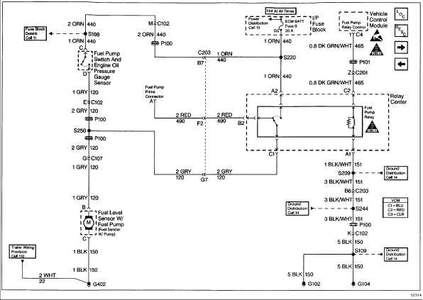
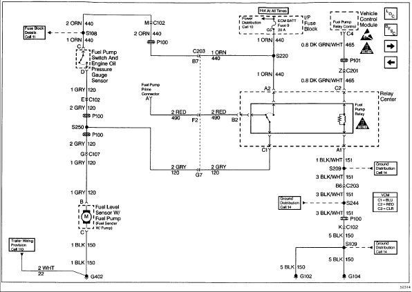
Hi, what is your vin? Vin Z is TBI, vin W is cpi. Use a fuel pressure gage and check fuel pressure. Some of the national brand autostore might loan you a fuel pressure gage. If you have the vin W--cpi, sometimes the fuel poppets need cleaning. I don't know if injector cleaner will help anything? The fuel pump test connector showed to be located, underhood driver side fender well, but, I'm not sure of your vin. It is a red wire with electrical connector, nothing plugged into it. If you run jumper wire with inline fuse, from battery B+ to connector, the pump should run.


https://www.2carpros.com/forum/automotive_pictures/170934_gmc_jimmy_2.jpg

C8 is the connector for that model, according to our database
Jan 18, 2019 at 6:24 PM (Merged)
Avatar
2CP-ARCHIVES
  • MEMBER
  • 4,540 POSTS
why does my Jimmy dies every time i try to back out of my driveway? checked relay fuses. put in a manufactured fuel pump in it a week ago.18 months ago they put in an after market fuel pump had to cut the orginal plug to fit the after market and we had to put back the orIginal plug splicing it and taping it to work for the one we put in keep in mind fuel pump is brand new out of box..now two things either the chassity fuel filter could be plugged or there is a wire grounding out some where i need help figuring this out i do not have a book or DIAGRAM FOR A VORTEX ENGINE..v6 would appreciate helpful information..
Jan 18, 2019 at 6:24 PM (Merged)
Avatar
HMAC300
  • CERTIFIED EXPERT
  • 48,601 POSTS
scan for codes and check fuel pressure first should be 60-66psi clean throttle plate with choke cleaner on both sides.
Jan 18, 2019 at 6:24 PM (Merged)
Avatar
LEON COUTURIER
  • MEMBER
  • 1 POST
Where is the fuel pump relay location and how do I test it without buying any new equipment.I cant hear the fuel pump when I turn on the ignition. I disconnected one side of the filter and a small amount of old smelling fuel dripped out. Before I spring for a new pump I would like to be sure it's getting power.Thanks
Jan 19, 2019 at 11:23 AM (Merged)
Avatar
RASMATAZ
  • CERTIFIED EXPERT
  • 75,992 POSTS
You got 2secs to check it-get a helper to turn key to run -while you check for power at the fuel pump connector gray wire. Let me know
Jan 19, 2019 at 11:23 AM (Merged)
Avatar
BOYDFAM6
  • MEMBER
  • 1 POST
Where can I find the Fuel Pump Relay... I have replaced the fuel pump, filter, fuse,... but there is not power getting to my fuel pump.
Jan 19, 2019 at 11:23 AM (Merged)
Avatar
MHPAUTOS
  • CERTIFIED EXPERT
  • 31,937 POSTS
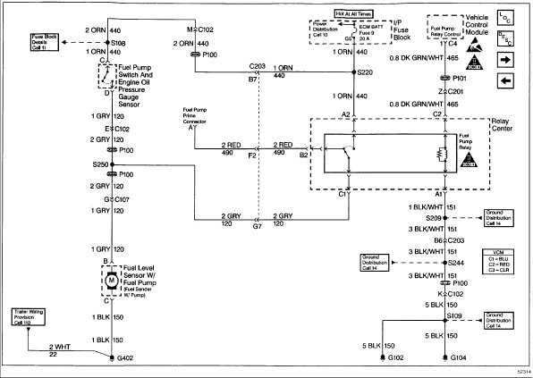
Hi there, see pic for relay location.


https://www.2carpros.com/forum/automotive_pictures/61395_Capture_82.jpg

Mark (mhpautos)
Jan 19, 2019 at 11:23 AM (Merged)
Avatar
2CP-ARCHIVES
  • MEMBER
  • 4,540 POSTS
have a 1994 gmc jimmy 4.3 vortec 4x4. car will start when starter fluid is introduced into throttle body but wont stay running. if left for a while it will start again but only for a small period of time. new fuel pump, relay and filter. still same thing happening. at my wits end and just about outta cash. plz help with any ideas what im looking for?
Jan 19, 2019 at 11:23 AM (Merged)
Avatar
WRENCHTECH
  • CERTIFIED EXPERT
  • 20,761 POSTS
Test your fuel pressure with a gauge before starting it. This engine requires a MINIMUM of 55PSI or it will act like that
Jan 19, 2019 at 11:23 AM (Merged)