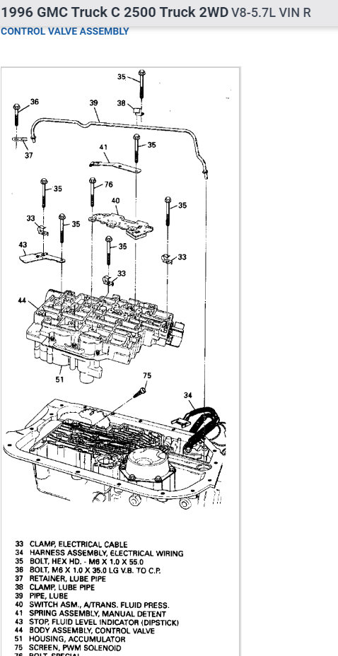
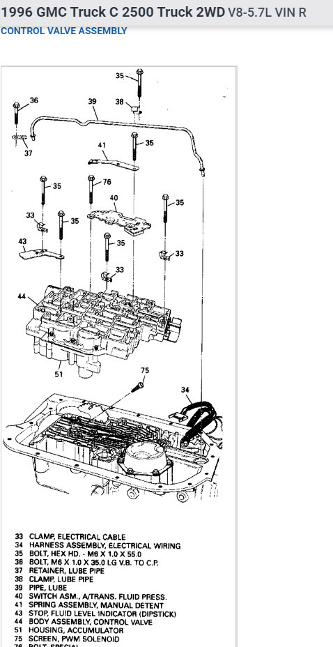
Instructions for replacing 2-3 shift solenoid. OBDII code P0756 (4L80-E) Transmission is slow in shifting from 2nd to 3rd. Occasional MIL lights up and wont't shift to 3rd. Turn ignition off, restart and will then shift. Have changed fluid and filter.
Transmission was replaced with rebuilt at 145000 miles. Now have 270000 miles on vehicle.
Transmission was replaced with rebuilt at 145000 miles. Now have 270000 miles on vehicle.
Jul 25, 2011 at 12:27 AM




