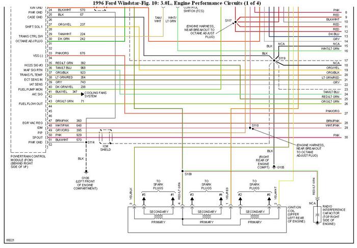
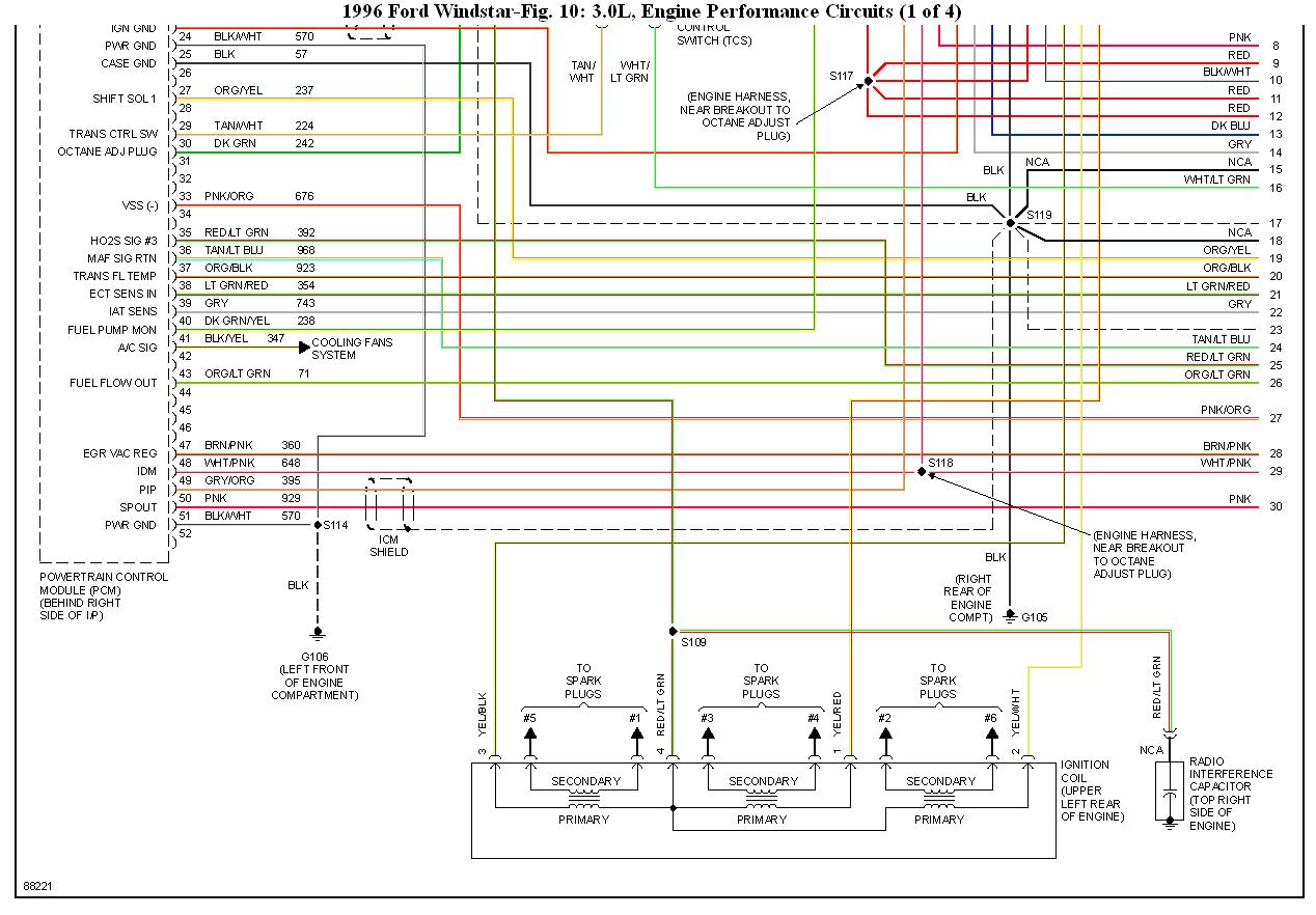
I am working on a 96 windstar and it will crank but not start. I don’t here the fuel pump come on, and it does not have spark. I am looking at the fan relay module and it is rusted through, I thought I would mention that. What is keeping the fuel pump from coming on? Does the relay module have any thing to do with the fuel pump control? I am ready to start troubleshooting the problem. What should I check first?
Feb 12, 2011 at 4:41 AM















