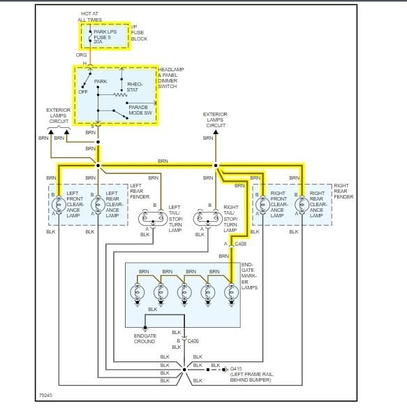
My running, stop and turn work. my back up lights went out on the drivers rear only. Thinking it was bulbs, I replaced them. I now have back up, turn signal, and stop action at the middle bulb, but no running lights at the top and middle bulb, while the other side works fine. I check the fuses in the cab not thinking they were the problem and they were not. I also scraped the contacts the best I could.
Should I attempt to get what I am guessing is dried out dielectric gel completely out of there? What is the best way to do that? Will solvents melt the housing?
Where do I go from here? Or is this easier just to take to the shop to trace the wire back on a diagram?
Should I attempt to get what I am guessing is dried out dielectric gel completely out of there? What is the best way to do that? Will solvents melt the housing?
Where do I go from here? Or is this easier just to take to the shop to trace the wire back on a diagram?
Jan 26, 2015 at 11:46 PM
