p1886 code Definition 3-2 shift solenoid valve assembly circuit electrical fault,

1996 CHEVROLET SILVERADO
300,128 MILES
Avatar
RAFA22S
  • MEMBER
  • 1 POST
Can this be the ignition causing the solenoid Explanation The ECM has detected an open or short to ground in the 3-2 ss valve assembly.Probable cause,open or short circuit condition,poor electrical connection.
Nov 19, 2011 at 4:30 AM
Advertisement
Avatar
DRCRANKNWRENCH1
  • CERTIFIED EXPERT
  • 3,435 POSTS
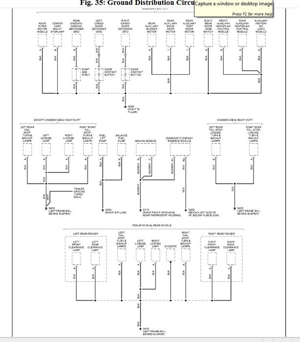
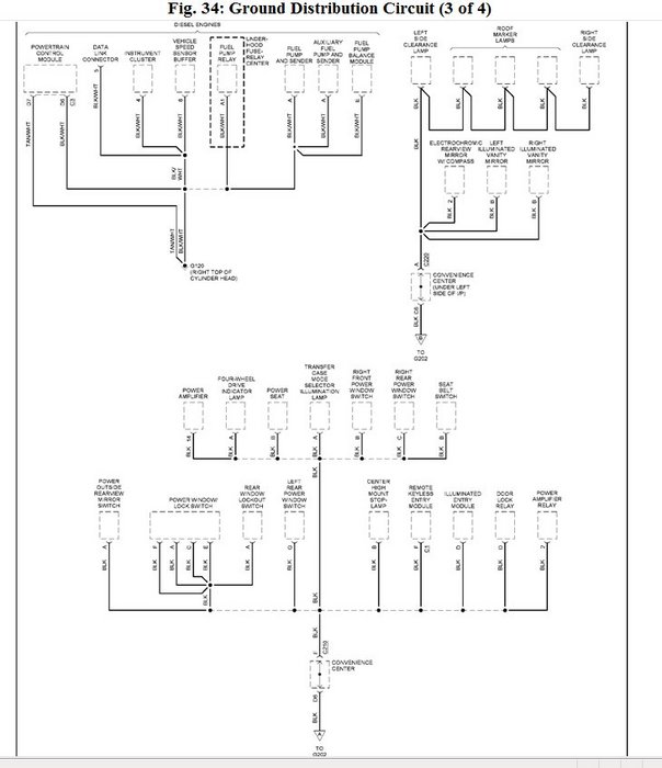
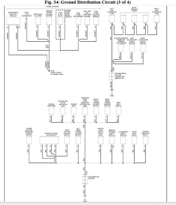
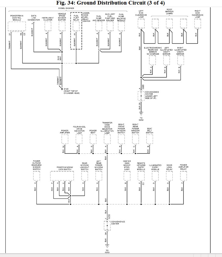
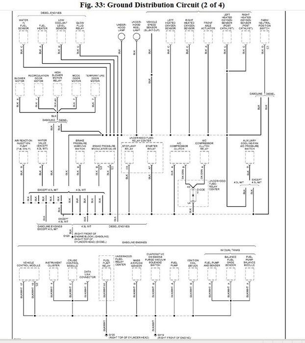
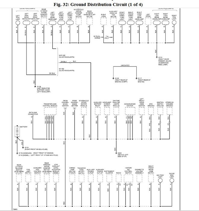
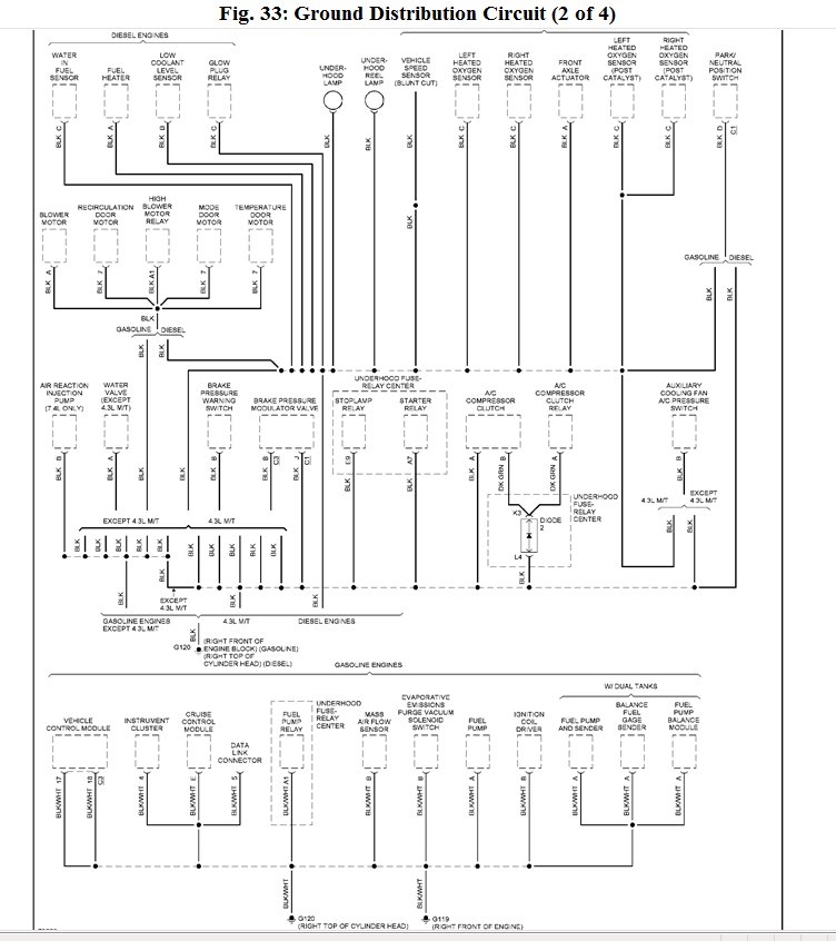
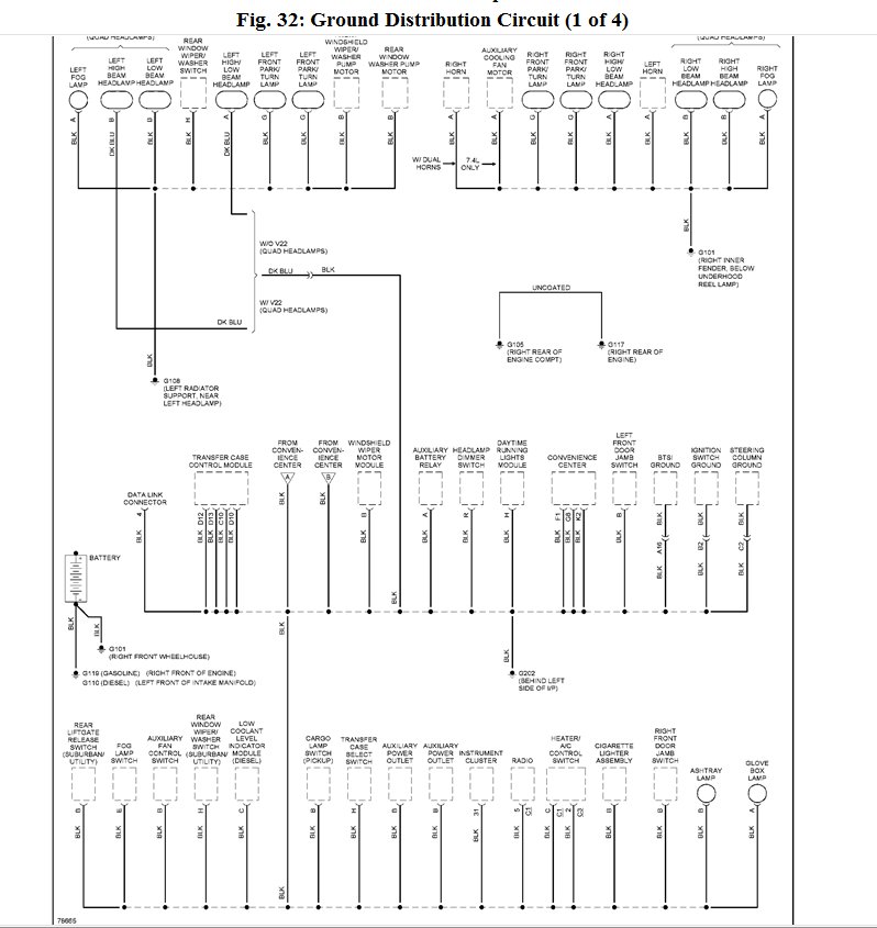
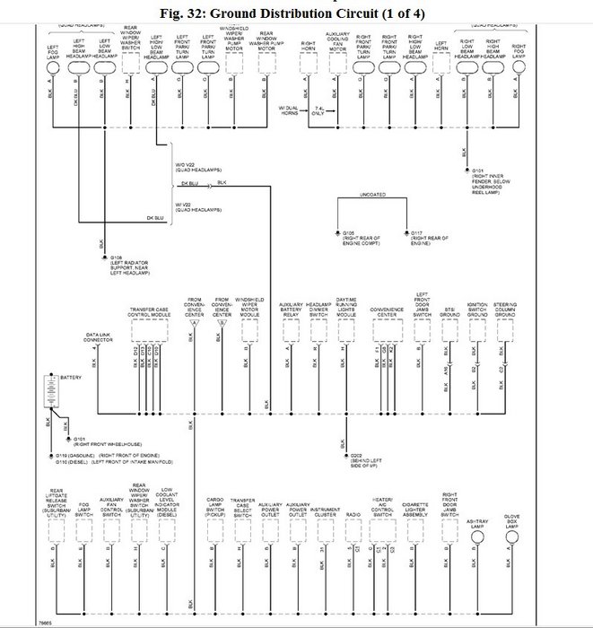
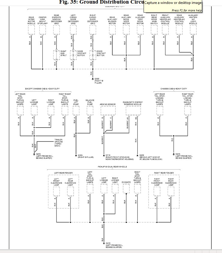
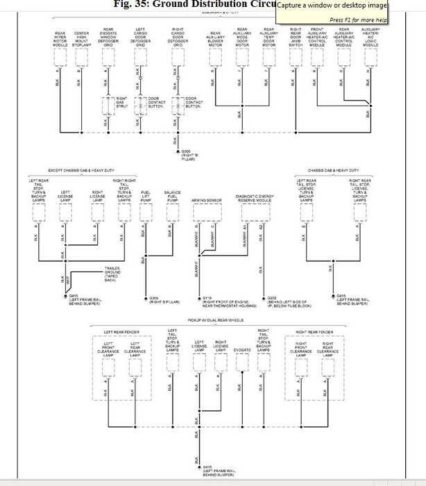
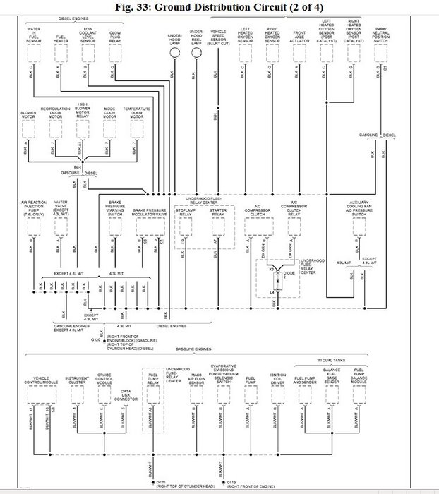
I am providing you with 4 diagram with all ground Locations. That way you can check the specific ground as well as others that might, "Backfeed" and cause a problem with the solenoid. Backfeeding is a failed ground that forces the ground from the solenoid circuit to be the ground for the circuit with the failed ground. Remember tha electricity alwasy follows the path of least resitance so check grounds that or on, near or share nodes with solenoid circuit.
Nov 19, 2011 at 4:42 AM
Avatar
RASMATAZ
  • CERTIFIED EXPERT
  • 75,992 POSTS
You have a bad 3-2 shift valve
Nov 19, 2011 at 4:43 AM
Advertisement