1996 Cadillac SLS Power windows

1996 CADILLAC SLS
90,000 MILES • 4.9L • V8 • AUTOMATIC
Avatar
SCORCHEDDEATH
  • MEMBER
  • 5 POSTS
I bought a car a yr ago everything worked fine then a few months ago fuel issues had fixed starter issues had fixed trunk pull down issues fixed it myself but always power everything worked until a few weeks ago power windows all wont work nor sunroof but they all worked fine before that i checked all fuses in hood and in trunk all good is it a bad wore connection under carpet or a switch or what cant figure it out i know the motors are all fine please help and thank you.
Jun 28, 2014 at 2:15 PM
Advertisement
Avatar
HMAC300
  • CERTIFIED EXPERT
  • 48,601 POSTS
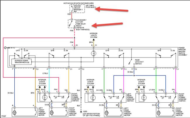
for windows check items in pic then see if switch is getting power or not it may be a broken harness in door causing problem. sunroof use the same relay but have it scanned to see if the body module or sunroof module is problem.
Jun 28, 2014 at 4:14 PM
Avatar
SCORCHEDDEATH
  • MEMBER
  • 5 POSTS
Am i missing a relay ? The master switch unpluged mirrors and locks have power just windows have no power in the connector used volt meter
Jul 25, 2014 at 4:29 PM
Advertisement
Avatar
HMAC300
  • CERTIFIED EXPERT
  • 48,601 POSTS
check items in pic they are separate you may have a bad relay you'll have to find it as it's taped in harness......could be a bad switch as well if yo have pwer to switch an dnothing coming out of it then the switch or module is bad an dit's all one piece.
Jul 26, 2014 at 6:14 AM
Avatar
SCORCHEDDEATH
  • MEMBER
  • 5 POSTS
Thanks for advice ive check all hidden relays in hood and trunk havent seen any taped in harness tho but have been checkin and no power gettin to main switch.
Jul 27, 2014 at 9:24 AM
Avatar
HMAC300
  • CERTIFIED EXPERT
  • 48,601 POSTS
then either the circuit breaker in pic is no good and or the relay that is taped in harness is under lh seat by sdm breakout
Jul 27, 2014 at 9:30 AM