car problem

1996 BUICK SKYLARK
4 CYL • FWD • AUTOMATIC
Avatar
SONY1VAIO
  • MEMBER
  • 1 POST
took starter off had it checked it's ok but the car isn't getting power
Feb 27, 2011 at 6:11 PM
Advertisement
Avatar
HMAC300
  • CERTIFIED EXPERT
  • 48,601 POSTS
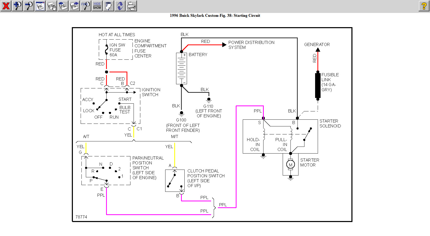
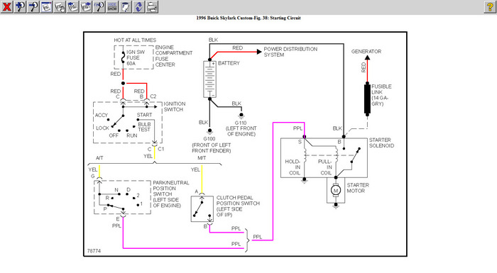
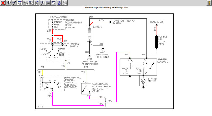
check to see if the cable is good . it may be bad, then check for fusible links that are burnt out. check out the large fuse in the underhoood electrical center. i'm including the drawing of the circuit.
Mar 5, 2011 at 12:46 AM