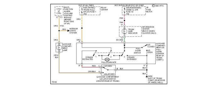
The motor that pulls the trunk closed does not operate. The electric release works to unlatch. Possibly missing fuse. I don't have a fuse block diagram.
Nov 19, 2011 at 5:39 PM

