1995 Toyota Tacoma While driving

1995 TOYOTA TACOMA
176,000 MILES • 2.7L • 4 CYL • 4WD • MANUAL
Avatar
BLAIR1234
  • MEMBER
  • 5 POSTS
I have a 1995 Tacoma 2.7 5 speed 4wd with 176,000. It will idle fine but once you start driving it wants to jerk almost like your turning the key off then back on real fast. I have replaced the fuel pump fuel filter coil distributor cap and button plugs wires EGR valve MAF sensor and crank sensor. Any ideas would be great I'm almost done putting money into it. Thanks
Oct 19, 2015 at 11:30 AM
Advertisement
Avatar
STRAILER
  • CERTIFIED EXPERT
  • 53,854 POSTS
Hi Blair1234,

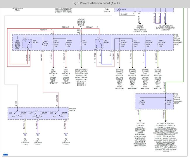
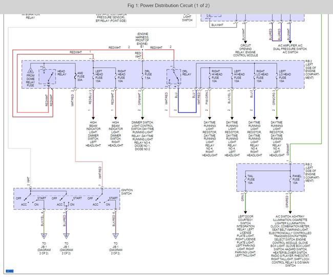
Actually the ignition switch can cause the engine to buck and stall much like you have described, you don't need to replace the tumbler, just the switch portion. To be sure about the problem, attach a test light to the main outgoing feed wire to see if the power quits while the engine stalls. I have attached a diagram.

Please let me know how it goes,

Best, Ken
Oct 25, 2015 at 4:03 PM
Avatar
BLAIR1234
  • MEMBER
  • 5 POSTS
The engine doesn't actually stall I was just using that as a way to describe how it acts. Any other suggestions or should I still go with checking that?
Oct 27, 2015 at 5:49 AM
Advertisement
Avatar
BLAIR1234
  • MEMBER
  • 5 POSTS
Also engine light is on for catalyst efficiency bank 1.
Oct 27, 2015 at 5:53 AM
Avatar
STRAILER
  • CERTIFIED EXPERT
  • 53,854 POSTS
Hey Blair1234,

The catalyst code will not cause the problem you have described. It still could be the ignition switch as the contacts wear they can intermittently cut power to the system which would make the engine buck. Can you please clear the codes drive it for a while, then check it again?

Best, Ken
Oct 27, 2015 at 9:06 AM
Avatar
STRAILER
  • CERTIFIED EXPERT
  • 53,854 POSTS
I have also seen the fuel contamination can cause the engine to surge, when you replaced the fuel pump, did you look inside the tank for water?

Best, Ken
Oct 28, 2015 at 8:19 AM
Avatar
BLAIR1234
  • MEMBER
  • 5 POSTS
Tank looked fine, didn't have corrosion but when I replaced the filter it was defiantly clogged, the truck sat for 3 years before I got it, I was told by a local mechanic that it could be injectors. I have ran cleaners through the gas to try and clean it also.
Oct 28, 2015 at 10:34 AM
Avatar
STRAILER
  • CERTIFIED EXPERT
  • 53,854 POSTS
O ya, the injectors being clogged can definitely cause the problem, I believe your engine has four of them. BTW they sometimes can cause the catalyst efficiency code as well.
Oct 28, 2015 at 11:16 AM
Avatar
BLAIR1234
  • MEMBER
  • 5 POSTS
I have ran cleaner through it a couple of times and a local shop said to run transmission fluid through it. Any suggestion on what to use or replace them or? its my DD so I cant have it not running
Oct 29, 2015 at 11:16 AM
Avatar
STRAILER
  • CERTIFIED EXPERT
  • 53,854 POSTS
I have had zero luck with any type of cleaner working for me, if the injectors are the problem you will need to replace them, let me know.

Best, Ken
Oct 29, 2015 at 2:40 PM