Wipers stopped working

1995 TOYOTA PICKUP
17,900 MILES
Avatar
CHALLENGER
  • MEMBER
  • 2 POSTS
Hi guys, hope you can help me. I checked the fuses in the kick panel all good , then went to the engine fuse box behind the battery and found the one marked "dome" was blown, fifteen amp, so i go to replace it with the same size fuse it sparked a bit , but took it and my radio came on , and my radio is set up to work with key on the ignition, so i pulled the radio out and disconnected it , then tried to replace the fifteen amp fuse did not spark. okay, I will run the radio to the battery on its own circuit, but still no wipers. I have a test light and turned the key on and flipped the lever for wipers on position and probed the electrical connector for the wiper motor nothing and I do not have intermittent wipers which has a relay, all i can think it is the wiper switch on the steering column. any help here guys?

Great site!
Dec 13, 2011 at 5:55 PM
Advertisement
Avatar
DRCRANKNWRENCH
  • CERTIFIED EXPERT
  • 3,380 POSTS
The wiper switch tends to go around the age and mileage you have on your vehicle. You can always probe wires to switch for twelve volts to see if it is indeed switch.
Dec 13, 2011 at 6:46 PM
Avatar
CHALLENGER
  • MEMBER
  • 2 POSTS
Okay, went to the switch on steering column , nothing no power. I even had the wiper switch I stripped off my 1989 Yoda (worked when pulled ) which are the same and no dice and tested that with the light and nothing no power. I did test the socket and only got power and the horn sounded any ideas? thanks
Dec 13, 2011 at 8:49 PM
Advertisement
Avatar
DRCRANKNWRENCH
  • CERTIFIED EXPERT
  • 3,380 POSTS
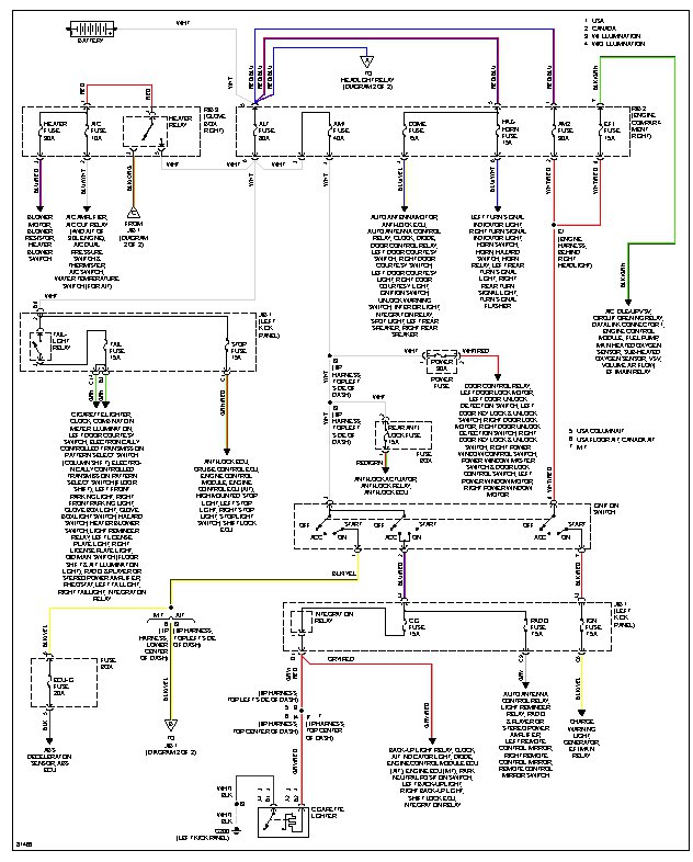
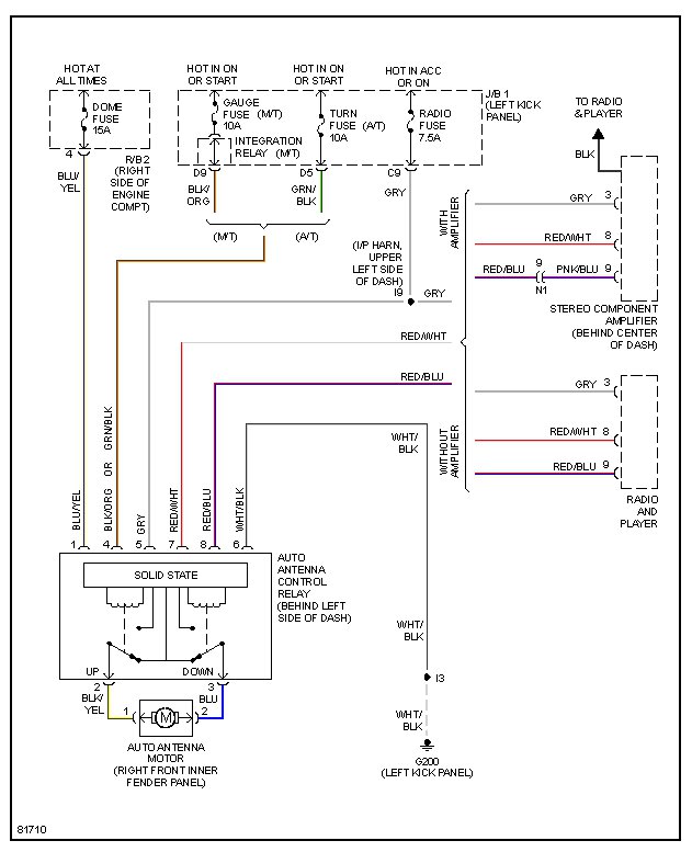
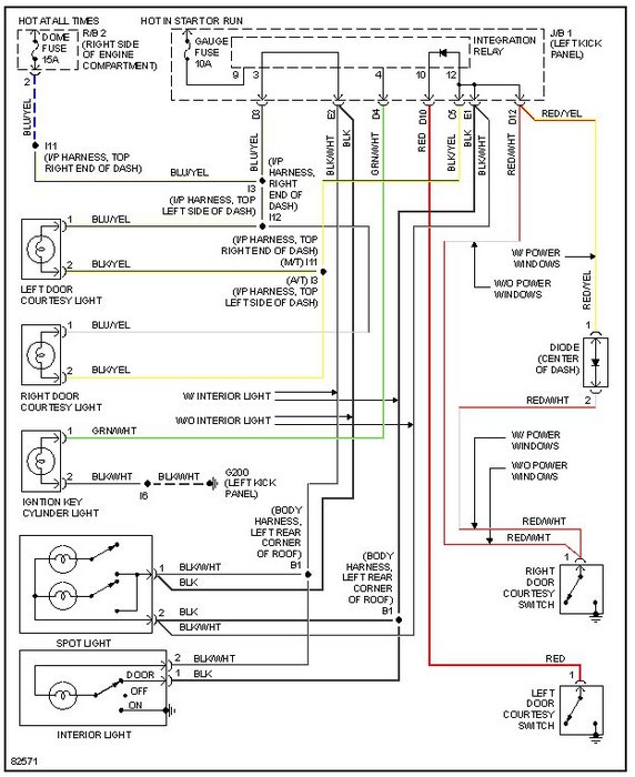
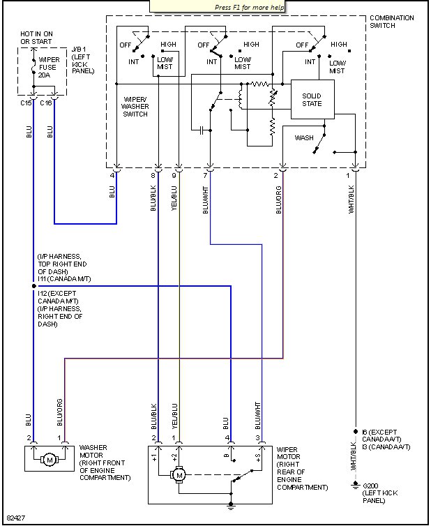
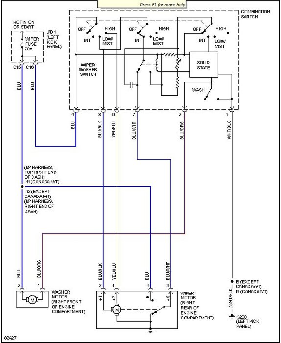
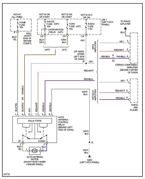
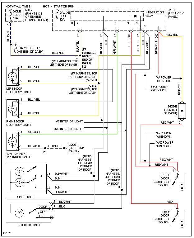
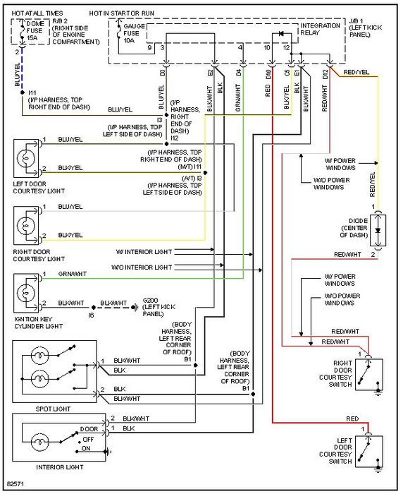
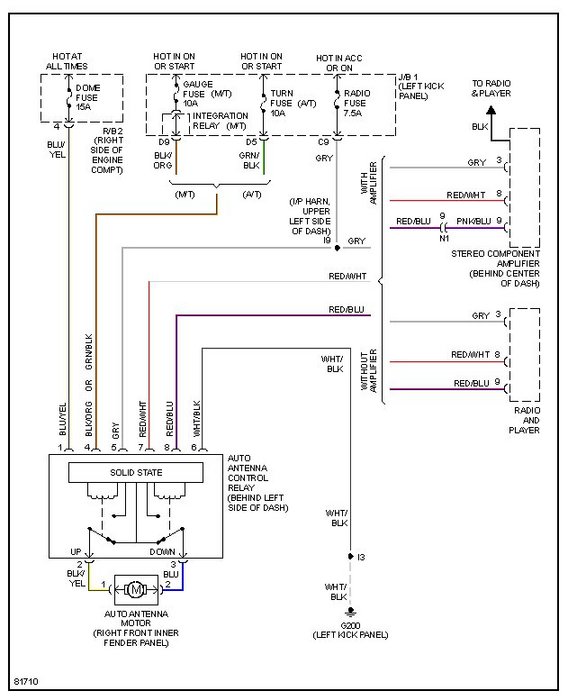
I am giving you a bunch of wiring diagrams where there are power circuits/fuses and s that are shared with the wiper circuit, dome light and radio. The ground is G200 and G300, so check it for corrosion and a clean tight connection. Look through diagrams and power distribution to check all powr wires that coudl short the circuit you arre having problems with and the other circuits that were affected by that.
Dec 14, 2011 at 7:37 AM
Avatar
HMAC300
  • CERTIFIED EXPERT
  • 48,601 POSTS
check position number four on your wiper connector to see if it has power. it is a blue wire. if it does then there is aground in the motor that may not be working. that will tell you if the fuse is good if it has power. then turn key on and switch. if number twelve gets power then the switch may have lost ground or it is bad. also, check the ground in the left kick panel.
Jan 17, 2017 at 4:43 PM (Merged)