1995 Toyota 4Runner rear window/tailgate

1995 TOYOTA 4RUNNER
239,000 MILES
Avatar
RHINEHARTMANA
  • MEMBER
  • 1 POST
My truck was stolen, got it back, hotwired. my harness was unplugged when i got it back. however my tailgate will not unlock from either the door locks button in the vehicle or using the key at the tailgate. i also dont have taillights, but i have brake lights and blinkers.
also no panal lights....
possible solutions?
all fuses good no visible damaged or disconnected wires.
thank u. This is my only vehicle and I am the single mother of an 8 & 5 yr old....need it for transporting them to school and going to work....also how do u replace front CV axles and besides the half shaft axle are there any bearings, parts, or special tools I need to do the job?
Sep 6, 2013 at 1:40 AM
Advertisement
Avatar
HMAC300
  • CERTIFIED EXPERT
  • 48,601 POSTS
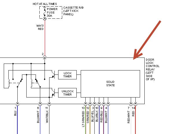
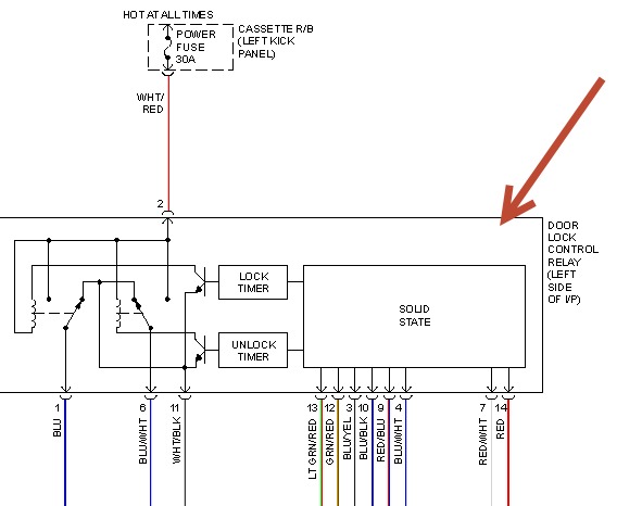
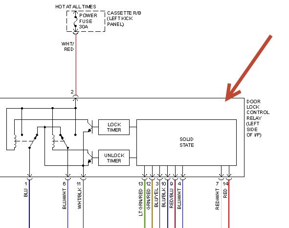
for the cv axles you are better off to have a pro do it, cheaper and out of commission a lot less time. check the fuse and relay behind lh kick panel(where your feet go in truck under dash drivers side) for the taillights. check what I've pointed out in pics also check the integration relay there that may be the cause of the back door problem, can't seem to find it wired in 95 diagram. see if the harness that is disconnected will pulg back in on lh side by fuse block.
Sep 6, 2013 at 7:02 AM