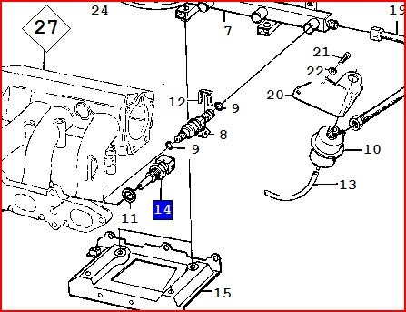
The coolant temperature gauge on dash indicates about 1/3 of full scale. Normal state, it is rises up about half-way. The relevant device is engine coolant temperature sensor. Then I changed for a new sensor but the gauge shows a little bit upper than before.
Is it need to calibrate or something to make the gauge indicates at almost half way. Or I have to do something to align the gauge. Thank you very much.
Is it need to calibrate or something to make the gauge indicates at almost half way. Or I have to do something to align the gauge. Thank you very much.
Jul 20, 2014 at 9:43 AM
