transmission replacement

1995 OLDSMOBILE DELTA 88
Avatar
PIMPMASTER
  • MEMBER
  • 4 POSTS
how to change a transmission on a 1995 Olds delta 88 royal with a 3.8 l
Apr 17, 2012 at 3:50 AM
Advertisement
Avatar
FIXITMR
  • CERTIFIED EXPERT
  • 9,990 POSTS
Hello,

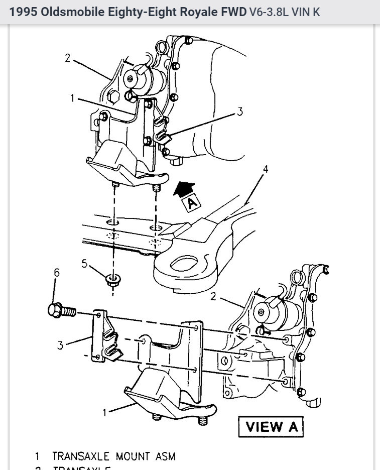
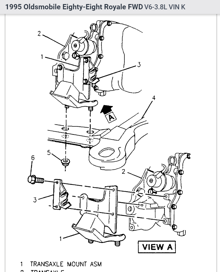
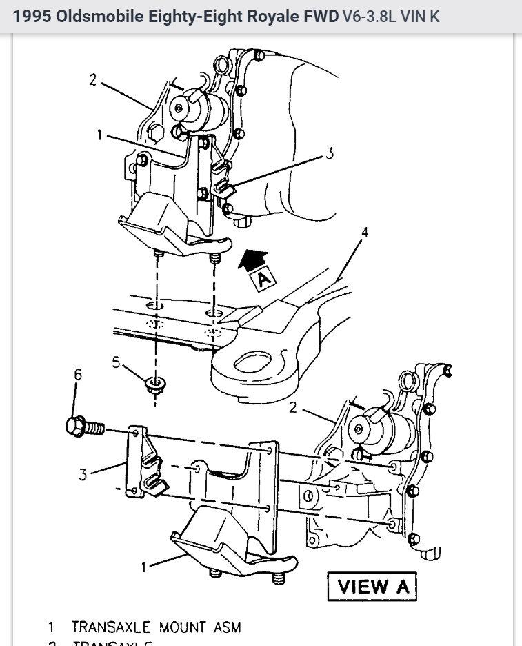
Here is a video to give you an idea of what you are in for when doing the job allow with diagrams below to help you see how the job is done on your car. Its a stick and not the same car but the procedure is very similar.

https://youtu.be/6N6b5F2ChyE

Check out the diagrams (Below). Please let us know if you need anything else to get the problem fixed.

Cheers
Apr 17, 2012 at 3:58 AM