1995 Olds Eighty Eight LSS Battery Drain

1995 OLDSMOBILE 88
120,000 MILES
Avatar
DDEMPDD
  • MEMBER
  • 11 POSTS
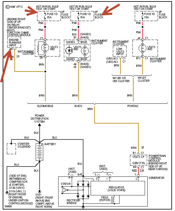
Tried disconnecting the battery neg wire and car dies. The alternators bench tested good. The last alternator was bench tested at 3 different stores just to make sure it was good. I have 12vdc at the end of the large positive battery cable at the alternator terminal with the car off. With the car running the voltage slowly drops about .1 VDC every minute or two with no accessories running. I disconnected the large wire from the alternator and started the car. At the alternator terminal, I read .2VDC. There is only one small red wire that plugs into the alternator. Does anyone have a schematic as to where that wire ends up? A schematic would be helpful to determine where to read for continuity or voltage. Thanks for your information.
Jul 13, 2013 at 5:00 PM
Advertisement
Avatar
CJ MEDEVAC
  • CERTIFIED EXPERT
  • 11,004 POSTS


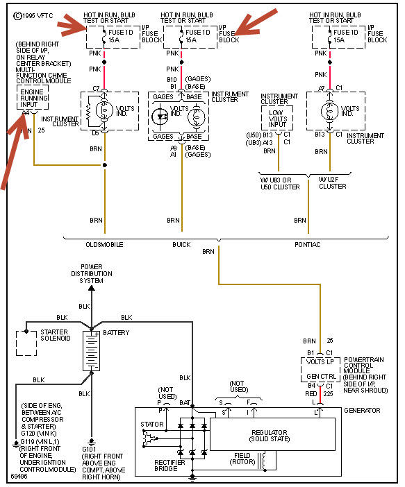
DOES THIS ONE DO ANYTHING FOR YOU?

THE MEDIC
Jul 13, 2013 at 6:23 PM
Avatar
DDEMPDD
  • MEMBER
  • 11 POSTS
Yes, I think this will work. It will probably take me a few days to get back to this project. I will let you know what I find. Thanks!
Jul 14, 2013 at 1:34 AM
Advertisement
Avatar
CJ MEDEVAC
  • CERTIFIED EXPERT
  • 11,004 POSTS


JUST WILD GUESSING

YOU ALREADY KNOW ABOUT THIS KINDA STUFF?

https://www.2carpros.com/questions/2007-honda-accord-starting-issues

I RECKON I'D BE LOST WITHOUT THE ABILITY TO LINK STUFF....I HATE HUNTING AND PECKING THE SAME STUFF OVER AND OVER....I'M PRETTY DARN SLOW DOING IT TOO, SOMETIMES I SPEND HOURS JUST ON ONE ANSWER, TRYING TO "TWEAK" IT JUST RIGHT

TOO BAD, YOU DON'T HAVE A JEEP CJ......I'D HAVE RIDIN' RIGHT NOW!

THE MEDIC
Jul 14, 2013 at 7:36 AM
Avatar
DDEMPDD
  • MEMBER
  • 11 POSTS
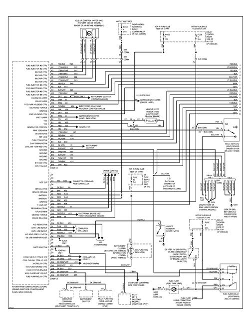
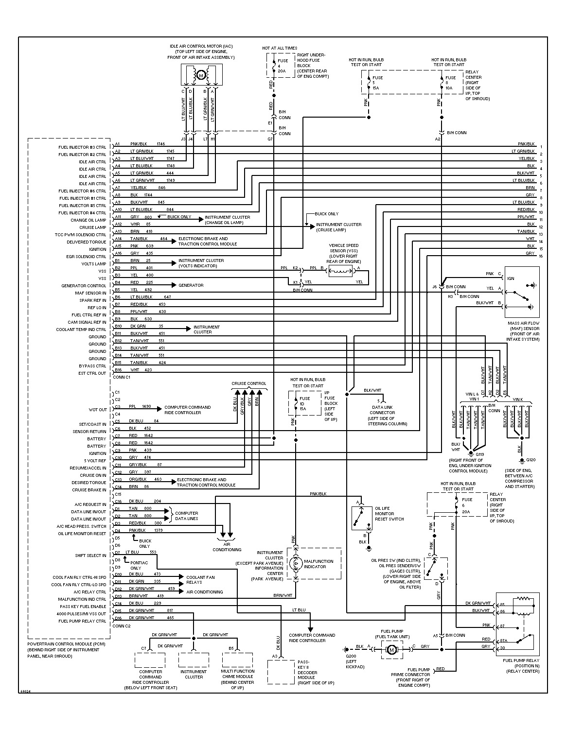
Finally got back to the car. Read continuity on small red wire at the alternator to the PCM connector B4. (With the connector disconnected) Continuity is good. There is no wire in the connector for B1 as indicated on the schematic. I traced the wire bundle back a ways and found no cut or dangling wire. On the PCM are three connectors, Red, White, and Blue. The red connector on the PCM is marked A and B with 16 possible pin locations in both rows. Am I reading the schematic wrong? Further guidance is needed.....Thanks
Aug 4, 2013 at 9:53 PM
Avatar
CJ MEDEVAC
  • CERTIFIED EXPERT
  • 11,004 POSTS


GIMME "SPECIFICS" ON YOUR CARS NOMENCLATURE AND ENGINE SIZE.....8TH DIGIT OF VIN IS HELPFUL TOO, WHEN SEARCHING MITCHELL I.............MAYBE THERE IS ANOTHER DIAGRAM FOR YOUR RIG

UNFORTUNATELY..... I'M NOT MR. COMPUTER CAR..........BUT I DID SEE YOU WANTED A DIAGRAM, SO I KNEW I COULD HANDLE THAT!

BEFORE YOU GO WILD.............YOU DID SNATCH OUT THE BATTERY AND HAVE IT THOROUGHLY TESTED A POPULAR AUTO PARTS STORE???????

SO MANY TIMES THAT WILL BITE YOU IN THE BUTT!!!!!

REMOVING THE CABLES FROM THE BATTERY ON NEWER COMPUTERIZED CARS WHILE IT RUNS IS NOT A GOOD IDEA.....THE "SURGE" MIGHT RUIN THE ELECTRONICS/ COMPUTER........... I'D SAY EARLY '80s, ON BACK, WAS ABOUT THE LAST TIME YOU COULD SAFELY PERFORM THAT TRICK

AND YOU SAW THIS IN MY OTHER ANSWER???

https://www.2carpros.com/questions/1989-ford-tempo-98-tempo-bran-new-battery-shut-car-off-didn-t-days-now

KEEP ME POSTED

THE MEDIC
Aug 5, 2013 at 8:16 AM
Avatar
DDEMPDD
  • MEMBER
  • 11 POSTS
1995 4-door Oldsmobile 88 LSS; V6 3.8 Liter SFI, OHV; 3800 Series II; VIN 8th digit - K
The battery was replaced with a brand new battery after the 2nd alternator didn't fix the problem.
I do not have a parasitic drain, as the car sat for 2 weeks and still had the same voltage. Car started right up.
Thank You
Aug 5, 2013 at 9:58 AM
Avatar
CJ MEDEVAC
  • CERTIFIED EXPERT
  • 11,004 POSTS


SORRY........ I'VE BEEN OUT OF POCKET HERE LATELY

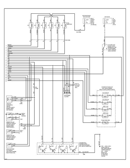
GOT YOU 3 MORE

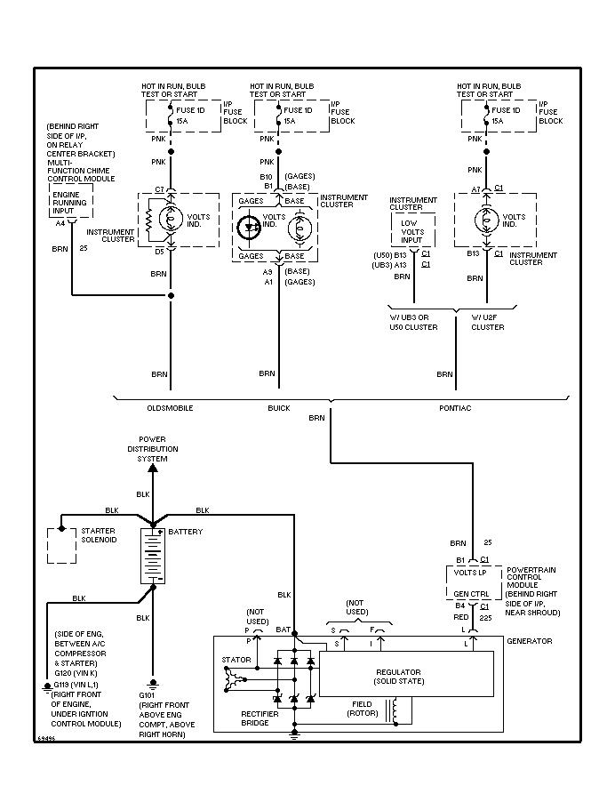
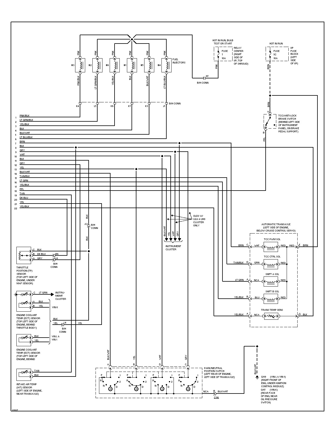
YOUR VIN.......PERFORMANCE CIRCUITS 1-3 OF 3.......I'M POSTING THEM IN THAT ORDER

HAVE YOU SEARCHED OUT EVERY FUSIBLE LINK????.....MAYBE ONE AIN'T ENERGIZING THE FIELD?

I'M NOT "MR. ELECTRONICS", MAYBE YOU FRIED A FUSIBLE LINK, HOPEFULLY NOTHING WORSE

I'M GONNA GO BACK AND SEE IF I CAN FIND LOCATIONS OF 'EM IN "MI"

THE MEDIC
Aug 6, 2013 at 10:37 PM
Avatar
CJ MEDEVAC
  • CERTIFIED EXPERT
  • 11,004 POSTS


LOOKS LIKE THE WIRE DIAGRAM IS THE BEST LOCATION FINDER....THE 1ST ONE I SENT

HAVE YOU ACTUALLY PULLED 'EM OUT AND LOOKED AT 'EM GOOD?

I DON'T KNOW EXACTLY WHAT'S IN THE BOXES.........BUT IF IN DOUBT, OR CANNOT SEE THRU 'EM, YOU CAN DO A QUICK CONTINUITY TEST LIKE IN MY 1ST PIC

MAYBE EVEN JUST REMOVING THEM, INSPECTING THE "LEGS" FOR A BURNED SPOT OR CORROSION, THEN REPLACING THEM, MIGHT SCRAPE 'EM CLEAN

DUE TO MY 2 JEEPS BEING IN A HUMID AND SOMETIMES WET SITUATIONS (NO, I DON'T SUBMERGE MY BABIES!), SOMETIMES MY FUSES GET THAT "WHITISH HAZE" ON THE ENDS AND WON'T MAKE GOOD CONTACT TILL I CLEAN 'EM

THE MEDIC

Aug 6, 2013 at 10:57 PM
Avatar
DDEMPDD
  • MEMBER
  • 11 POSTS
Hi,
Thanks for the wire diagrams, however, the three wire diagrams you sent Aug 6 are fuzzy and I can not make out any of the letters or numbers or words. I have tried several ways to open them to view with no success. The first wire diagram you sent back July 13 came out clear.
Would it be possible to get a clearer image to view? Thanks.
Aug 8, 2013 at 12:12 AM
Avatar
CJ MEDEVAC
  • CERTIFIED EXPERT
  • 11,004 POSTS


IT'S REALLY GOT TO DO WITH THE SIZE

BEFORE OUR SITE RECENTLY GOT REMODELED, I COULDA SENT YOU A PRIVATE MESSAGE AND OBTAINED YOUR EMAIL ADDRESS FROM YOU.....THEN PRIVATELY SENT YOU MY ORIGINAL DOWNLOADS, WHICH ARE PERFECTLY CRISP AND CLEAR

NOT THE CASE RIGHT NOW!....I DON'T KNOW WHY....I'M JUST A LITTLE GUY ON HERE

I DO NOT RECOMMEND THAT YOU POST YOUR EMAIL ADDRESS ON "OPEN FORUM" AS YOU MIGHT GET A BUNCH OF JUNK IN RETURN

HOWEVER, IF YOU WANNA CREATE ANOTHER "THROW AWAY" EMAIL ADDRESS....ONE NOT TO BE USED AGAIN....NOT YOUR MAIN ONE!

FEEL FREE TO POST IT ON HERE, I WILL BE HAPPY TO SEND THE DIAGRAMS TO IT

THE MEDIC
Aug 8, 2013 at 5:27 AM
Avatar
DDEMPDD
  • MEMBER
  • 11 POSTS
Thanks,
[email protected]
Aug 8, 2013 at 7:28 PM
Avatar
CJ MEDEVAC
  • CERTIFIED EXPERT
  • 11,004 POSTS


GOTCHA!

WAIT A COUPLE.....GONNA SEND 'EM NOW

THE MEDIC
Aug 8, 2013 at 7:45 PM
Avatar
CJ MEDEVAC
  • CERTIFIED EXPERT
  • 11,004 POSTS


JU GET 'EM?

THE MEDIC
Aug 8, 2013 at 7:56 PM
Avatar
DDEMPDD
  • MEMBER
  • 11 POSTS
Got 'em, and they are clear!
Thanks!
I'll keep you posted....
Aug 8, 2013 at 10:27 PM
Avatar
DDEMPDD
  • MEMBER
  • 11 POSTS
Once again, this wire diagram shows a brown wire at B1 on the PCM for the Volts Lamp. I do not have a wire in B1. However, the volts lamp/battery image lamp on the dash does illuminate / is illuminated when the car is running.
I do have a red wire in B4 and that reads good for continuity to the generator/alternator.
The car had been running fine for several months, nobody would have removed the B1 wire in that time frame....I'm puzzeled...What to check now?
Aug 9, 2013 at 9:16 AM
Avatar
HMAC300
  • CERTIFIED EXPERT
  • 48,601 POSTS
this has been handed off to me on the chart yours is the one on the far left the others are for buick/Pontiac check the 1d fuse and seeif it loses power like you are getting at alternator. If it does it may be abad ignition switch that is losing it. Also disconnect the chime module and see if it charges if it does that maybe what is bad. your red wire may come from C1 on the pcm circuit also check to see if you are losing voltage at the B1 side which should be a brown wire going into the pcm. this could be a pcm problem as well not telling the alternator to turn on or send power through the small red wire. It may be losing contact at the pcm as well with a poor connection. also check for a bent pin at pcm if it was disconnected.
Aug 9, 2013 at 12:29 PM
Avatar
DDEMPDD
  • MEMBER
  • 11 POSTS
Thanks for the diagram and info.
I will check the voltage at the fuse and also try the chime module. One problem that I am having is.....there is no wire going into B1, the B1 spot is empty. Thats why I was wondering if I had the right wire diagram.

Also, I don't have any information on the relays locations and what they power. I have information on the fuses, but not the relays. Any help with that information would be a great help.
Thanks
Aug 11, 2013 at 6:48 PM
Avatar
HMAC300
  • CERTIFIED EXPERT
  • 48,601 POSTS
made a mistake see pic or on passenger side relay center........
Aug 12, 2013 at 12:43 PM
Avatar
DDEMPDD
  • MEMBER
  • 11 POSTS
Finally gave up and took to a mechanic specializing in electrical repair. He said it was the computer. Should get the car back soon.
Thanks to all for your inputs.
Nov 12, 2013 at 8:15 PM