front windshield defroster does not blow air

1995 MAZDA MX5
54,000 MILES • 4 CYL • 2WD • AUTOMATIC
Avatar
RTOLDT
  • MEMBER
  • 1 POST
The control for the vents either for the defroster or the floor vent does not work,The air only comes out of the vents in the dash.
Mar 8, 2011 at 3:37 AM
Advertisement
Avatar
JACOBANDNICKOLAS
  • CERTIFIED EXPERT
  • 110,175 POSTS
Hi,

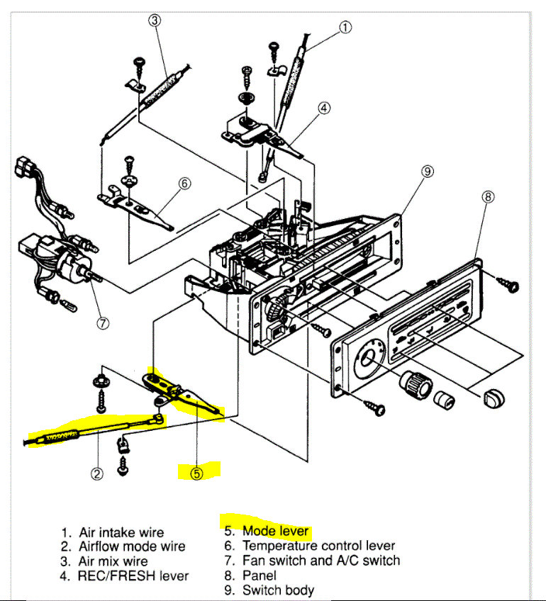
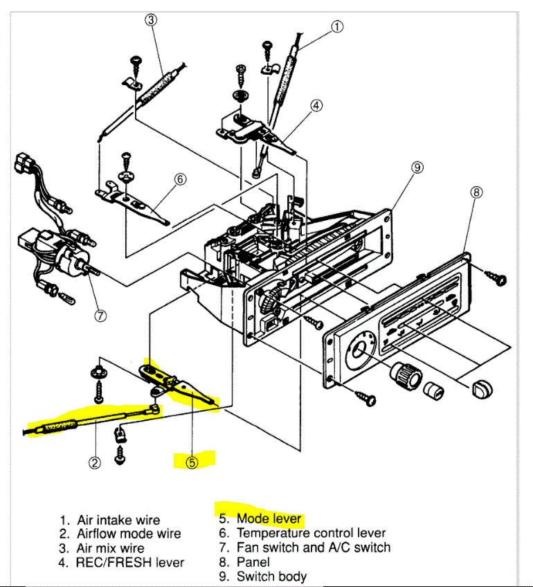
On this vehicle, the airflow direction is controlled by what is called a mode door. On this vehicle, it is actuated via a control lever (at the dash) and a cable.

The first thing I suggest is to locate the mode door cable under the dash and check to make sure it is moving. If it is, try adjusting it.

If you look at pic 2 below, it explains how to adjust the cable. Pic 1 below shows the cable and lever at the dash where you adjust the airflow direction.

Check adjustment first. Also, when you inspect the cable, make sure it is properly attached and secured.

Let me know if this helps or if you have other questions.

Take care,

Joe

See pics below.
Sep 5, 2021 at 10:26 PM