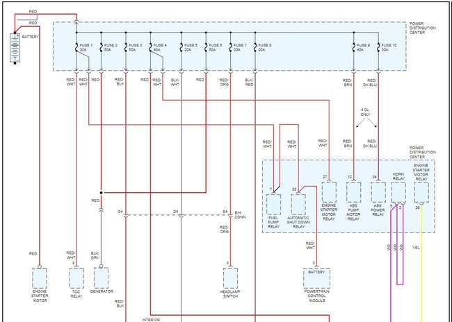
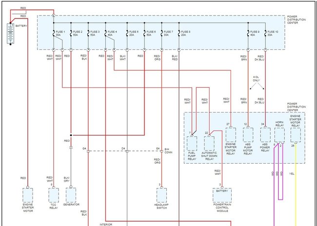
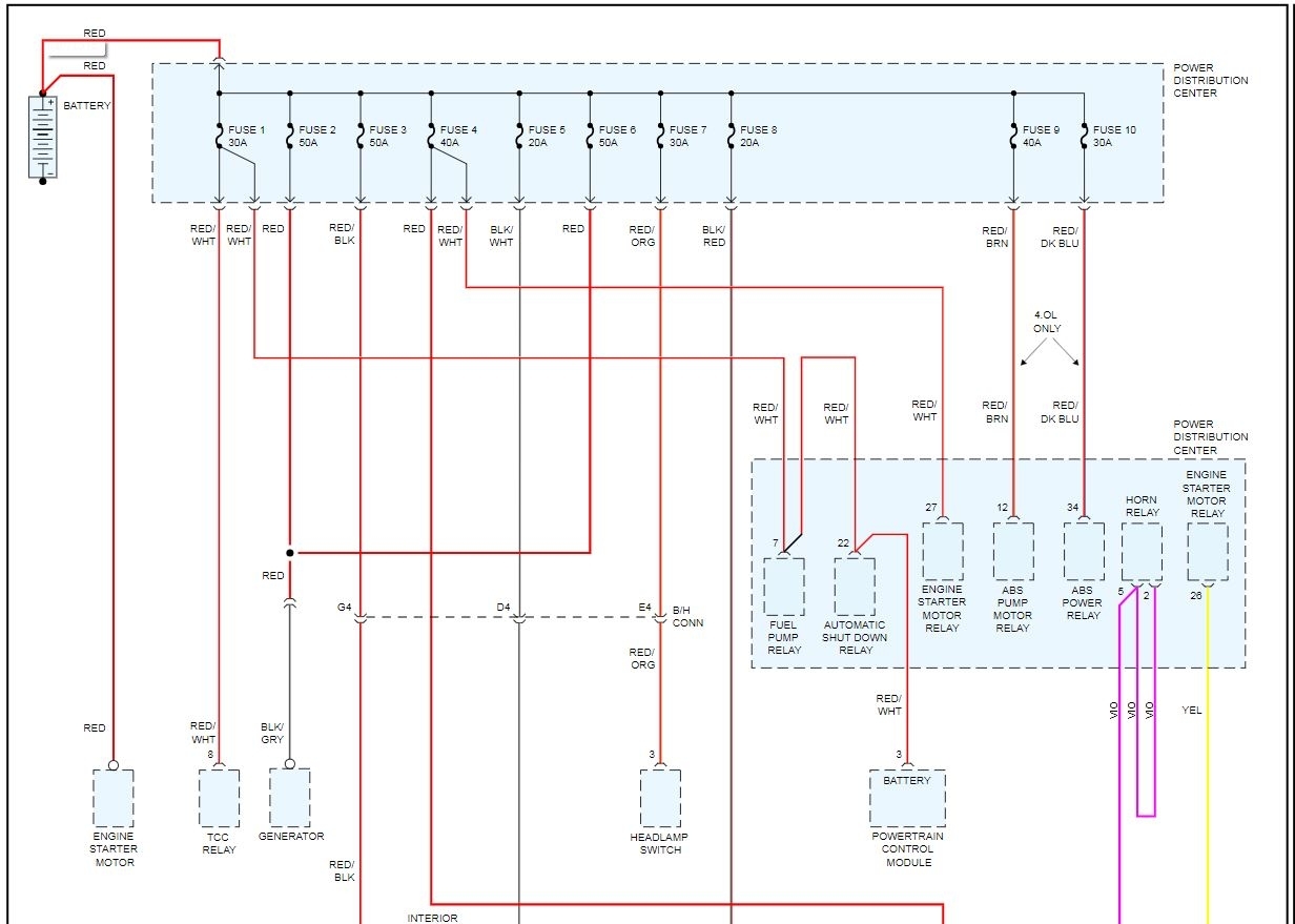
PURPOSE
A 12 volt signal at this input indicates that the Automatic Shutdown (ASD) relay has been activated.
OPERATION
This input is used only to sense that the ASD relay is energized. If the Powertrain Control Module (PCM) does not see 12 volts when the ASD relay should be activated, it will set a Diagnostic Trouble code.
Supplies power to the fuel pump relay as well.
See the diagram below to visually get an idea of how it is wired into the system
May 16, 2011 at 7:47 PM