turn signals not working

1995 JEEP CHEROKEE
217,000 MILES • 6 CYL • 4WD • AUTOMATIC
Avatar
ROCKETTEER
  • MEMBER
  • 8 POSTS
There is an ongoing discussion about a similar issue. Once upon a time, I was messing with some fuses in the Jeep to test a battery drain. After that, the turn signals quit working - no flashing lights inside or out and no clicking noise. Of course, the first thing I did was confirm continuity on all the fuses. The hazard flashers work fine, so this rules out the turn signal bulbs.

Recall that the windshield wiper control is also on the turn signal lever. The delay feature of the wipers had also quit working, so this made me strongly suspect that the whole turn signal switch assembly was faulty. I replaced the switch assembly and was crestfallen to see no change in the turn signal situation. (Also, my wipers seem to run very, very slowly now and I'm worried that they may not be effective in a rain storm, but this is for another discussion.)

Finally, after reading your current discussion about the turn signals, I located and replaced what is supposed to be the combined hazard, turn-signal flasher relay with a new one (original part is a Tridon EP-27 flasher, located in a secondary relay panel to the right of the steering column below the dash). Unfortunately, this caused no effect on the turn signals and now I am utterly defeated.

Agreeing with what I've read in the discussion, the fuse panel in the 1995 Cherokee Sport is NOT the same as indicated in the owner's manual and the Haynes repair manual. I would love to see an accurate depiction of the TRUE fuse and relay panels in this vehicle and learn unequivocally whether the turn signal has its own dedicated relay or is indeed combined inside the flasher relay. And what about the other fuse box that is located under the hood? Any suspects in there?

Please advise what to do next to restore turn signal function!

Sincere thanks,
Chris Rockett
Dec 11, 2010 at 10:20 PM
Advertisement
Avatar
BMRFIXIT
  • CERTIFIED EXPERT
  • 19,053 POSTS
1st make sure you have the fuses in the correct location

FUSE & CIRCUIT BREAKER IDENTIFICATION
1 - 20 Amp (Yellow)
Power Antenna Relay, Trailer Tow Relay.
2 - 15 Amp (Blue)
Brake Lamps.
3 - 20 Amp (Yellow)
Hazard Lamps.
4 - 15 Amp (Blue)
Security Lamp.
5 - 15 Amp (Blue)
Interior Lighting.
6 - 15 Amp (Blue)
Security Alarm Module.
7 - 15 Amp (Blue)
Security Alarm Relay, Security Alarm Module, Flash-To-Pass.
8 - 15 Amp (Blue)
Overhead Console, Keyless Entry, Radio Memory, Clock/Chime Module, Power Locks, Power Mirrors, HVAC & VIC.
9 - 20 Amp (Yellow)
Rear Wiper.
10 - 15 Amp (Blue)
Radio Accessory.
11 - 15 Amp (Blue)
Cigar Lighter.
12 - 15 Amp (Blue)
Parking Lamps, Automatic Headlamps.
13 - 20 Amp (Yellow)
Horn Relay.
14 - 20 Amp (Yellow)
Power Lock Relays.
15 - 3 Amp (Violet)
ABS Module & Relay.
16 - 20 Amp (Yellow)
Turn Signals.
17 - 7.5 Amp (Brown)
Heater & Air Conditioning Module.
18 - 15 Amp (Blue)
Air Bag Module.
19 - 15 Amp (Blue)
Interior Mirror, Auto Headlamps, Overhead Console, VIC/GDM Module, Heated Rear Window Relay Coil, Illuminated Entry Relay & Chime Module.
20 - 10 Amp (Red)
Heated Rear Window Switch, Overdrive Switch, Speed Control.
21 - 15 Amp (Blue)
Cluster, Security Alarm Module, Lamp Outage Module.
22 - 15 Amp (Blue)
Air Bag Module, Speedometer, Tachometer, Telltales, Gauges.
23 - 15 Amp (Blue)
Heated Mirror Feed, Heated Rear Window Switch.
24 - 7.5 Amp (Brown)
Instrument Panel Illumination.
25 - 30 Amp Circuit Breaker
Power Seats.
26 - 30 Amp Circuit Breaker
Power Windows.
27 - 10 Amp Circuit Breaker
Security Alarm Module, Front Wiper.
28 - 30 Amp Circuit Breaker
Heated Rear Window Relay.
POWER DISTRIBUTION

BTW is this a Cherokee or Grand Cherokee? 2 different beasts
Dec 12, 2010 at 2:32 PM
Avatar
ROCKETTEER
  • MEMBER
  • 8 POSTS
This diagram you provided is nothing like either the inside fuse panel or the fuse panel under the hood of my Jeep. To which panel are you referring? Thanks. --Chris
Dec 21, 2010 at 4:23 AM
Advertisement
Avatar
ROCKETTEER
  • MEMBER
  • 8 POSTS
UPDATE: My dad and I spent several hours yesterday investigating the turn signal. We first unbolted the relay panel from under the dash and removed its back cover. There are five wires entering/exiting the combo flasher relay (Tridon EP-27). We found that by jumping across the yellow/red wire (presumably hot) to the purple wire in the center, the turn signal would function! Then we located the path of these terminals within the relay (i.e. on the circuit board) and soldered a jump wire across the two terminal connections. We found that the hazards and turn signals functioned correctly like this, and thought we had solved the problem... HOWEVER, we realized that this "solution" came with its own new problem: when the ignition is turned on, the relay would click constantly (without actually engaging the lamps). This noise is unacceptably annoying, so we had to remove our jump wire and are thus back to square one. I continue to stand by my argument with my dad that the relay is NOT the problem, since I already tried replacing it with a brand new one to no effect. So, I'm convinced that there is a continuity or power delivery issue between the turn signal switch and the relay. That is, we know the relay can actuate the turn signal lamps as it is supposed to, but something is not sending it the necessary power feed in order to do its job.

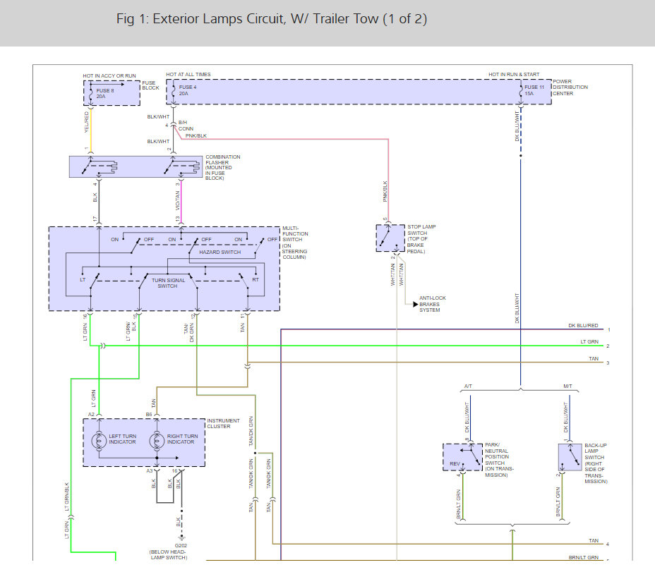
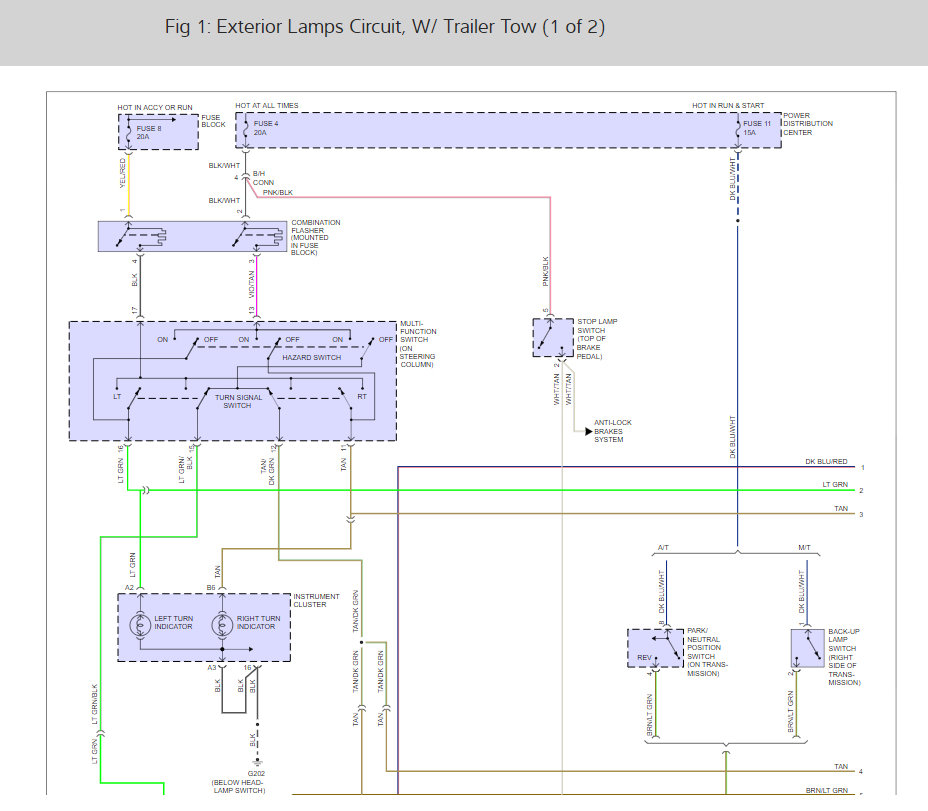
Two wiring diagrams are attached.

Thanks for further advice!

-Chris
Dec 23, 2010 at 2:52 PM
Avatar
BRANDON FRIGO
  • MEMBER
  • 2 POSTS
I'm in the exact same boat. But I also don't have break lights. Thinking bad ground
Jun 23, 2019 at 4:59 AM
Avatar
DORN23
  • MEMBER
  • 2 POSTS
Hello,

I have a '99 Cherokee Sport 4.0L, 93,000 miles, and my turn signals have stopped working. They didn't stop completely at first, one day they would work, the next they wouldn't but now they have completely stopped. The hazards and brights still functioned though.
I took a guess that it was the turn signal switch (on the column), so I replaced it but I still have the same problem....no turn signals but brights and hazard lights work. I've tried replacing the fuse, even though the manual says the same fuse controls the hazards so I do not think that is the problem.

I'm stumped...any help would be greatly appreciated!

Thanks,
George
Jun 25, 2019 at 1:08 PM (Merged)
Avatar
MERLIN2021
  • CERTIFIED EXPERT
  • 17,250 POSTS
Did you try the FLASHER?
Jun 25, 2019 at 1:08 PM (Merged)
Avatar
DORN23
  • MEMBER
  • 2 POSTS
The flasher was my next step...thanks for the reply
Jun 25, 2019 at 1:08 PM (Merged)
Avatar
BRANDON FRIGO
  • MEMBER
  • 2 POSTS
I'm having same issue.1995 Cherokee sport 4.0. No turn or hazard plus no break lights. They share the same circuit. Fuse good. Break switch has 1 of 2 powers. Ohm out switch and it's good. Lost power. I'm starting lean to bad ground. No way coming out of the factory wire loom there's a bad wire in the 18 inches it travels in the wrapped pasta of other protected wires. Thanks for the common sense answers. And yes key is on and fuse is in the correct location fridge is running. Does it matter if the jeep is on the ground to have ground. SMH lol.
Jun 25, 2019 at 1:08 PM (Merged)
Avatar
STRAILER
  • CERTIFIED EXPERT
  • 53,854 POSTS
Hello,

It does sound like a bad ground or a multi function switch here is a guide and the brake light wiring diagrams so you can see how the system works.

https://www.2carpros.com/articles/how-to-check-wiring

Check out the diagrams (Below). Please let us know what you find. We are interested to see what it is.
Jun 25, 2019 at 1:08 PM (Merged)
Avatar
CSTLOUIS7
  • MEMBER
  • 1 POST
I own a 94 jeep cherokee, a couple months ago i had plugged a 3/8inch drill into a power inverter, didnt notice for a bit but my air conditioner/heater, radio, turn signals all stopped working, there are not fuses blown, any idea what could be wrong, please let me know if you need any more info. thank you
Jun 26, 2019 at 10:06 AM (Merged)
Avatar
JDL
  • CERTIFIED EXPERT
  • 16,098 POSTS
Applicable fuses, did you use a voltage tester and check for voltage? Some of the fuses go hot with the key on, you may have to check feed to ignition switch? Maybe a fusible link, somewhere?
Jun 26, 2019 at 10:06 AM (Merged)
Avatar
BIGTY
  • MEMBER
  • 1 POST
1991 Jeep Cherokee
----------------------------------------------------------------
i need to find the fuse box on my 1991 jeep to see why my turn lights stop working
Jun 26, 2019 at 10:06 AM (Merged)
Avatar
MHPAUTOS
  • CERTIFIED EXPERT
  • 31,937 POSTS
Hi there, Fuse box on L/H/S of lower dash as per pic. Mark (mhpautos)


https://www.2carpros.com/forum/automotive_pictures/61395_jeep_1.jpg

Jun 26, 2019 at 10:06 AM (Merged)
Avatar
RICKYBOBBY740
  • MEMBER
  • 6 POSTS
well this is very confusing when i turn my left turn signal on the hazards flash but nothing with work unless i have my left turn signal on when i have it on the air cond. blows with theclicker with the turn signal same goes with the windshield wipers but my turn signals dont work. when i turn my hazards on all the lights flash including the lights in the car i really need help fast dont know where to start
Jun 26, 2019 at 10:06 AM (Merged)
Avatar
JDL
  • CERTIFIED EXPERT
  • 16,098 POSTS
Hi, I'd have to check the turn signal switch and wiring circuit. When working around the steering column, you need to disarm air-bag, where applicable.
Jun 26, 2019 at 10:06 AM (Merged)
Avatar
RICKYBOBBY740
  • MEMBER
  • 6 POSTS
well how would i know that it is the turning switch
Jun 26, 2019 at 10:06 AM (Merged)
Avatar
JDL
  • CERTIFIED EXPERT
  • 16,098 POSTS
I wouldn't know without getting at it.
Jun 26, 2019 at 10:06 AM (Merged)
Avatar
RICKYBOBBY740
  • MEMBER
  • 6 POSTS
ok thank u i find the problem i just have replace it
Jun 26, 2019 at 10:06 AM (Merged)
Avatar
94JEEP
  • MEMBER
  • 1 POST
I have a 1994 Jeep Cherokee. Every now and then, the electrical system would go out while I'm driving -- radio will go off, heater, turn signals, wipers, lights will not function, etc., but there is no interruption in driving. Everything else works fine. Typically, I would pull over, shut the engine off, wait a few minutes, crank it, and everything would be back to normal (this happened 3 times in the last 4 years). This week however, it's happened 3 times already and today, the stop and restart method isn't working. Any ideas before I take it in to the shop? Have I finally used up my lives?
Has anyone experienced this?
Jun 26, 2019 at 10:06 AM (Merged)
Avatar
JDL
  • CERTIFIED EXPERT
  • 16,098 POSTS
Hello, some if not all of your problems seems to be ignition feed, circuits that go hot when you turn on the key. When the problem occurs, pick one system, whatever is the easiest, the radio for example. There are probably two hot circuits that go to the radio, one is ignition feed, goes hot when you turn the key on, check that one, pull the fuse, use a testlite, see if anything is hot? I can't tell if it is the switch or a wiring circuit to or from?
Jun 26, 2019 at 10:06 AM (Merged)
Avatar
ELIZABETHLAMAE
  • MEMBER
  • 1 POST
I just replaced the flasher (looks like a plug with five prongs, left of steering column) as I was advised and my signals are still not working.

My hazards are working fine as always. My signal arm clicks into place and releases when I complete a turn as it should but the signals do not function.

What should my next step be for troubleshooting and does anyone have any ideas as to what part I need to replace?
Jun 26, 2019 at 6:27 PM (Merged)
Avatar
CJ MEDEVAC
  • CERTIFIED EXPERT
  • 11,004 POSTS
See my profile, As you can see, I am a CJ Jeep Kinda Guy......I keep up other family members/ friends rigs too.

This is my HOBBY.....I do not get paid as the Certified Fellers here do.

I was told by one of the BIG GUYS here, that my answers are sorta sound (CJ 5 & CJ 7, Answers are EXCELLENT!, By my standards anyway, see my profile and "Votes")......Therefore my "NEW TITLE"...."HELPER" (they pinned on me, denotes that I am not a Total Idiot.....On Vehiculer Knowledge!) ......The other bonus I always try to give is : "More Personalized Answers"

I can troubleshoot well, but I do not know your rig very well at all.

If it were, the rig (Ford Escape) belonging to the "Evil Female" which tricked me into a hitch-up!

I would grab the owners manual 1st and locate ALL fuse locations (there may be several)

I would look at the diagrams in it and find anything related to a TURN SIGNAL and sorta PRE-FIND the fuse(s) in the book (keeps you from standing on your head!)

Don't just look at the fuse in its holder, pull it and look at it............2 reasons:

A) Sometimes its hard to see the burned wire in it.

B) If it was not blown...If it were slightly corroded or loose....This may give it a better connection when you reinstall it (I usually pull them in and out several times to "Scrape it Clean", before I put it back permanently. (Jeeps in H2O, get corrosion in the fuse boxes)

Another possibility may be that your "Switch Itself", is internally worn/broke/loose connection

A manual for your rig (about $30) could offer some troubleshooting tips (everybody ought to have one!)

If FUNDAGE is a key problem, as with me sometimes, I can offer a few "COUNTRY-BOY" Frugal outlets you might could use to "EASE THE PAIN" and get you repaired.

Respond below with good news!

Then make me out....A "SAINT" in "FEEDBACK"

Or come back and we will try some more!

Remember, I do not have a manual for yours--you should get one and keep it in your rig for emergencies.

The Medic
Jun 26, 2019 at 6:27 PM (Merged)
Avatar
ARONCA24
  • MEMBER
  • 1 POST
I have a Jeep Cherokee Sport, a 1999, with about 53,000 miles on it. I have been plagued with a blinker issue. First, it started with my actualy lights for my blinkers working, but all they would do was stick, they would'nt actually blink. So, I went and bought a flasher to plug into my fuse box thinking the old one was just bad. I noticed when I went to install it, there were a row of three parts that looked the same, so I went through each one and tried the blinkers and it seemed to fix the problem on the last one I tried, but now the lights don't come on at all instead of coming on and just sticking. So, now it is worse than before. Do you know which of those three parts in that row is actually for the flasher? So maybe I know which one to replace? Or maybe what the other two control? It does not list this info in my owner manual. HELP!
Jun 26, 2019 at 6:28 PM (Merged)
Avatar
JDL
  • CERTIFIED EXPERT
  • 16,098 POSTS
Sorry for the late reply.

In the diagram, note the wire colors for the combination switch. The wire colors should help you identify the switch. Hopefully you can see the wire colors on your vehicle. Also, note the fuses, check fuse circuit for voltage.

I realize this is an old post. You may no longer own this vehicle. In the future hope you don't have any vehicle issues, but, if you do, keep the site in mind. They are always working to improve the site and it's free.

Have a good day.
Jun 26, 2019 at 6:28 PM (Merged)
Avatar
MIKIBLAH
  • MEMBER
  • 1 POST
After checking or using another relay with a 3 prong relay I had the turn signal lights started working. it's definitely the blue relay underneath the steering column.
The original part number is:
-56007348 but got discontinued turn signal/hazards. I opened it up and I can see it needed resoldered.
Nov 17, 2020 at 8:55 AM
Avatar
KASEKENNY
  • CERTIFIED EXPERT
  • 18,907 POSTS
Thanks for updating this post. That is great info. This is from a couple years ago so they may not benefit from it but I am sure others who visit this site will.

Please let us know if you have questions in the future that we can assist you with.

https://www.2carpros.com/questions/new

Thanks
Nov 20, 2020 at 3:49 PM