headlights not working

1995 JEEP CHEROKEE
6 CYL • FWD
Avatar
FLOORDUDE
  • MEMBER
  • 9 POSTS
My headlights don't work.I replaced the fuse,headlight switch and headlights.What could it be?
Nov 27, 2010 at 5:55 PM
Advertisement
Avatar
JDL
  • CERTIFIED EXPERT
  • 16,098 POSTS
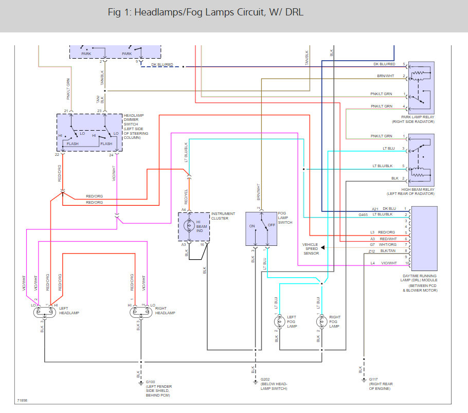
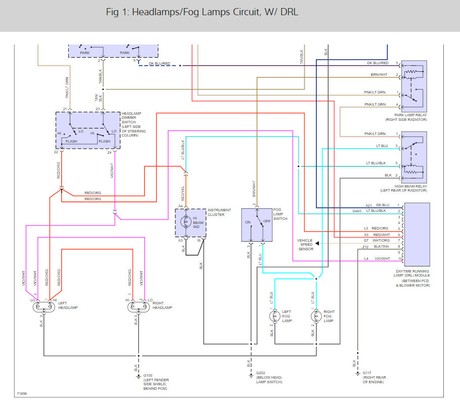
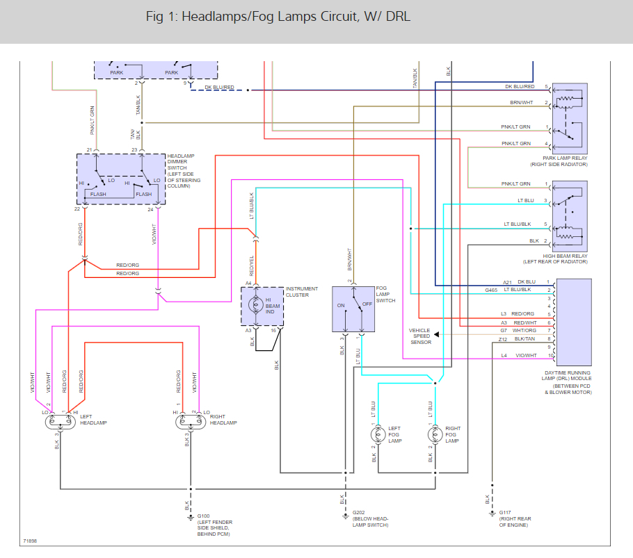
Can you see if you have power at fuse # 15 and 5 ? HEre is a guide to help and the headlight wiring diagrams so you can see how the system works.

https://www.2carpros.com/articles/how-to-check-a-car-fuse

Check out the diagrams (Below). Please let us know what you find.
Nov 27, 2010 at 6:43 PM
Avatar
FLOORDUDE
  • MEMBER
  • 9 POSTS
Yes. It's OK. Is their anyway to run a jumper wire to the headlights to see if the work? Or is their even anything else I can do?
Nov 27, 2010 at 9:40 PM
Advertisement
Avatar
JDL
  • CERTIFIED EXPERT
  • 16,098 POSTS
All I can do is track the voltage circuit and check ground. Did you check for voltage and ground at the headlamp assembly?
Nov 27, 2010 at 10:11 PM
Avatar
FLOORDUDE
  • MEMBER
  • 9 POSTS
Yes. With the headlight switch on, I have no voltage at the headlight plug.
Nov 27, 2010 at 10:22 PM
Avatar
JDL
  • CERTIFIED EXPERT
  • 16,098 POSTS
At the headlamp switch, do you have voltage at the red wire with orange tracer? Then, with headlamp switch on, the tan wire with black tracer should be hot, is it?
Nov 28, 2010 at 5:23 PM
Avatar
FLOORDUDE
  • MEMBER
  • 9 POSTS
Yes i have voltage, but it is a red wire and blue tracer. Yes the brown and black wire is hot.
Nov 28, 2010 at 8:45 PM
Avatar
JDL
  • CERTIFIED EXPERT
  • 16,098 POSTS
Check the wiring at the dimmer switch. Tan wire with black tracer hot with the headlamp switch on. Violet wire with white tracer, also hot, carries voltage to headlamps.

Nov 29, 2010 at 2:00 PM
Avatar
FLOORDUDE
  • MEMBER
  • 9 POSTS
It is a red wire with a white tracer.Yes it is hot with the switch on.
Nov 29, 2010 at 3:24 PM
Avatar
JDL
  • CERTIFIED EXPERT
  • 16,098 POSTS
If the voltage circuits are all ok, check the ground at the headlamp connector, black wire. One way to check ground, is to use a testlite connected to battery voltage, touch to black wire terminal, with connector loose, if the lite comes on, the ground is good.
Nov 29, 2010 at 4:00 PM
Avatar
FLOORDUDE
  • MEMBER
  • 9 POSTS
I checked the ground wire and the light came on
Nov 29, 2010 at 4:51 PM
Avatar
FLOORDUDE
  • MEMBER
  • 9 POSTS
The light did come on
Nov 29, 2010 at 4:52 PM
Avatar
JDL
  • CERTIFIED EXPERT
  • 16,098 POSTS
What is the actual voltage reading at the lamp? If it shows system voltage at the lamp and you have good ground, I don't know?
Nov 29, 2010 at 5:18 PM
Avatar
FLOORDUDE
  • MEMBER
  • 9 POSTS
I found out it was the DRL module not allowing the lights to work. All fixed!
Nov 29, 2010 at 8:20 PM
Avatar
JDL
  • CERTIFIED EXPERT
  • 16,098 POSTS
Glad you could get it fixed, that kind of problem can be tough. Please use 2CarPros anytime we are here to help.
Nov 29, 2010 at 8:42 PM
Avatar
K.WALSH8
  • MEMBER
  • 2 POSTS
Hello, I have a 1998 Jeep Cherokee Sport and on my way home from work my headlights went out on me. My running lights and dash lights still work. it cant be the fuse because about 20 minutes after they went out they came back on for another 15 minutes before going back out. what could this be? Scariest drive of my life since I live in the mountains
Feb 23, 2020 at 10:03 AM
Avatar
JOETECHPRO
  • CERTIFIED EXPERT
  • 705 POSTS
Hey K.WALSH8,

Can you please start a new thread with your vehicle question and we will get to helping you as soon as we can?

If you could follow the link below, fill out your vehicle details and fault description that would be great.

https://www.2carpros.com/questions/new

Regards, Joe
Feb 23, 2020 at 3:53 PM
Avatar
BLUEYES410421
  • MEMBER
  • 6 POSTS
My head lights are not working, but my running lights come on. Also, the high beam switch won't stay on High beams, I can click it back and hold it in and the high beams stay on, but as soon as I let go they turn off. The result is I have no head lights, help please.
Oct 14, 2020 at 1:26 PM (Merged)
Avatar
WRENCHTECH
  • CERTIFIED EXPERT
  • 20,761 POSTS
That's not really high beams that you are switching on. That is the "flash to pass" feature and it works without the headlights being on. You need to start testing the circuit with a test light while following a wiring diagram to find out where you are losing the signal.
Oct 14, 2020 at 1:26 PM (Merged)
Avatar
BLUEYES410421
  • MEMBER
  • 6 POSTS
The "flash to pass" is on the turn signal thing and normally I can click that back and it will go to high beams, but it won't stay in the high beam position. The main problem is I don't have head lights unless I hold the "flash to pass" the whole time I am driving, so could that be a fuse causing the head lights not to work, or the headlight switch, or like you said wiring?
Oct 14, 2020 at 1:26 PM (Merged)
Avatar
WRENCHTECH
  • CERTIFIED EXPERT
  • 20,761 POSTS
Not likely but you should always test all the fuses first.
Oct 14, 2020 at 1:26 PM (Merged)
Avatar
BLUEYES410421
  • MEMBER
  • 6 POSTS
So, what you are saying is that it's probably the wiring, correct? Sorry for the questions, I do know a lot about fixing cars, but when it comes to the wiring, yeah, not so much.
Oct 14, 2020 at 1:26 PM (Merged)
Avatar
WRENCHTECH
  • CERTIFIED EXPERT
  • 20,761 POSTS
No, I didn't say it was probably anything. You admit you don't know much about cars but you are trying to diagnose a complicated electrical problem. This is really beyond your ability and you will need a shop to diagnose it for you.
Oct 14, 2020 at 1:26 PM (Merged)
Avatar
BLUEYES410421
  • MEMBER
  • 6 POSTS
No, I didn't say I didn't know a lot about fixing cars, I said "I do" know a lot about fixing them, but when it comes to the wiring, I don't. I was trying to see if it could be something other then the wiring, if anyone else had been through this, sorry you think I am totally oblivious, but thank you for your help.
Oct 14, 2020 at 1:26 PM (Merged)
Avatar
WRENCHTECH
  • CERTIFIED EXPERT
  • 20,761 POSTS
Nobody said you were oblivious but if you think you are capable of following the circuit on a wiring diagram, I'll give you one.
Does your truck have daytime running lights?
Oct 14, 2020 at 1:26 PM (Merged)
Avatar
BLUEYES410421
  • MEMBER
  • 6 POSTS
No my jeep only has the running lights that you turn on with the same switch as the headlights and they work just fine, it's just the headlights that are not coming on. And yes, I am perfectly capable of following the circuit on a wiring diagram and would appreciate if you could do that, thanks.
Oct 14, 2020 at 1:26 PM (Merged)
Avatar
WRENCHTECH
  • CERTIFIED EXPERT
  • 20,761 POSTS
http://i1198.photobucket.com/albums/aa448/Wrenchtech/57425746.jpg.gif https://www.2carpros.com/images/external/57425747.jpg.gif
Oct 14, 2020 at 1:26 PM (Merged)
Avatar
BLUEYES410421
  • MEMBER
  • 6 POSTS
Thank you so much, that helps me a ton. I really appreciate your help and hopefully other people are just as grateful for you help. If I have any other questions after we go through all of this, I will be back, but I am really hoping I don't have any more.
Oct 14, 2020 at 1:26 PM (Merged)
Avatar
WRENCHTECH
  • CERTIFIED EXPERT
  • 20,761 POSTS
Good luck
Oct 14, 2020 at 1:26 PM (Merged)
Avatar
SGARKOW
  • MEMBER
  • 1 POST
My low beams will not work, but high beams do. I have changed the bulbs, cleaned the connections, checked the fuses. What else could it be or should I look for?
Oct 14, 2020 at 1:26 PM (Merged)
Avatar
JDL
  • CERTIFIED EXPERT
  • 16,098 POSTS
Welcome to the forum. My first thought is the dimmer switch. There may be a multiwire connector under the dash, close to steering column, for circuits going to and from the steering column. The violet wire carries voltage for low beam.
Oct 14, 2020 at 1:26 PM (Merged)
Avatar
WORD9SMITH
  • MEMBER
  • 2 POSTS
On an Intermittent basis when I pull the headlight switch, the lights won't come on. Instead the lights on the instrument panel all light up; the high beam indicator, the left and right signal indicators, etc.
I thought it might be a short, but how do you find it?
Oct 14, 2020 at 1:27 PM (Merged)
Avatar
JDL
  • CERTIFIED EXPERT
  • 16,098 POSTS
Hi, thanks for the donation. The problem maybe the wiring circuit or dimmer switch. If in the steering column, there should be a multiwire connector, under the dash, close to column, for circuits going to and from the column. Tan wire with black tracer is voltage feed from headlamp switch to dimmer. Red wire with orange tracer, is voltage feed from dimmer to high-beam headlamp. Violet wire with white tracer is voltage from dimmer to low beam head lamp. You need to check voltage when problem is ongoing. Also chek grounds.
Oct 14, 2020 at 1:27 PM (Merged)
Avatar
WORD9SMITH
  • MEMBER
  • 2 POSTS
HI,

Thanks. RE: You need to check voltage when problem is ongoing. Also chek grounds.

What would show on the voltage when problem is present. No voltage low voltage? Where are the grounds?
Oct 14, 2020 at 1:27 PM (Merged)
Avatar
JDL
  • CERTIFIED EXPERT
  • 16,098 POSTS
Close to battery voltage, reading, on voltage circuits. There is a ground circuit at the headlamp connector, black wire. One way to check ground, is to take connector loose. Use a testlite connected to battery voltage, touch the terminal for the black wire. If the lite comes on, the ground is good.
Oct 14, 2020 at 1:27 PM (Merged)
Avatar
JAMES LUKAS
  • MEMBER
  • 1 POST
I TURNED ON MY HEADLIGHTS AND THE PARKING LIGHTS CAME ON BUT NO HEADLIGHTS. I TURNED ON THE HI BEAMS AND THEY WORKED BUT AM UNABLE TO SWITCH BACK TO LOW BEAM. IT SEEMS LOW BEAM IS NOT WORKING. CHECKED FUSES & THEY LOOK OK.
Oct 14, 2020 at 1:27 PM (Merged)
Avatar
DMCL
  • MEMBER
  • 2 POSTS
Hey there,
i just had the same problem. the two settings in the plunger dont work. the headings setting works, but the console lights dont light up and the taillights stay off. I have to find an intermediate setting for the park lights. dont know what the problem is.
any ideas?did you get your problem sorted?
thanks
Oct 14, 2020 at 1:27 PM (Merged)
Avatar
JDM299
  • MEMBER
  • 1 POST
Jeep Cherokee Sport 4 wheel drive automatic with about 150,000 miles. I had the radiator replaced a few months ago and air conditioner serviced as far as any repairs. About three days ago I left for work in the morning and my parking lights came on but no headlights. after the jeep ran for about five minutes they came on. This has happened to me every morning now and just this afternoon they will not come on at all only the parking lights come on. If I pull the high beam switch to the momentary position to the rear they will come on momentarily but if i push the switch forward to keep them on they dont come on. I checked a couple fuses but they seemed okay. Any suggestions?
Oct 14, 2020 at 1:27 PM (Merged)
Avatar
RASMATAZ
  • CERTIFIED EXPERT
  • 75,992 POSTS
If it has a DRL let know this one is w/o see EWD


https://www.2carpros.com/forum/automotive_pictures/12900_2001_jeep_cherokee_sport_1.jpg

Oct 14, 2020 at 1:27 PM (Merged)
Avatar
JEEPHEEP
  • MEMBER
  • 1 POST
my headlights will only stay on for about 20 minutes then they start going on and off i was told it was a relay but my owners manual says its not i was also told it was the pull switch i need too know if you can help me with this problem
Oct 18, 2020 at 11:48 AM (Merged)
Avatar
JDL
  • CERTIFIED EXPERT
  • 16,098 POSTS
Hi, with or without drl? I'd have to check voltage circuits to and from, the headlamp switch, when the problem occurs. If that checks out, check voltage from dimmer switch. You can't see voltage, use a voltage tester. We can give you wiring diagrams and wiring colors, but, you have to do the actual testing.
Oct 18, 2020 at 11:48 AM (Merged)