Crankshaft position sensor location?

1995 HONDA ACCORD
119,000 MILES
Avatar
ANONYMOUS
  • MEMBER
  • 1 POST
I have the EX model, 2.2l vtech, that I recently purchased. When I am driving it shifts normal, but if I try to accelerate to pass another driver it acts as if the rev limiter is going off at 4,000 rpm and will not shift but if let foot off gas it shifts it also will not go pass eighty mph without doing same thing. It has check engine light on, I pulled code it blinks four times. I went on Alldata it said it was code for crank position sensor. I went and found sensor in a pic-a-part sense they do not sell the sensor because it is in the distributor. I tried to reset ECM to get out of limp mode after started vehicle it was good then light turned on quickly after start up showing same code. If there is anyone that can help it would be really appreciated. I would like to know were I should go from here.
Mar 16, 2013 at 7:14 AM
Advertisement
Avatar
HMAC300
  • CERTIFIED EXPERT
  • 48,601 POSTS
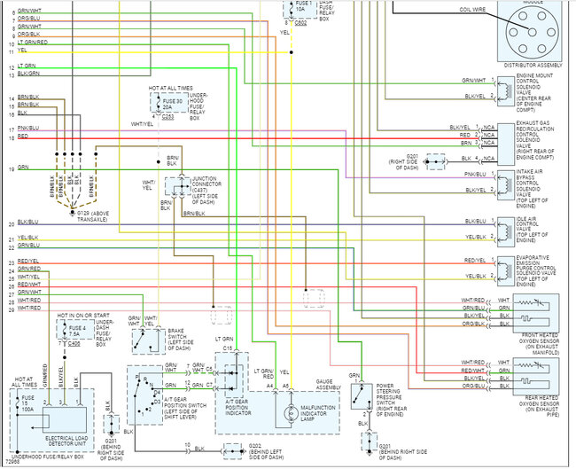
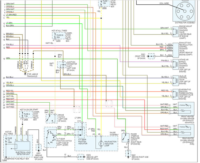
There is a year spilt so it could be in the distributor or on the front of the engine block. Here is the location of the sensor and a guide to tell you how to change the sensor out. Check out the diagrams (below). Please let us know if you need anything else to get the problem fixed.
Mar 16, 2013 at 5:26 PM
Avatar
HASSAN SHUAIBU
  • MEMBER
  • 40 POSTS
Please someone help me. There are three wires from injector side wiring to crankshaft position sensor at the crank shaft pulley below. Two are in the CPS and there is no other point for connection. One wire is just dangling around. Please where does that wire goes to? It is colored red with yellow stripes.
Jul 2, 2018 at 6:17 PM (Merged)
Advertisement
Avatar
STEVE W.
  • CERTIFIED EXPERT
  • 15,113 POSTS
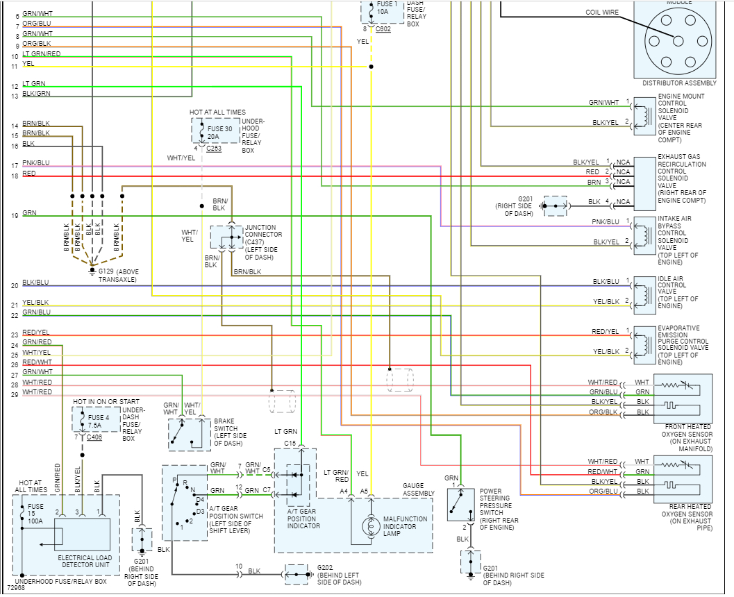
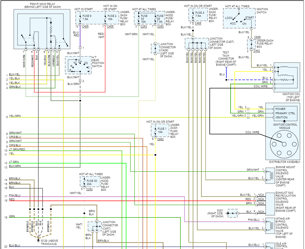
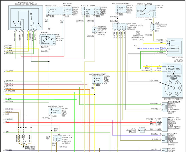
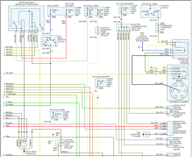
This wire is for the ground shield over the crankshaft sensor trigger wires to cut down on noise in the system and to help it have a false signal. Here is the crankshaft wiring diagrams and engine wiring so you can see how the system works and what I am talking about. Check out the images (below). Let us know if you need anything else.




Jul 2, 2018 at 6:17 PM (Merged)
Avatar
HEATHERS HONDA
  • MEMBER
  • 1 POST
The engine light is on. I checked the codes and it says its the engine speed sensor. The guy at the parts store talked me out of it because he says it could be any of the sensors. The car shifts funny, idles funny, and tachometer sometimes works but all crazy. I know the guys at the parts store are somewhat smart, but I have been lead in the wrong direction before. I wonder where the crank angle sensor is. If that is even it.

Thanks
Jul 2, 2018 at 6:17 PM (Merged)
Avatar
F4I_GUY
  • CERTIFIED EXPERT
  • 3,302 POSTS
Post up the code number if you want the exact code information.

You have a crankshaft fluctuation speed sensor (CKF), as well as a crankshaft position sensor. Both are completely different. You must post the code number to retrieve proper diagnostic advice.
Jul 2, 2018 at 6:17 PM (Merged)
Avatar
KCBLUEYES30
  • MEMBER
  • 2 POSTS
There is a Crankshaft position sensor.



Jul 2, 2018 at 6:17 PM (Merged)
Avatar
MR NACIS
  • MEMBER
  • 1 POST
Four cylinder two wheel drive automatic.

Can a 1995 Accord crank sensor work in a 1996?
Jul 2, 2018 at 6:18 PM (Merged)
Avatar
HONDA TECH 1818
  • CERTIFIED EXPERT
  • 536 POSTS
For 1995 Accord four cylinder the crank sensor is built-in inside the distributor. I do not think 1996 Accord distributor will fit 1995.
Jul 2, 2018 at 6:18 PM (Merged)
Avatar
MANDEL PEARSON
  • MEMBER
  • 1 POST
Installing a cps and dont know the location
Jan 10, 2019 at 2:59 PM (Merged)
Avatar
CARADIODOC
  • CERTIFIED EXPERT
  • 34,306 POSTS
Hello,

Here is the location of the crankshaft sensor below with a guide to walk you through the step of the repair.

https://www.2carpros.com/articles/crankshaft-angle-sensor-replacement

This is for a 2.3L engine. Check out the diagrams (Below). Please let us know if you need anything else to get the problem fixed.
Jan 10, 2019 at 2:59 PM (Merged)
Avatar
BOBBIE63
  • MEMBER
  • 1 POST
does a 93 honda accord have a crank sensor and where is it located?
Jan 10, 2019 at 2:59 PM (Merged)
Avatar
RASMATAZ
  • CERTIFIED EXPERT
  • 75,992 POSTS
Its built into the distributor
Jan 10, 2019 at 2:59 PM (Merged)
Avatar
DK012377
  • MEMBER
  • 20 POSTS
Engine Performance problem
1991 Honda Accord 4 cyl Automatic 175000 miles

We are trying to repair a 91 Honda Accord for our friend and are having problems. He said at 1st he had problems with loss of power while driving, it seemed to him that it was not getting fuel (or much of it) and he couldnt get it to go over 30 mph. Then it just quit starting all together. We found a clogged air filter and plugs with lots of carbon deposits as well as a burnt spot on the rotor. Replaced these things as well as dist cap and the car starts and runs. After running maybe 30 seconds to a minute the engine revs slightly and then idles poorly, at this time the check engine light comes on. We checked for codes and it gives a 4 blink sequence which indicates "crank angle." I have found thru some online research that there is a crank angle sensor inside the distributor. Does this mean the distributor is bad? Also we noticed low oil, we added some and now suddently the check engine does not light. It ran for a few mins just fine. Another problem is that there is a knocking noise coming from the area of the valve cover. Friend says the noise was not there before he started having problems. Any idea about what to check for the "crank angle" code, and what the knocking noise could be. Is this kind of noise coming from this area considered a "spark knock"?
Jan 10, 2019 at 2:59 PM (Merged)
Avatar
DK012377
  • MEMBER
  • 20 POSTS
We did check the fuel pump and it is ok. Also fuel filter seems to be fine as well. Not sure if there is anything else in the fuel delivery system we can/should check, since it does run ok at first before it starts to run poorly.

Also even though the check engine light does not come on, it does still start to run poorly at about the same timing. 30 seconds to 1 min after starting, there is a slight rev and then it runs poorly.
Jan 10, 2019 at 2:59 PM (Merged)
Avatar
KHLOW2008
  • CERTIFIED EXPERT
  • 41,814 POSTS
Hi dk012377,

Check if the noise is coming from the distributor. Quite often the shaft bearing gives way and this would cause the nosie and also trip the Code 4 if the reluctor is brushing against the sensor.

Remove the distributor cap and check internals for abnormalities.

Check the timing belt tension as well, if it is loose, it swould cause abnormal noise around camshaft and distributor area.
Jan 10, 2019 at 2:59 PM (Merged)
Avatar
DK012377
  • MEMBER
  • 20 POSTS
We did inspect the distributor and did not see anything out of the ordinary, nothing loose, all electrical connections ok etc.

We have not checked the timing yet because we can't find the marks. I have accessed the repair manual online on autozones website and we know where to look for them but there is nothing there. Also it confounds us that it runs smoothly for a minute or so before it gets rough, it seems like if the timing belt jumped a tooth it would run bad all the time.

Someone mentioned to us that possibly the catalytic convertor could be plugged and if it overheated could cause noise in the engine. Could this also cause it to run this way? And is there a way for us check this without taking it somewhere? (it lacks power and wont go well once it starts to run crappy)
Jan 10, 2019 at 2:59 PM (Merged)
Avatar
KHLOW2008
  • CERTIFIED EXPERT
  • 41,814 POSTS
If the timing belt has skipped a tooth, it can run well intermittently and accelerating power would be greatly reduced.

Anyway I am not referring to skipped tooth, just that if the tension of the belts is loose, it can cause the timing to be erratic.

Is the CEL still coming ON?

A clogged catalytic converter would result in unability to accelerate more than 3000 rpm most of the time.

A misfiring cylinder would cause the catalytic converter to run red hot.

You can try disconneceting the cat converter to test of it is plugged.
Jan 10, 2019 at 2:59 PM (Merged)
Avatar
DK012377
  • MEMBER
  • 20 POSTS
CEL is no longer coming on after we added the oil. But it still runs the same. The belt tension is good. Will unhook CC and test.
Jan 10, 2019 at 2:59 PM (Merged)
Avatar
NEC5809
  • MEMBER
  • 3 POSTS
It's getting no fuel or spark, I replaced the distributor and still nothing- someone suggested the crank sensor?

Thanks
Jan 10, 2019 at 2:59 PM (Merged)
Avatar
LOSONE
  • CERTIFIED EXPERT
  • 1,616 POSTS
I suspect the problem is the EFI relay which is located on the left side upper dash ( high up) It is a black metal relay and is a common source of Honda problems. Type in HOnda EFI relay on E bay and you will see a lot of them. Good Luck
Jan 10, 2019 at 2:59 PM (Merged)
Avatar
NEC5809
  • MEMBER
  • 3 POSTS
thank you
Jan 10, 2019 at 2:59 PM (Merged)