Door lock and unlock not working

1995 PONTIAC GRAND AM
150,000 MILES
Avatar
KASSAAFRASSS
  • MEMBER
  • 2 POSTS
I tested both fuses for the door lock and unlock and they work but the slots where the fuses go in aren’t getting any power.
Feb 10, 2020 at 12:59 PM
Advertisement
Avatar
CARADIODOC
  • CERTIFIED EXPERT
  • 34,307 POSTS
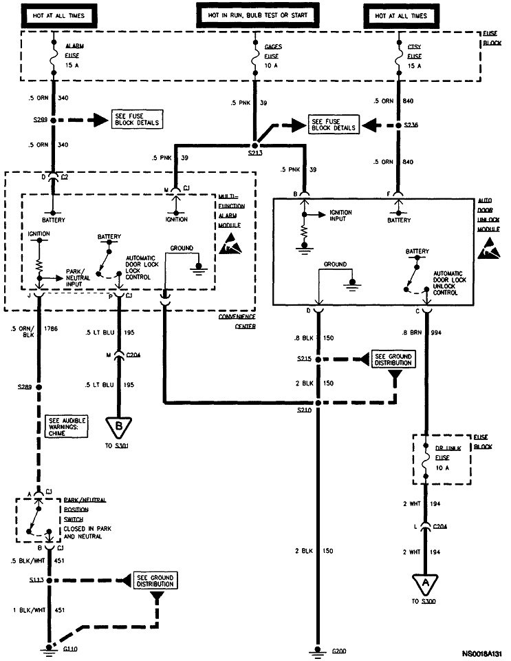
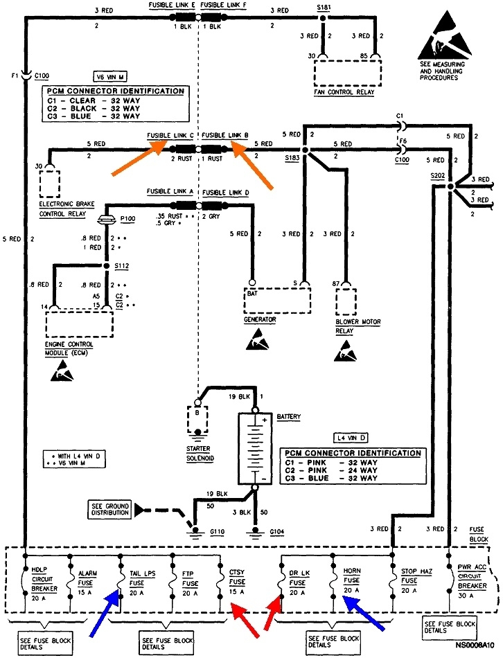
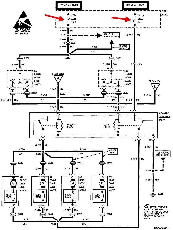
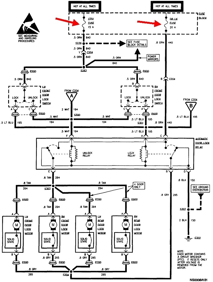
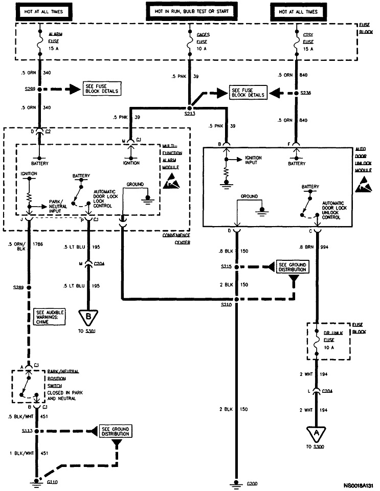
Check for other things that don't work. In particular, check the operation of the horn and tail lights. If those systems work, 12 volts has to be getting to the fuses in question. If both are dead, there would have to be two breaks inside the fuse box.

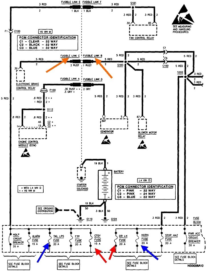
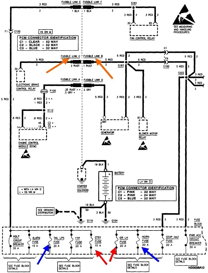
If those systems are dead too, suspect the fuse link wires are burned open. Those are shown with the orange arrows. It would be very uncommon to find one burned open, and even more rare for both to be bad.
Feb 10, 2020 at 4:22 PM
Avatar
KASSAAFRASSS
  • MEMBER
  • 2 POSTS
All three are dead. And all fuses are good.
Feb 10, 2020 at 5:37 PM
Advertisement
Avatar
CARADIODOC
  • CERTIFIED EXPERT
  • 34,307 POSTS
Do you mean all the systems on those circuits are dead? If so, that would point to those fuse link wires being burned open. That is quite uncommon. Was there something in the car's recent history that led up to this?

According to the way the diagram is drawn, it appears these fuse links are attached to the larger terminal on the starter motor's solenoid. The starter has nothing to do with those circuits. That large terminal is just used as a convenient tie point so all those wires don't have to run all the way back to the battery. My suspicion is someone replaced the starter and overlooked those two wires, or, less likely, they both corroded off.

Fuse link wires have a dull color. They're a smaller diameter so they become the weak link in the chain. The insulation is designed to not burn or melt. That piece of wire is typically only about four to six inches long.

If those fuse link wires are properly connected, pull on them to test them. If one acts like a piece of wire, it is okay. If it is burned open, it will stretch like a rubber band.

Feb 10, 2020 at 6:19 PM