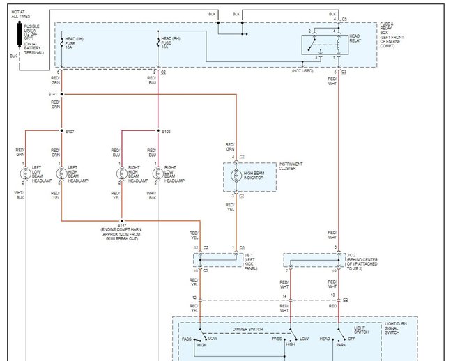
The car will not shut off when I turn the car off. My headlights will not turn. I change the bulbs and the fuses, relay switch. Still will not turn on. Air bag light on dash board stays on when the car is shut off.
Jan 13, 2014 at 6:52 PM

