1995 Ford Windstar Electrical

1995 FORD WINDSTAR
146,000 MILES • 1.8L • V6 • 2WD • AUTOMATIC
Avatar
TROYWINDSTAR
  • MEMBER
  • 1 POST
okay I have a 1995 Ford Windstar, all my lights work except tail/Brake and dash lights, I checked the fuses and the lights and they are working perfectly, their is a brake light above the back hatch and that brake light works
Oct 16, 2014 at 10:04 AM
Advertisement
Avatar
JDL
  • CERTIFIED EXPERT
  • 16,098 POSTS
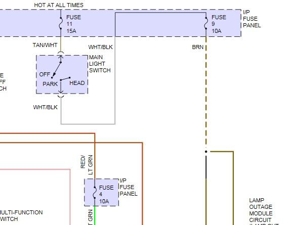
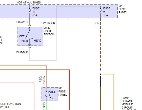
Did you check fuse circuit for voltage? Use a testlight. Here is a partial diagram for tail lamps, check the fuse circuits for voltage. At the rear tail lamps, the brown wire is voltage, the black wire is ground.

Your lower brake lamps are wired through the turn signal switch, the high mount brake lite is wired differently.
Oct 16, 2014 at 10:40 AM