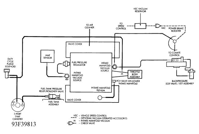
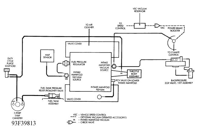
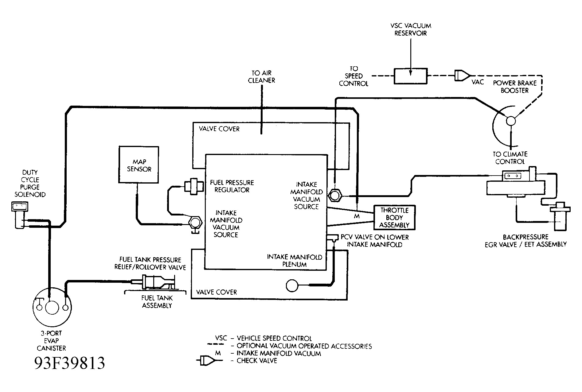
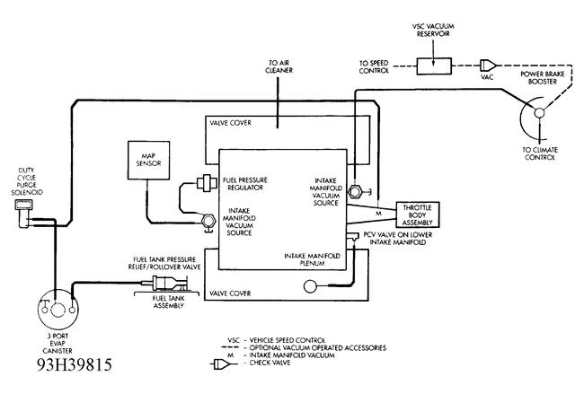
1995 Chrysler LeBaron V6 3L engine, 94000 miles. A friend had to take apart the manifold and disconnect vacuum lines to do a repair. The vacuum line that is responsible for climate control did not get re-connected. I can see it on the vacuum diagram and have located where it should be connected under the hood, but am not sure where it connects to climate control. There is a three way intersection ... one vacuum line goes to the braking assist and then on to the cruise control, one to the climate controls and one to the manifold for intake. I am trying to figure out where the vacuum line should be so that I can use my heater controls again. This line controls the ability to switch between panel, bi-level and floor heating/cooling. Thank you!
Jul 13, 2013 at 8:40 PM

